Clean Energy and Sustainability Open Access

ISSN: 2959-7676 (Online)

2959-7668 (Print)

An official journal of East China University of Science and Technology and Chemical Engineering ESG Committee of The Chemical Industry and Engineering Society of China

Clean Energy and Sustainability (CES) aims to be an international, peer-reviewed and open access journal that publishes original theoretical and experimental research in all aspects of clean energy. It is published quarterly online by SCIE Publishing Ltd. View full Aims&Scope

Editors-in-Chief Editorial Board

Articles (58) All Articles

Open Access

Article

06 May 2026

Dispersion During Underground Hydrogen Storage in Depleted Gas Reservoirs

Dispersion in porous media is a multiscale process that governs the distribution and mixing of fluids in the subsurface. In underground hydrogen storage, dispersion is particularly critical due to hydrogen’s low molecular weight and large density contrast relative to natural gas. In addition to this, cyclic operations amplify mixing and transport effects beyond what is typically observed during conventional gas injection and storage. The apparent mixing observed during storage arises from the combined influences of localized dispersion, heterogeneity-driven channeling, and gravity segregation. Distinguishing between local, echo, and transmission dispersion provides a start for understanding reversible and irreversible components of mixing, and for connecting localized processes with field-scale performance. This study develops a systematic method to quantify dispersion in hydrogen storage within depleted gas reservoirs by combining analytical solutions of the convective–diffusive equation with multidimensional numerical simulations. The approach translates concentration fields into effective dispersion coefficients using different methods for mixing-zone length analysis. This enables evaluation across different permeability distributions, anisotropies, and spatial correlation lengths. The method is applied under both linear and radial flow conditions, including cyclic injection and production, to capture the distinct roles of gravity segregation, heterogeneity, and boundary conditions. Across the studied cases, the effective dispersion coefficient increases from approximately 1.03 to 3.5 m2/day as the Dykstra–Parsons coefficient increases from 0.3 to 0.9. Gravity segregation significantly alters plume evolution, reducing effective mixing zone lengths and introducing asymmetric displacement behavior. Under cyclic radial injection–production, incomplete plume reversal leads to persistent concentration halos, indicating irreversible mixing. The ratio of echo to transmission dispersion further quantifies the degree of irreversibility in the system. This work establishes a quantitative framework for characterizing dispersive transport in hydrogen storage systems and provides a basis for evaluating storage performance and reversibility under realistic subsurface conditions.

Open Access

Review

27 April 2026

Engineering High-Performance CIGS Solar Cells: Structural Design and Process Development

The development of high-efficiency copper indium gallium diselenide (CIGS) solar cells is currently driven by a dual strategy of internal structural refinement and integration into multi-junction tandem architectures. This study aims to systematically analyze the key design and optimization strategies required to overcome the 33.7% Shockley–Queisser limit of single-junction devices. The results demonstrate that bandgap engineering, particularly through double-graded “notch” profiles, significantly enhances charge carrier collection and improves overall device performance, while alkali metal post-deposition treatments effectively reduce interface recombination losses. Furthermore, integrating CIGS with perovskite top cells in two-terminal (2T) and four-terminal (4T) configurations is a promising pathway to achieving efficiencies exceeding 30%. By combining advanced vacuum-based fabrication techniques, such as the three-stage co-evaporation process, with precise optical management, CIGS technology is positioned as a versatile candidate for both high-performance terrestrial and radiation-tolerant space applications.

Clean Energy Sustain.
2026,
4
(2), 10008; 
Open Access

Article

20 April 2026

Assessing the Role of Renewable Energy, Environmental Taxes, and Energy Use in Shaping Greenhouse Gas Emissions in Nigeria

Amid persistent environmental pressures linked to energy dependence and structural inefficiencies, this study represents one of the first empirical attempts to concurrently investigate the effects of renewable energy, green technology, environmental taxes, economic growth, energy imports, and government effectiveness on greenhouse gas emissions (GHGE) using data updated through 2024 for Nigeria’s evolving economy. Using the “Autoregressive Distributed Lag” (ARDL) approach with “Granger causality” analysis, the results confirm a stable long-run association between the indicators. Renewable energy and energy imports indicate a negative correlation with GHGE in both the near and long term, supporting Nigeria’s low-carbon transition. Economic growth reduces emissions in the near term but shows no significant long-run effect. Environmental taxes exhibit a weak positive association with emissions, reflecting enforcement and institutional limitations, while green technology and government effectiveness show negative but insignificant impacts. The causality findings reveal unidirectional links from environmental taxes to emissions and from emissions to government effectiveness. The results highlight the importance of strengthening renewable energy, diversifying energy sources, and enhancing institutional capacity to achieve sustainable environmental outcomes in Nigeria.

Open Access

Article

30 March 2026

Evaluation of Power Grid Investment Effectiveness in New Power Systems Considering Decision Psychology and Sustainable Development: An Empirical Study Based on Chinese Urban Power Grid Simulation

The evaluation of investment effectiveness in power grids oriented towards new-type power systems is a critical issue for advancing grid transformation and enhancing the scientific basis of investment decision-making. To address the current challenges—such as single-dimensional evaluation, strong subjectivity in index weighting, and insufficient consideration of risks and decision-makers’ psychological factors—this paper aims to construct a hybrid evaluation framework that comprehensively reflects both objective data and subjective decision-making preferences. First, a comprehensive evaluation index system is established, encompassing four dimensions: low-carbon performance, safety, economic efficiency, and intelligence. Second, an innovative integration of the Back Propagation Neural Network (BPNN), the CRITIC method, and the Entropy Weight Method (EWM) is conducted. The combination weights are determined through game theory to scientifically quantify the importance of each index. Based on this, the Improved Cumulative Prospect Theory (ICPT) is introduced to characterize decision-makers’ psychological behavior under uncertainty. Furthermore, by combining Grey Relational Analysis (GRA) and the Technique for Order Preference by Similarity to an Ideal Solution (TOPSIS), an ICPT-GRA-TOPSIS comprehensive evaluation model is constructed. An empirical study of 13 typical urban power grids in China reveals that the proposed model can effectively identify the strengths and weaknesses of investment effectiveness across different regions, categorizing them into development tiers such as “multi-objective collaborative leading type”, “key breakthrough but unbalanced type”, and “system-lagging type”. More importantly, the sensitivity analysis of decision-making psychology demonstrates that the evaluation of investment strategies is highly dependent on decision-makers’ risk attitudes and value orientations. This provides critical quantitative decision-making references for formulating differentiated, precise investment strategies for power grids, offering significant theoretical and practical value for guiding power grid enterprises in optimizing resource allocation and supporting the construction of new-type power systems.

Clean Energy Sustain.
2026,
4
(1), 10006; 
Open Access

Review

27 March 2026

Artificial Intelligence in Photovoltaic Power Systems: A Bibliometric and Thematic Analysis of Knowledge Structures, Research Evolution, and Emerging Directions Toward Sustainable Energy Systems

Artificial intelligence (AI) has rapidly become a core enabling technology in photovoltaic (PV) power systems, supporting improvements in forecasting accuracy, operational control, fault diagnosis, and system-level energy management. Despite the rapid growth of this field, a comprehensive understanding of its intellectual structure, thematic evolution, and emerging methodological directions remains fragmented. To address this gap, this study develops an integrated bibliometric-thematic analysis framework to systematically map the knowledge structure, research trajectories, and methodological frontiers of AI applications in PV power systems. The analysis is based on 4752 peer-reviewed journal articles indexed in Scopus (2006–2025). It combines performance analysis, co-citation analysis, keyword co-occurrence analysis, and bibliographic coupling to answer five structured research questions. The results demonstrate that PV power forecasting constitutes the central intellectual backbone of AI-based PV research, with the highest citation concentration and the strongest thematic connectivity across clusters. Thematic evolution analysis reveals a clear methodological transition from conventional machine learning models toward hybrid deep learning architectures, uncertainty-aware prediction frameworks, and physics-based AI integration. Furthermore, emerging research frontiers are characterized by generative learning models, multi-source data fusion strategies, and resilience-oriented fault diagnostics, while critical gaps persist in benchmarking standardization, uncertainty quantification, system-level integration, and large-scale industrial deployment. Unlike prior reviews that focus on isolated technical applications, this study provides the first integrated performance analysis and science-mapping synthesis that connects intellectual foundations, thematic evolution, and frontier innovations across the entire AI-based PV ecosystem. The findings offer a structured research roadmap and actionable guidance for researchers, PV plant operators, and policymakers aiming to design intelligent, scalable, and resilient PV energy systems that support the global low-carbon transition.

Open Access

Review

13 March 2026

Recent Progress in Photonic Design and Charge Transport Optimization for Organic Solar Cells

Organic solar cells (OSCs) are attracting attention as a possible replacement for traditional photovoltaics because they are low-cost, lightweight, and have adjustable optoelectronic features. The commercialization of single-junction OSCs still faces challenges in achieving high power conversion efficiency (PCE) and operating stability. Recent developments in photonic crystals, plasmonics, nanophotonics, and metamaterials have significantly addressed these issues, especially in single-junction systems. This paper reviews the latest advancements in charge transport engineering, nanophotonic light-trapping methods, and nanostructured interfaces specifically designed for single-junction OSCs. It also highlights recent record-breaking efficiencies that exceed 20% PCE. We discussed integrating plasmonic nanoparticles, optical microcavities, nanostructured electrodes, and improved photonic materials to increase light absorption, exciton dissociation, and charge collection within the specific limitations of single-junction devices. Furthermore, we stress the important role of computational modeling and recent experimental breakthroughs in enhancing optical and electrical performance. Rather than treating optical and electrical processes independently, this review emphasizes the synergistic role of photonic enhancement strategies in simultaneously improving light trapping and charge transport, highlighting how nanophotonic designs influence carrier generation, recombination, and extraction in single-junction OSCs.

Clean Energy Sustain.
2026,
4
(1), 10004; 
Open Access

Article

25 February 2026

Optimizing SI Engine Performance and Emissions with Gasoline-Ethanol and Gasoline-Methanol Blends

Although fossil fuels are the primary source of energy in the world, their greenhouse gas emissions and other pollutants provide serious environmental problems. This study uses a gasoline blend with ethanol and methanol to examine the emissions and performance of a spark ignition (SI) engine. An experimental design focused on engine input factors such as load and fuel blends. Brake-specific fuel consumption (BSFC), brake thermal efficiency (BTE), and emissions of carbon monoxide (CO), hydrocarbons (HC), and nitrogen oxides (NOx) were examined about these parameters using Taguchi’s L16 orthogonal array and ANOVA via Minitab 18. The results show that 80% engine load and a 15% blend for both ethanol and methanol provide the best engine performance, greatly lowering BSFC and raising BTE. Notably, 20% engine load and 15% blend result in the lowest CO emissions, whilst 20% load and 0% blend result in the lowest NOx emissions. Also, 20% load and 15% blend result in the lowest HC emissions. This study highlights the potential of alternative fuel blends to improve engine efficiency and reduce hazardous emissions.

Open Access

Article

24 February 2026

Bi-Level Optimal Configuration of Multi-Building Flexible Interconnected Energy Systems Considering Multi-Energy Complementarity

Flexible interconnection among different building types holds significant importance for integrating distributed energy resources, mitigating regional load peak-valley differences, and enhancing the local consumption capacity of renewable energy. Addressing the issue of insufficient multi-energy synergy in multi-building clusters, this paper proposes a bi-level optimal configuration method for flexible interconnected energy systems that accounts for multi-energy complementarity. By constructing a comprehensive multi-energy flow model encompassing all elements of source, network, load, storage, and conversion, a bi-level optimization framework is established. The upper level aims to minimize total lifecycle cost and carbon emissions, while the lower level targets maximizing the renewable energy self-consumption rate and minimizing daily operational cost. An improved NSGA-II algorithm integrating Lévy flight and a good point set is employed for an efficient solution. Simulation results demonstrate that the proposed scheme can achieve cross-spatiotemporal energy transfer and multi-energy collaborative optimization. In a typical summer day scenario, the system’s renewable energy self-consumption rate increased to 96.20%, operational cost was reduced by 8.83%, and carbon emissions decreased by 10.18%, validating the effectiveness and superiority of the method in improving energy utilization efficiency and supporting the low-carbon and economic transition of regional building systems. The outcomes of this study can provide theoretical support and engineering reference for the low-carbon, economical, and efficient planning of multi-building energy systems.

Open Access

Article

05 February 2026

Geospatial Analysis of Energy Requirements for Supplying Desalinated Seawater to the Greek Territory

Greece confronts intensifying water scarcity driven by population growth, urbanization, tourism, and climate variability, despite its extensive coastline. Traditional sources are strained, with agriculture consuming ~80% of withdrawals (surface water ~38%, groundwater ~62%). Desalination, predominantly reverse osmosis (RO), offers a mature solution, already meeting 30–95% of domestic needs in Aegean islands, but its energy intensity challenge sustainability within the water–energy–food nexus. This study presents a geospatial framework to assess energy requirements for a hypothetical scenario in which seawater desalination fully supplies domestic water demand in Greece. High-resolution GIS data, WorldPop population grids, and hydrological networks enable estimation of daily demand (173 L/capita/day) and energy decomposition: desalination (SEC = 5 kWh/m3 SWRO), elevation pumping plus residual pressure (15 m head), and frictional losses. The hypothetical pipelines follow reverse natural drainage paths for realistic routing. Results highlight substantial spatial disparities: inland cities face significantly higher and more uniform energy costs (Ioannina: mean dynamic head 8.3 kWh/m3, ~43% higher than the coastal reference of Athens at 5.8 kWh/m3), driven by elevation and distance; coastal centres show lower means but greater variability (Athens: highest total ~3.35 GWh/day). In summary, fully supplying domestic water demand via desalination would necessitate an additional ~8% of the country’s total electricity consumption. Findings affirm desalination’s potential for coastal/island supply while revealing energy barriers inland.

Open Access

Review

12 December 2025

Bibliometric Review of Bio-Based Building Materials and a Comparison with Prior Research: Toward Probabilistic Approaches for Material Variability

The purpose of this article is to extend previous bibliometric research on bio-based building materials by conducting a comparative analysis. The objective is to expand the initial study by applying a broader and more inclusive set of search terms to evaluate the sensitivity of Web of Science to keyword variations. In parallel, a separate bibliometric analysis is performed on research related to probabilistic approaches, which are essential for managing the variability and uncertainty in building material properties. Finally, a third bibliometric analysis is carried out at the intersection of these two fields: bio-based building materials and probabilistic methods. This integrated analysis aims to highlight the existing gap in the literature. The findings reveal the limited application of probabilistic approaches in the study of bio-based building materials and underscore the need to incorporate uncertainty quantification and stochastic modeling to understand better and optimize these sustainable construction resources. Overall, the results highlight two main outcomes. First, they demonstrate the strong sensitivity of bibliometric outcomes to the choice of search terms and databases, emphasizing the need for transparent and consistent keyword strategies; second, they show that the overlap between probabilistic approaches and bio-based materials research remains extremely limited, underscoring the importance of fostering stronger integration between these areas.

Open Access

Article

28 November 2024

A Review of the Energy Policy in Greece in the Last 50 Years and Its Implications for Prosperity

This paper elucidates the development of electricity production and distribution in Greece from the 1950s to date, in correlation with national and European energy policy. During this period, Greece experienced a multifaceted energy transition, including both the transition of ownership of energy generation companies from public to private and a transition from an energy mix in which coal (lignite) served as a major and inexpensive resource to a mix in which wind power, solar power and natural gas gained a primary role, but with high costs for energy generation. The correlation between electrical energy consumption and economic growth is explored in this context, revealing an increase in consumption before the 2009 recession and a decline thereafter. The study investigates the correlation between escalating electricity prices and legislative dependencies that mandated the purchase of wind- and solar-generated electricity at exorbitant rates, the closure of cost-effective lignite units, and the reliance on natural gasa commodity susceptible to geopolitical shifts. It also shows that, given the structure of the Greek energy mix, the increase in the share of wind and solar energy in the mix is directly related to the increase in the price of electricity. Highlighting the importance of energy costs for prosperity, this paper underscores, through the detailed review of the Greek energy “landscape”, that the major determinants of electricity prices are both the accessibility to natural resources but also their proper and judicious management.

G.-Fivos Sargentis*
Romanos Ioannidis
Nikos Mamassis
Vassilios Zoukos
Demetris Koutsoyiannis
Clean Energy Sustain.
2025,
3
(1), 10021; 
Open Access

Perspective

29 January 2023

Carbon Neutrality and Life Cycle Thinking

Climate change is one of the most critical sustainability challenges facing the humanity. International communities have joined forces to mitigate climate change impact and aim to achieve carbon neutrality in the coming decades. To achieve this ambitious goal, life cycle thinking can play critical roles. Specifically, life cycle thinking helps evaluate the true climate impacts to avoid shifting emissions across processes in a product life cycle. It can also help inform consumers with carbon footprint information to make climate-conscious choices. Finally, it can help identify key processes dominating the carbon footprint of a product so that future improvement can set priorities. High quality data is required for accurate and timely carbon footprint accounting and critical challenges exist to obtain and share such data.

Ruoxi Xiong
Ming Xu*
Clean Energy Sustain.
2023,
1
(1), 10002; 
Open Access

Article

13 March 2024

The Potential of Salinity Gradient Energy Using Reverse Electrodialysis to Generate Electricity for Seawater Desalination Plants, an Example from Western Australia

Seawater desalination plays a vital role in addressing the increasing global demand for freshwater. However, the energy-intensive nature of desalination processes and the generation of brine by-products pose environmental challenges. In Western Australia (WA), approximately 48% of freshwater is supplied by two seawater desalination plants employing the energy-intensive seawater reverse osmosis (SWRO) method. These plants are powered by a combination of renewable and conventional energy sources. Typically, the most efficient approach for desalination plants involves a blend of renewable energy sources. Salinity gradient energy (SGE) harnessed through the reverse electrodialysis (RED) system, which derives energy from mixing waters with varying salinities, has emerged as a potential solution. RED utilizes ion-exchange membranes to convert the chemical potential difference between two solutions into electric power. The net specific energy of SGE, calculated based on the Gibbs free energy associated with mixing seawater and wastewater, is estimated at approximately 0.14 kWh per cubic metre of brine for SWRO desalination plants. The combined SGE potential of WA’s two desalination facilities theoretically amounts to approximately 87.4 MWh of energy. However, due to the inherent limitations of the RED system’s current energy efficiency, only about 2.5% of the desalination plant’s energy requirements can be met through this technique. This paper addresses a significant gap in the literature by analyzing the technical and economic constraints of utilizing salinity gradient energy (SGE) through the reverse electrodialysis (RED) system for seawater desalination plants. This marks the first examination of its kind, shedding light on both the technical feasibility and economic challenges of SGE-RED application in this context. The scientific contribution lies in its innovative approach, integrating technical and economic perspectives to provide an understanding of SGE-RED technology’s potential drawbacks and opportunities. By identifying and tackling these challenges, this paper aims to pave the way for optimizing SGE-RED systems for practical implementation in seawater desalination plants.

Reza Rezaee*
Clean Energy Sustain.
2024,
2
(2), 10006; 
Open Access

Article

21 November 2024

The Impact of Renewable Energy Consumption, Economic Growth, Globalization, and Financial Development on Carbon Dioxide Emissions: Evidence from Selected G7 Economies

The aggregate upsurge in carbon dioxide emissions (CO2) witnessed through environmental degradation and global climate change is a call for great concern. This, therefore, calls for the enactment, utilization and implementation of provisions and policies geared towards curbing this global economic bad without impeding global economic growth rates. This study ascertains the extent to which renewable energy consumption (REC), economic growth (GDP), population growth (POP), globalization (GLO), and financial development (FD) affect carbon dioxide emissions (CO2) in selected G7 economies (France, Germany, Canada, Italy, and the United Kingdom) from 19902020. The Dynamic Fixed Effect Autoregressive Distributive Lag (DFE-ARDL) and the Pooled Mean Group ARDL (PMG-ARDL) methods were employed for analysis. The empirical findings for DFE-ARDL showed that REC, GDP, and POP have an adverse association with CO2 in the long-term. However, in the short-term, REC and FD improve the environment, while GDP and POP drive CO2. It is observed that the result for REC in the short and long-run is consistent. The PMG-ARDL results revealed that REC and GLO negatively affect CO2 in the long-run, and in the short-run, GDP spurs CO2, while FD reduces it. The result summary of both methods employed demonstrates that REC, GLO, and FD benefit the environment. At the same time, GDP and POP harm the environment in the short-run but reduce CO2 in the long-run. Conclusively, the research recommends increasing the utilization of renewable energy and policies that enable economic growth and CO2 to move in the opposite direction.

Agbortoko Agbortoko Egbe
Oluwatoyin Abidemi Somoye*
Huseyin Ozdeser
Clean Energy Sustain.
2024,
2
(4), 10020; 
Open Access

Article

19 September 2023

Advancing Green Hydrogen Production in Saudi Arabia: Harnessing Solar Energy and Seawater Electrolysis

The transition to clean and sustainable energy sources is crucial for combating the challenges posed by climate change. Green hydrogen, produced through renewable energy-driven electrolysis, holds significant promise as a viable clean energy carrier. The study introduces a system that leverages abundant solar energy and utilizes seawater as the feedstock for electrolysis, potentially offering a cost-effective solution. A comprehensive mathematical model, implemented in MATLAB, is employed to simulate the design and operational efficiency of the proposed green hydrogen production system. The system’s core components include solar panels as a clean energy source, an advanced MPPT charge controller ensuring optimal power delivery to the electrolyzer, and a seawater tank serving as the electrolyte source. The model combines these elements, allowing for continuous operation and efficient hydrogen production, addressing concerns about energy losses and cost-effectiveness. Results demonstrate the influence of solar irradiance on the system’s performance, revealing the need to account for seasonal variations when designing green hydrogen production facilities. Theoretical experiments are conducted to evaluate the behavior of a lithium battery, essential for stabilizing the system’s output and ensuring continuous operation during periods of low solar radiation. 

Hossam S. AbdelMeguid*
Hossam F. Al-johani
Zakariya F. Saleh
Abdulmalk A. Almalki
Abdulaziz M. Almalki
Clean Energy Sustain.
2023,
1
(1), 10006; 
Open Access

Perspective

13 September 2023

Estimate of Economic Impact of EVs Li-ion Batteries Recovery

Nowadays, increasing attention is directed towards the sustainable use of raw materials. For a circular economy, recovery from spent devices represents a fundamental practice. With the transition to electric mobility, an increasing number of devices powered by lithium batteries are produced. Indeed, this is the fastest growing sector producing spent batteries, which are an important secondary source of critical raw materials, such as lithium, cobalt, graphite, and nickel. Therefore, this work aims to quantify the economic impact of recovering raw materials from lithium batteries used in the electric vehicles sector. Based on the chemical composition of the various lithium batteries and their market diffusion, the intrinsic economic value of this waste has been estimated to be around 6500 €/ton. Starting from the literature data on the global energy demand from lithium batteries and deriving the trend of their specific energy over time, the mass of material introduced into the market annually is estimated to reach 60 Mton/year by 2040. The annual amount of end-of-life lithium batteries was calculated by applying the Weibull distribution to describe the probability of failure, yielding 10 Mton/year by 2040. Finally, based on these results, the economic impact of the recovery market was assessed for two different scenarios.

Vittorio Ricci
Pietro Romano*
Nicola Stampone
Clean Energy Sustain.
2023,
1
(1), 10005; 
Open Access

Communication

22 August 2024

Mixed Matrix Membranes Produced from a Fluorinated MOF and Pebax for CO2/H2 Separation

Hydrogen (H2) emerges as a promising clean energy source, but its efficient purification from various sources needs advanced separation technologies. This study explores the use of CO2-selective membranes, especially mixed matrix membranes (MMM) incorporating KAUST-7 metal-organic framework (MOF), for hydrogen purification. The MMM was fabricated with various KAUST-7 content in a polymer matrix (Pebax 1657) and characterized via Fourier transform infrared spectroscopy (FTIR), scanning electron microscopy (SEM), thermogravimetric analysis (TGA), X-ray diffraction (XRD), and gas permeation tests. The XRD analysis confirms the incorporation of KAUST-7 into the MMM, while SEM reveals a homogeneous particle distribution at low content (below 10%) but agglomeration at higher ones (above 10%). FTIR confirms good interfacial interactions between the MOF and polymer matrix. TGA results show that the MMM thermal stability slightly decreases with increasing MOF content. Gas permeation results reveal improved CO2 permeability (79%) and CO2/H2 selectivity (19%) for MMM compared to neat Pebax membranes, with an optimal performance observed at 10 wt.% KAUST-7. Beyond this threshold, the performance deteriorates, possibly due to polymer rigidity and MOF agglomeration. Overall, the study highlights the potential of KAUST-7/Pebax MMM for enhanced hydrogen purification.

Xiao-Yuan Chen
Denis Rodrigue*
Clean Energy Sustain.
2024,
2
(3), 10015; 
Open Access

Article

15 August 2023

Thermal and Economic Evaluations of a Drain Water Heat Recovery Device under Transient Conditions

This study explores the transient characteristics of a drain water heat recovery (DWHR) device employed for heat recovery from warm grey water in buildings. Experimental measurements were conducted to investigate the response time of the DWHR device under various flow conditions. The thermal performance of the system was assessed using both transient and steady-state effectiveness analyses. The findings reveal that the response time is influenced by the water volume within the system, with an increase observed, and by the water flow rate, which leads to a decrease in response time. Additionally, a decrease in effectiveness is noted when hot water is used in short and frequent intervals. Furthermore, an economic analysis demonstrates that considering the transient behavior of the device results in a significant overall decrease of 37% in annual savings. Specifically, the usage of sinks exhibits a reduction in annual savings by 56%, while showers show a decrease of 13% in annual savings.

Ezra Ovadia
Mostafa H. Sharqawy*
Clean Energy Sustain.
2023,
1
(1), 10004; 
Open Access

Article

15 August 2024

Hazardous Gas Monitoring with IoT Enabled Drone in Underground Tunnels and Cavities

Considering the healthiness of the atmosphere in mining activities (e.g., tunnelling), two of the most important parameters to be monitored are the concentration of oxygen and the presence of harmful gases such as CO2. Traditional methods for their measurement are fixed platforms and portable gas detectors carried by miners; they are incapable of recognizing sudden or short-term pollution events or correctly accounting for the spatial scarcity of gases. A UAV (Unmanned Aerial Vehicle) device capable of guaranteeing the measurement and continuous monitoring of concentrations has been designed. By using innovative technologies, it promotes digitization in the mining sector. This approach replaces current methods that, while effective at detecting and measuring environmental parameters, are slow, routine, and heavily reliant on human input. It saves productive expenses in the sector since it reduces costs compared to hiring a field technician for activities such as analysis of environmental conditions. This saving is about 110 euros daily, representing a 32% saving per working day for each mining technical responsible for environmental control. It also obtains a 3D spatial distribution of contaminants, a high sample resolution and a high sample resolution.. It reduces inspection time in mining works and the data collection time by more than 50%. The ECODRONE project constitutes a contribution to the MINE THE GAP challenge is a project financed with European funds whose line of desire aims to combine the innovation and development of SMEs or business groups from different regions of the mining, raw materials and materials sector. This program is aimed at strengthening the existing value chains and developing new industrial ones while designing new procedures, automated technologies, information and communication flows, which increase efficiency in the consumption of resources. All of the above implies integration with a circular economy and respect for European and global efficiency policies aimed at sustainability, industrial modernization, human health and the environment.

Johnatan González García*
Michael Striligás*
Antonis Gotsis*
Clean Energy Sustain.
2024,
2
(3), 10014; 
Open Access

Article

13 March 2023

Reduced Climate Impacts of Dairy Sludge Management by Introducing Hydrothermal Carbonization

Dairies which produce cheese and milk products can, however, produce large volumes of wastewater that require treatment, usually via activated sludge treatment. Disposal of the resulting activated sludge to land is viewed favorably as the sludge is rich in phosphorus (P) and nitrogen (N) and enables nutrient recycling. Nonetheless, sludge management can significantly influence the greenhouse gas (GHG) emissions to the atmosphere. This manuscript has modelled the GHG emissions arising from two sludge management strategies currently adopted by Danish dairies whereby: (i) sludge is stored and later applied to fields; or (ii) sludge is treated by anaerobic digestion (AD), stored, and the digestate will later be applied to fields. This is compared to (iii) an alternative sludge management strategy with treatment by Hydrothermal Carbonization (HTC). HTC is a technologically simple sludge treatment that could lower the cost for dewatering dairy sludge, forming a biochar-like material known as hydrochar. The produced hydrochar can be applied to the land for the purpose of carbon sequestration, P and N recycling. Our calculations indicate that GHG balances of HTC sludge management can result in a net carbon sequestration of 63 kg CO2eq per ton sludge, as opposed to net emissions of 420 and 156 kg CO2eq per ton sludge for strategies (i) and (ii), therefore offering significant reductions GHG emissions for the dairy sector.

Aidan M. Smith*
Sven G. Sommer
Arezoo Taghizadeh-Toosi
Clean Energy Sustain.
2023,
1
(1), 10003; 
Open Access

Article

19 September 2023

Advancing Green Hydrogen Production in Saudi Arabia: Harnessing Solar Energy and Seawater Electrolysis

The transition to clean and sustainable energy sources is crucial for combating the challenges posed by climate change. Green hydrogen, produced through renewable energy-driven electrolysis, holds significant promise as a viable clean energy carrier. The study introduces a system that leverages abundant solar energy and utilizes seawater as the feedstock for electrolysis, potentially offering a cost-effective solution. A comprehensive mathematical model, implemented in MATLAB, is employed to simulate the design and operational efficiency of the proposed green hydrogen production system. The system’s core components include solar panels as a clean energy source, an advanced MPPT charge controller ensuring optimal power delivery to the electrolyzer, and a seawater tank serving as the electrolyte source. The model combines these elements, allowing for continuous operation and efficient hydrogen production, addressing concerns about energy losses and cost-effectiveness. Results demonstrate the influence of solar irradiance on the system’s performance, revealing the need to account for seasonal variations when designing green hydrogen production facilities. Theoretical experiments are conducted to evaluate the behavior of a lithium battery, essential for stabilizing the system’s output and ensuring continuous operation during periods of low solar radiation. utf-8

Hossam S. AbdelMeguid*
Hossam F. Al-johani
Zakariya F. Saleh
Abdulmalk A. Almalki
Abdulaziz M. Almalki
Clean Energy Sustain.
2023,
1
(1), 10006; 
Open Access

Review

09 October 2024

A Review of Multi-Domain Urban Energy Modelling Data

Urban energy models (UEMs) simulate energy use at the urban scale and are used to inform urban planning, policy development, infrastructure development, and digital twin monitoring and forecasting. Recent technological improvements have spurred interest in large, multi-domain UEMs, which analyse multiple interconnected parts of these energy systems, such as geography, transport, and buildings. Reviews have focussed on single domains or aspects of UEM data. However, multi-domain UEMs require detailed multi-domain data inputs to provide accurate results. This paper provides a comprehensive review of data requirements and a repository of data-specific information for researchers, including data formats, sources, acquisition methods, bridging methods, and challenges. The review was conducted using academic search engines and the authors’ direct research experience. Domains are characterised by Climate, Geographic, Building, Transportation, Demographics, Energy Networks and Consumption, and Distributed Energy Resources. Additionally, challenges common to multiple sectors are identified, and methods for addressing these are proposed. The paper concludes with a series of recommendations drawing from the general and sector-specific challenges. Overall, a large amount of data exists, but their use by urban energy modellers is limited due to lack of coordination and standardisation, and concerns over privacy and commercial interests. Coordinated public effort is required to overcome these limitations and improve the results of UEMs in the future.utf-8

Daniel Bishop
Patricio Gallardo
Baxter L. M. Williams*
Clean Energy Sustain.
2024,
2
(4), 10016; 
Open Access

Article

29 January 2024

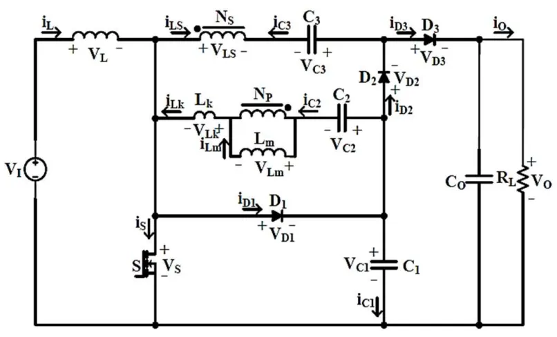
A Novel High Step-up DC-DC Converter Using State Space Modelling Technique for Battery Storage Applications

This paper focuses a novel non-isolated coupled inductor based DC-DC converter with excessive VG (voltage gain) is analyzed with a state-space modeling technique. It builds up of using three diodes, three capacitors, an inductor and CI (coupled inductor). The main switch S is turn on due to body diode and voltage stress is reduced at the switch S by using diode D1 and Capacitor C1. This paper focuses on design modelling, mathematical calculations and operation principle of DC-DC converter is discussed with state-space modelling technique. The performance has been presented for two different voltages for EV applications, i.e., 12 V, 48 V as input voltages with a high step-up outputs of 66 V and 831.7 V respectively. The converter stability is studied and determined the bode plot along with simulation performance results which are carried out using MATLAB R2022B.utf-8

Rajanand Patnaik Narasipuram*
Clean Energy Sustain.
2024,
2
(1), 10003; 
Open Access

Article

13 March 2024

The Potential of Salinity Gradient Energy Using Reverse Electrodialysis to Generate Electricity for Seawater Desalination Plants, an Example from Western Australia

Seawater desalination plays a vital role in addressing the increasing global demand for freshwater. However, the energy-intensive nature of desalination processes and the generation of brine by-products pose environmental challenges. In Western Australia (WA), approximately 48% of freshwater is supplied by two seawater desalination plants employing the energy-intensive seawater reverse osmosis (SWRO) method. These plants are powered by a combination of renewable and conventional energy sources. Typically, the most efficient approach for desalination plants involves a blend of renewable energy sources. Salinity gradient energy (SGE) harnessed through the reverse electrodialysis (RED) system, which derives energy from mixing waters with varying salinities, has emerged as a potential solution. RED utilizes ion-exchange membranes to convert the chemical potential difference between two solutions into electric power. The net specific energy of SGE, calculated based on the Gibbs free energy associated with mixing seawater and wastewater, is estimated at approximately 0.14 kWh per cubic metre of brine for SWRO desalination plants. The combined SGE potential of WA’s two desalination facilities theoretically amounts to approximately 87.4 MWh of energy. However, due to the inherent limitations of the RED system’s current energy efficiency, only about 2.5% of the desalination plant’s energy requirements can be met through this technique. This paper addresses a significant gap in the literature by analyzing the technical and economic constraints of utilizing salinity gradient energy (SGE) through the reverse electrodialysis (RED) system for seawater desalination plants. This marks the first examination of its kind, shedding light on both the technical feasibility and economic challenges of SGE-RED application in this context. The scientific contribution lies in its innovative approach, integrating technical and economic perspectives to provide an understanding of SGE-RED technology’s potential drawbacks and opportunities. By identifying and tackling these challenges, this paper aims to pave the way for optimizing SGE-RED systems for practical implementation in seawater desalination plants.utf-8

Reza Rezaee*
Clean Energy Sustain.
2024,
2
(2), 10006; 
Open Access

Article

21 November 2024

The Impact of Renewable Energy Consumption, Economic Growth, Globalization, and Financial Development on Carbon Dioxide Emissions: Evidence from Selected G7 Economies

The aggregate upsurge in carbon dioxide emissions (CO2) witnessed through environmental degradation and global climate change is a call for great concern. This, therefore, calls for the enactment, utilization and implementation of provisions and policies geared towards curbing this global economic bad without impeding global economic growth rates. This study ascertains the extent to which renewable energy consumption (REC), economic growth (GDP), population growth (POP), globalization (GLO), and financial development (FD) affect carbon dioxide emissions (CO2) in selected G7 economies (France, Germany, Canada, Italy, and the United Kingdom) from 19902020. The Dynamic Fixed Effect Autoregressive Distributive Lag (DFE-ARDL) and the Pooled Mean Group ARDL (PMG-ARDL) methods were employed for analysis. The empirical findings for DFE-ARDL showed that REC, GDP, and POP have an adverse association with CO2 in the long-term. However, in the short-term, REC and FD improve the environment, while GDP and POP drive CO2. It is observed that the result for REC in the short and long-run is consistent. The PMG-ARDL results revealed that REC and GLO negatively affect CO2 in the long-run, and in the short-run, GDP spurs CO2, while FD reduces it. The result summary of both methods employed demonstrates that REC, GLO, and FD benefit the environment. At the same time, GDP and POP harm the environment in the short-run but reduce CO2 in the long-run. Conclusively, the research recommends increasing the utilization of renewable energy and policies that enable economic growth and CO2 to move in the opposite direction.utf-8

Agbortoko Agbortoko Egbe
Oluwatoyin Abidemi Somoye*
Huseyin Ozdeser
Clean Energy Sustain.
2024,
2
(4), 10020; 
Open Access

Case Report

26 February 2024

‘Greening’ an Oil Exporting Country: A Hydrogen and Helium Closed-cycle Gas Turbines Case Study

Holistic decarbonisation requires collaborative efforts and substantial investments across diverse economic sectors. This study introduces an innovative national approach, blending technological insights and philosophical considerations to shape decarbonization policies and practices. Libya is the case study. The proposed framework involves submersible power stations with continuous-duty helium closed-cycle gas turbines to supply electricity demand and hydrogen. Extensive national data is analysed, incorporating factors such as sectoral consumption, sea temperature, and port locations. An analytical model is developed, providing a valuable foundation for realistic decarbonization scenarios. The model aims to maintain the benefits of current energy consumption, assuming a 2% growth rate, while assessing changes in a fully green economy. The results offer qualitative and quantitative insights on hydrogen use and an expected rise in electricity demand. Two scenarios are examined: self-sufficiency and replacing oil exports with hydrogen exports. This study provides a quantitative perspective on decarbonization, focusing on a submersible helium closed cycle gas turbine concept resistant to natural disasters and proliferation. Findings underscore the substantial changes and investments needed for this transition, identifying primary needs of 27 GW or 129 GW for self-sufficiency and exports, respectively. This foundational analysis marks the start of research, investment, and political agendas toward decarbonization.utf-8

Abdulwahab Rawesat*
Pericles Pilidis*
Clean Energy Sustain.
2024,
2
(2), 10005; 
Open Access

Article

25 October 2024

Supply Chain of Grey-Blue Hydrogen from Natural Gas: A Study on Energy Efficiency and Emissions of Processes

Hydrogen energy offers a significant potential for reducing carbon emissions and integrating clean energy across sectors such as heavy-duty vehicles, energy-intensive industries, and building heating. This study analyzes the energy efficiency and emissions of grey and blue hydrogen supply chains, identifying key issues such as high energy consumption and losses in transportation, steam methane reforming, and liquid hydrogen storage. Truck transportation emerges as the highest emitter, with emissions ranging from 0.140 to 0.150 kg CO2e per kg of hydrogen. Using a bi-objective Dijkstra Algorithm, the study identifies the most energy-emissions-efficient pathways and reveals a trade-off between energy efficiency and greenhouse gas emissions. Grey hydrogen shows higher energy efficiency (38.0%) but higher emissions (0.1689 kg CO2e per kg of hydrogen). In contrast, with 60% and 90% carbon capture and storage, blue hydrogen has slightly lower energy efficiencies (37.5% and 36.9%) but reduced emissions (0.1564 and 0.1514 kg CO2e per kg of hydrogen). Liquefied natural gas and hydrogen offer high energy efficiency but increase emissions, while compressed natural gas and hydrogen slightly reduce efficiency but nearly halve emissions. Hence, compressed options are preferable for an energy-emissions-efficient shortest path.utf-8

Hamza El Hafdaoui*
Mohamed Abbas Hattati
Ahmed Khallaayoun
Clean Energy Sustain.
2024,
2
(4), 10018; 
Open Access

Article

28 November 2024

A Review of the Energy Policy in Greece in the Last 50 Years and Its Implications for Prosperity

This paper elucidates the development of electricity production and distribution in Greece from the 1950s to date, in correlation with national and European energy policy. During this period, Greece experienced a multifaceted energy transition, including both the transition of ownership of energy generation companies from public to private and a transition from an energy mix in which coal (lignite) served as a major and inexpensive resource to a mix in which wind power, solar power and natural gas gained a primary role, but with high costs for energy generation. The correlation between electrical energy consumption and economic growth is explored in this context, revealing an increase in consumption before the 2009 recession and a decline thereafter. The study investigates the correlation between escalating electricity prices and legislative dependencies that mandated the purchase of wind- and solar-generated electricity at exorbitant rates, the closure of cost-effective lignite units, and the reliance on natural gasa commodity susceptible to geopolitical shifts. It also shows that, given the structure of the Greek energy mix, the increase in the share of wind and solar energy in the mix is directly related to the increase in the price of electricity. Highlighting the importance of energy costs for prosperity, this paper underscores, through the detailed review of the Greek energy “landscape”, that the major determinants of electricity prices are both the accessibility to natural resources but also their proper and judicious management.utf-8

G.-Fivos Sargentis*
Romanos Ioannidis
Nikos Mamassis
Vassilios Zoukos
Demetris Koutsoyiannis
Clean Energy Sustain.
2025,
3
(1), 10021; 
Open Access

Article

16 January 2024

The Interplay between Experimental Data and Uncertainty Analysis in Quantifying CO2 Trapping during Geological Carbon Storage

Numerical simulation is a widely used tool for studying CO2 storage in porous media. It enables the representation of trapping mechanisms and CO2 retention capacity. The complexity of the involved physicochemical phenomena necessitates multiphase flow, accurate fluid and rock property representation, and their interactions. These include CO2 solubility, diffusion, relative permeabilities, capillary pressure hysteresis, and mineralization, all crucial in CO2 trapping during carbon storage simulations. Experimental data is essential to ensure accurate quantification. However, due to the extensive data required, modeling under uncertainty is often needed to assess parameter impacts on CO2 trapping and its interaction with geological properties like porosity and permeability. This work proposes a framework combining laboratory data and stochastic parameter distribution to map uncertainty in CO2 retention over time. Published data representing solubility, residual trapping, and mineral trapping are used to calibrate prediction models. Geological property variations, like porosity and permeability, are coupled to quantify uncertainty. Results from a saline sandstone aquifer model demonstrate significant variation in CO2 trapping, ranging from 17% (P10 estimate) to 56% (P90), emphasizing the importance of considering uncertainty in CO2 storage projects. Quadratic response surfaces and Monte Carlo simulations accurately capture this uncertainty, resulting in calibrated models with an R-squared coefficient above 80%. In summary, this work provides a practical and comprehensive framework for studying CO2 retention in porous media, addressing uncertainty through stochastic parameter distributions, and highlighting its importance in CO2 storage projects. utf-8

Marcos Vitor Barbosa Machado*
Mojdeh Delshad
Kamy Sepehrnoori
Clean Energy Sustain.
2024,
2
(1), 10001; 
Open Access

Article

29 January 2024

The “Global Change Data Base” GCDB Facilitates a Transition to Clean Energy and Sustainability

This article presents the opportunities for constructing a global data base picturing underlying trends that drive global climate change. Energy-related CO2 emissions currently represent the key impact on climate change and thus become here the object of deep, long-term and historiographic analysis. In order to embrace all involved domains of technology, energy economy, fuel shares, economic efficacity, economic structure and population, a “Global Change Data Base” (GCDB) is suggested, based on earlier worldwide accepted data repositories. Such a GCDB works through regressions and statistical analysis of time series of data (on extensive magnitudes such as energy demand, population or Gross Domestic Product, GDP) as well as generation of derived data such as quotients of the former, yielding intensive magnitudes that describe systems and their structural properties. Moreover, the GCDB sets out to compute the first and second time derivatives of said magnitudes (and their percentual shares) which indicate new long-term developments already at very early phases. The invitation to participate in this foresight endeavour is extended to all readers. First preliminary GCDB results quantitatively portray the evolutionary structural global dynamics of economic growth, sectoral economic shifts, the shifts within energy carriers in various economic sectors, the ongoing improvements of energy intensity and energy efficiency in many economic sectors, and the structural changes within agricultural production and consumption systems.utf-8

Gilbert Ahamer*
Clean Energy Sustain.
2024,
2
(1), 10002; 

Special Issues All Special Issues

Journal Issues All issues

Online ISSN: 2959-7676

Print ISSN: 2959-7668

Copyright © 2026 SCIE Publishing Ltd and East China University of Science and Technology. Published by SCIE Publishing Ltd.
TOP