Articles (58)

Open Access

Article

06 May 2026

Dispersion During Underground Hydrogen Storage in Depleted Gas Reservoirs

Dispersion in porous media is a multiscale process that governs the distribution and mixing of fluids in the subsurface. In underground hydrogen storage, dispersion is particularly critical due to hydrogen’s low molecular weight and large density contrast relative to natural gas. In addition to this, cyclic operations amplify mixing and transport effects beyond what is typically observed during conventional gas injection and storage. The apparent mixing observed during storage arises from the combined influences of localized dispersion, heterogeneity-driven channeling, and gravity segregation. Distinguishing between local, echo, and transmission dispersion provides a start for understanding reversible and irreversible components of mixing, and for connecting localized processes with field-scale performance. This study develops a systematic method to quantify dispersion in hydrogen storage within depleted gas reservoirs by combining analytical solutions of the convective–diffusive equation with multidimensional numerical simulations. The approach translates concentration fields into effective dispersion coefficients using different methods for mixing-zone length analysis. This enables evaluation across different permeability distributions, anisotropies, and spatial correlation lengths. The method is applied under both linear and radial flow conditions, including cyclic injection and production, to capture the distinct roles of gravity segregation, heterogeneity, and boundary conditions. Across the studied cases, the effective dispersion coefficient increases from approximately 1.03 to 3.5 m2/day as the Dykstra–Parsons coefficient increases from 0.3 to 0.9. Gravity segregation significantly alters plume evolution, reducing effective mixing zone lengths and introducing asymmetric displacement behavior. Under cyclic radial injection–production, incomplete plume reversal leads to persistent concentration halos, indicating irreversible mixing. The ratio of echo to transmission dispersion further quantifies the degree of irreversibility in the system. This work establishes a quantitative framework for characterizing dispersive transport in hydrogen storage systems and provides a basis for evaluating storage performance and reversibility under realistic subsurface conditions.

Kartik Mawa*
Bruno Ramon Batista Fernandes
Mojdeh Delshad
Larry W. Lake
Kamy Sepehrnoori
Clean Energy Sustain.
2026,
4
(2), 10009; 
Open Access

Review

27 April 2026

Engineering High-Performance CIGS Solar Cells: Structural Design and Process Development

The development of high-efficiency copper indium gallium diselenide (CIGS) solar cells is currently driven by a dual strategy of internal structural refinement and integration into multi-junction tandem architectures. This study aims to systematically analyze the key design and optimization strategies required to overcome the 33.7% Shockley–Queisser limit of single-junction devices. The results demonstrate that bandgap engineering, particularly through double-graded “notch” profiles, significantly enhances charge carrier collection and improves overall device performance, while alkali metal post-deposition treatments effectively reduce interface recombination losses. Furthermore, integrating CIGS with perovskite top cells in two-terminal (2T) and four-terminal (4T) configurations is a promising pathway to achieving efficiencies exceeding 30%. By combining advanced vacuum-based fabrication techniques, such as the three-stage co-evaporation process, with precise optical management, CIGS technology is positioned as a versatile candidate for both high-performance terrestrial and radiation-tolerant space applications.

Damir Istamov*
Asliddin Komilov
Clean Energy Sustain.
2026,
4
(2), 10008; 
Open Access

Article

20 April 2026

Assessing the Role of Renewable Energy, Environmental Taxes, and Energy Use in Shaping Greenhouse Gas Emissions in Nigeria

Amid persistent environmental pressures linked to energy dependence and structural inefficiencies, this study represents one of the first empirical attempts to concurrently investigate the effects of renewable energy, green technology, environmental taxes, economic growth, energy imports, and government effectiveness on greenhouse gas emissions (GHGE) using data updated through 2024 for Nigeria’s evolving economy. Using the “Autoregressive Distributed Lag” (ARDL) approach with “Granger causality” analysis, the results confirm a stable long-run association between the indicators. Renewable energy and energy imports indicate a negative correlation with GHGE in both the near and long term, supporting Nigeria’s low-carbon transition. Economic growth reduces emissions in the near term but shows no significant long-run effect. Environmental taxes exhibit a weak positive association with emissions, reflecting enforcement and institutional limitations, while green technology and government effectiveness show negative but insignificant impacts. The causality findings reveal unidirectional links from environmental taxes to emissions and from emissions to government effectiveness. The results highlight the importance of strengthening renewable energy, diversifying energy sources, and enhancing institutional capacity to achieve sustainable environmental outcomes in Nigeria.

Peter Oluwasegun Igunnu
Oluwatoyin Abidemi Somoye*
Huseyin Ozdeser
Clean Energy Sustain.
2026,
4
(2), 10007; 
Open Access

Article

30 March 2026

Evaluation of Power Grid Investment Effectiveness in New Power Systems Considering Decision Psychology and Sustainable Development: An Empirical Study Based on Chinese Urban Power Grid Simulation

The evaluation of investment effectiveness in power grids oriented towards new-type power systems is a critical issue for advancing grid transformation and enhancing the scientific basis of investment decision-making. To address the current challenges—such as single-dimensional evaluation, strong subjectivity in index weighting, and insufficient consideration of risks and decision-makers’ psychological factors—this paper aims to construct a hybrid evaluation framework that comprehensively reflects both objective data and subjective decision-making preferences. First, a comprehensive evaluation index system is established, encompassing four dimensions: low-carbon performance, safety, economic efficiency, and intelligence. Second, an innovative integration of the Back Propagation Neural Network (BPNN), the CRITIC method, and the Entropy Weight Method (EWM) is conducted. The combination weights are determined through game theory to scientifically quantify the importance of each index. Based on this, the Improved Cumulative Prospect Theory (ICPT) is introduced to characterize decision-makers’ psychological behavior under uncertainty. Furthermore, by combining Grey Relational Analysis (GRA) and the Technique for Order Preference by Similarity to an Ideal Solution (TOPSIS), an ICPT-GRA-TOPSIS comprehensive evaluation model is constructed. An empirical study of 13 typical urban power grids in China reveals that the proposed model can effectively identify the strengths and weaknesses of investment effectiveness across different regions, categorizing them into development tiers such as “multi-objective collaborative leading type”, “key breakthrough but unbalanced type”, and “system-lagging type”. More importantly, the sensitivity analysis of decision-making psychology demonstrates that the evaluation of investment strategies is highly dependent on decision-makers’ risk attitudes and value orientations. This provides critical quantitative decision-making references for formulating differentiated, precise investment strategies for power grids, offering significant theoretical and practical value for guiding power grid enterprises in optimizing resource allocation and supporting the construction of new-type power systems.

Yuxuan Tong*
Zhengyang Guo
Quance Ren
Clean Energy Sustain.
2026,
4
(1), 10006; 
Open Access

Review

27 March 2026

Artificial Intelligence in Photovoltaic Power Systems: A Bibliometric and Thematic Analysis of Knowledge Structures, Research Evolution, and Emerging Directions Toward Sustainable Energy Systems

Artificial intelligence (AI) has rapidly become a core enabling technology in photovoltaic (PV) power systems, supporting improvements in forecasting accuracy, operational control, fault diagnosis, and system-level energy management. Despite the rapid growth of this field, a comprehensive understanding of its intellectual structure, thematic evolution, and emerging methodological directions remains fragmented. To address this gap, this study develops an integrated bibliometric-thematic analysis framework to systematically map the knowledge structure, research trajectories, and methodological frontiers of AI applications in PV power systems. The analysis is based on 4752 peer-reviewed journal articles indexed in Scopus (2006–2025). It combines performance analysis, co-citation analysis, keyword co-occurrence analysis, and bibliographic coupling to answer five structured research questions. The results demonstrate that PV power forecasting constitutes the central intellectual backbone of AI-based PV research, with the highest citation concentration and the strongest thematic connectivity across clusters. Thematic evolution analysis reveals a clear methodological transition from conventional machine learning models toward hybrid deep learning architectures, uncertainty-aware prediction frameworks, and physics-based AI integration. Furthermore, emerging research frontiers are characterized by generative learning models, multi-source data fusion strategies, and resilience-oriented fault diagnostics, while critical gaps persist in benchmarking standardization, uncertainty quantification, system-level integration, and large-scale industrial deployment. Unlike prior reviews that focus on isolated technical applications, this study provides the first integrated performance analysis and science-mapping synthesis that connects intellectual foundations, thematic evolution, and frontier innovations across the entire AI-based PV ecosystem. The findings offer a structured research roadmap and actionable guidance for researchers, PV plant operators, and policymakers aiming to design intelligent, scalable, and resilient PV energy systems that support the global low-carbon transition.

Altyeb Ali Abaker Omer*
Ibrahim Issa Mohamed Issa
Mohamed Ibrahim Abdallh Babeker
Otibh M. M. Abubkry
Clean Energy Sustain.
2026,
4
(1), 10005; 
Open Access

Review

13 March 2026

Recent Progress in Photonic Design and Charge Transport Optimization for Organic Solar Cells

Organic solar cells (OSCs) are attracting attention as a possible replacement for traditional photovoltaics because they are low-cost, lightweight, and have adjustable optoelectronic features. The commercialization of single-junction OSCs still faces challenges in achieving high power conversion efficiency (PCE) and operating stability. Recent developments in photonic crystals, plasmonics, nanophotonics, and metamaterials have significantly addressed these issues, especially in single-junction systems. This paper reviews the latest advancements in charge transport engineering, nanophotonic light-trapping methods, and nanostructured interfaces specifically designed for single-junction OSCs. It also highlights recent record-breaking efficiencies that exceed 20% PCE. We discussed integrating plasmonic nanoparticles, optical microcavities, nanostructured electrodes, and improved photonic materials to increase light absorption, exciton dissociation, and charge collection within the specific limitations of single-junction devices. Furthermore, we stress the important role of computational modeling and recent experimental breakthroughs in enhancing optical and electrical performance. Rather than treating optical and electrical processes independently, this review emphasizes the synergistic role of photonic enhancement strategies in simultaneously improving light trapping and charge transport, highlighting how nanophotonic designs influence carrier generation, recombination, and extraction in single-junction OSCs.

Mirza Sanita Haque
Simon Y. Foo*
Clean Energy Sustain.
2026,
4
(1), 10004; 
Open Access

Article

25 February 2026

Optimizing SI Engine Performance and Emissions with Gasoline-Ethanol and Gasoline-Methanol Blends

Although fossil fuels are the primary source of energy in the world, their greenhouse gas emissions and other pollutants provide serious environmental problems. This study uses a gasoline blend with ethanol and methanol to examine the emissions and performance of a spark ignition (SI) engine. An experimental design focused on engine input factors such as load and fuel blends. Brake-specific fuel consumption (BSFC), brake thermal efficiency (BTE), and emissions of carbon monoxide (CO), hydrocarbons (HC), and nitrogen oxides (NOx) were examined about these parameters using Taguchi’s L16 orthogonal array and ANOVA via Minitab 18. The results show that 80% engine load and a 15% blend for both ethanol and methanol provide the best engine performance, greatly lowering BSFC and raising BTE. Notably, 20% engine load and 15% blend result in the lowest CO emissions, whilst 20% load and 0% blend result in the lowest NOx emissions. Also, 20% load and 15% blend result in the lowest HC emissions. This study highlights the potential of alternative fuel blends to improve engine efficiency and reduce hazardous emissions.

Firi Ziyad*
Sultan Aman
Habtamu Alemayehu
Adamu Hailu
Clean Energy Sustain.
2026,
4
(1), 10003; 
Open Access

Article

24 February 2026

Bi-Level Optimal Configuration of Multi-Building Flexible Interconnected Energy Systems Considering Multi-Energy Complementarity

Flexible interconnection among different building types holds significant importance for integrating distributed energy resources, mitigating regional load peak-valley differences, and enhancing the local consumption capacity of renewable energy. Addressing the issue of insufficient multi-energy synergy in multi-building clusters, this paper proposes a bi-level optimal configuration method for flexible interconnected energy systems that accounts for multi-energy complementarity. By constructing a comprehensive multi-energy flow model encompassing all elements of source, network, load, storage, and conversion, a bi-level optimization framework is established. The upper level aims to minimize total lifecycle cost and carbon emissions, while the lower level targets maximizing the renewable energy self-consumption rate and minimizing daily operational cost. An improved NSGA-II algorithm integrating Lévy flight and a good point set is employed for an efficient solution. Simulation results demonstrate that the proposed scheme can achieve cross-spatiotemporal energy transfer and multi-energy collaborative optimization. In a typical summer day scenario, the system’s renewable energy self-consumption rate increased to 96.20%, operational cost was reduced by 8.83%, and carbon emissions decreased by 10.18%, validating the effectiveness and superiority of the method in improving energy utilization efficiency and supporting the low-carbon and economic transition of regional building systems. The outcomes of this study can provide theoretical support and engineering reference for the low-carbon, economical, and efficient planning of multi-building energy systems.

Wenyong Wang*
Xiaolong Xu
Shuhao Li
Benqiang Li
Jun Hao
Clean Energy Sustain.
2026,
4
(1), 10002; 
Open Access

Article

05 February 2026

Geospatial Analysis of Energy Requirements for Supplying Desalinated Seawater to the Greek Territory

Greece confronts intensifying water scarcity driven by population growth, urbanization, tourism, and climate variability, despite its extensive coastline. Traditional sources are strained, with agriculture consuming ~80% of withdrawals (surface water ~38%, groundwater ~62%). Desalination, predominantly reverse osmosis (RO), offers a mature solution, already meeting 30–95% of domestic needs in Aegean islands, but its energy intensity challenge sustainability within the water–energy–food nexus. This study presents a geospatial framework to assess energy requirements for a hypothetical scenario in which seawater desalination fully supplies domestic water demand in Greece. High-resolution GIS data, WorldPop population grids, and hydrological networks enable estimation of daily demand (173 L/capita/day) and energy decomposition: desalination (SEC = 5 kWh/m3 SWRO), elevation pumping plus residual pressure (15 m head), and frictional losses. The hypothetical pipelines follow reverse natural drainage paths for realistic routing. Results highlight substantial spatial disparities: inland cities face significantly higher and more uniform energy costs (Ioannina: mean dynamic head 8.3 kWh/m3, ~43% higher than the coastal reference of Athens at 5.8 kWh/m3), driven by elevation and distance; coastal centres show lower means but greater variability (Athens: highest total ~3.35 GWh/day). In summary, fully supplying domestic water demand via desalination would necessitate an additional ~8% of the country’s total electricity consumption. Findings affirm desalination’s potential for coastal/island supply while revealing energy barriers inland.

G.-Fivos Sargentis*
Ilias Arvanitidis
Marios-Athanasios Angelidis
Clean Energy Sustain.
2026,
4
(1), 10001; 
Open Access

Review

12 December 2025

Bibliometric Review of Bio-Based Building Materials and a Comparison with Prior Research: Toward Probabilistic Approaches for Material Variability

The purpose of this article is to extend previous bibliometric research on bio-based building materials by conducting a comparative analysis. The objective is to expand the initial study by applying a broader and more inclusive set of search terms to evaluate the sensitivity of Web of Science to keyword variations. In parallel, a separate bibliometric analysis is performed on research related to probabilistic approaches, which are essential for managing the variability and uncertainty in building material properties. Finally, a third bibliometric analysis is carried out at the intersection of these two fields: bio-based building materials and probabilistic methods. This integrated analysis aims to highlight the existing gap in the literature. The findings reveal the limited application of probabilistic approaches in the study of bio-based building materials and underscore the need to incorporate uncertainty quantification and stochastic modeling to understand better and optimize these sustainable construction resources. Overall, the results highlight two main outcomes. First, they demonstrate the strong sensitivity of bibliometric outcomes to the choice of search terms and databases, emphasizing the need for transparent and consistent keyword strategies; second, they show that the overlap between probabilistic approaches and bio-based materials research remains extremely limited, underscoring the importance of fostering stronger integration between these areas.

Sara Darwish
Ariane Abou Chakra*
Tamara Al Bittar
Joseph Absi
Clean Energy Sustain.
2025,
3
(4), 10019; 
Open Access

Article

02 December 2025

The Role of Electric Vehicles in Environmental Transformation-Goal Towards a Pollution-Free Climate

Government agencies have worked tirelessly to minimize the effects of pollution. This problem is pretty dominant in developing countries like Pakistan. The world is facing a severe problem in the form of pollution and the greenhouse effect in recent years. At present, cities like Karachi and Lahore are facing a very high index of Air pollution caused by vehicular emissions. In this framework, the current research proposes an optimized design of student electric vehicles to attenuate environmental pollution. Electric vehicles produce zero tailpipe emissions, which means no toxic gases. A Carbon Footprint Analysis is conducted in the proposed study to measure the effect of greenhouse gases over the various phases of a vehicle’s life. To simulate the long-term impacts of electric vehicles on the environment, Agent-based Modelling is performed. It mainly includes the analysis of technological advancements in battery recycling. The idea of the student electric vehicle is based on several key points, including the use of an AGS (Automatic Gear System) and Self-Driving mode, to make it easier for students to navigate. Further, a sensing mechanism is developed for predictive maintenance and diagnostics. Hence, the proposed idea of student electric vehicles may be a game-changer for the students by providing them with a safe and pollution-free environment. The analysis shows that EVs like those proposed by students will reduce life cycle emissions by upto 71 percent as compared to ICE.

Afraz Khalid
Saim Haider
Zahid Hussain
Saqlain Abbas*
Clean Energy Sustain.
2025,
3
(4), 10018; 
Open Access

Article

03 November 2025

Sequential Thermal and Optical Upgrades for Passive Solar Stills: Toward Sustainable Desalination in Arid Climates

This study investigates the thermal performance and freshwater productivity of a passive single-slope solar still under four distinct configurations, aimed at enhancing distillation efficiency using low-cost modifications. The experiments were conducted in Tabuk, Saudi Arabia (28°23′50″ N, 36°34′44″ E), a region characterized by high solar irradiance ranging from 847 to 943 W/m2. The baseline system, constructed with a stainless-steel basin and inclined transparent glass cover, served as the control, achieving a cumulative distillate yield of 3.237 kg/m2/day and a thermal efficiency of 36.27%. Subsequent modifications included the addition of external reflective mirrors (Experiment 2), aluminum foil foam insulation (Experiment 3), and internal enhancements with side glass panels and internal aluminum mirrors (Experiment 4). Results demonstrated that the external mirror modification improved the distillate yield by 16% to 3.757 kg/m2/day, with a corresponding efficiency of 41.66%. However, insulation under dusty conditions led to a reduced yield of 2.000 kg/m2 and an efficiency of 25.18%, highlighting the critical influence of solar transmittance. The most notable improvement was recorded in the fourth configuration, which combined internal reflective elements and transparent side panels, resulting in a maximum yield of 4.979 kg/m2/day and thermal efficiency of 56.45%. These findings confirm that optical and thermal design enhancements can significantly augment the performance of passive solar stills, especially under high-irradiance, clear-sky conditions. The proposed modifications are low-cost, scalable, and suitable for implementation in remote and arid regions facing freshwater scarcity. This study offers valuable insights into the systematic optimization of solar distillation systems to improve sustainable water production.

Hossam AbdelMeguid*
Khalid Alanazi
Abdullah F. Al-Shammari
Omar Al-Twaim
Abdulaziz Aljuhani
Nawaf Al-Shahrani
Mosuf Nabhan
Clean Energy Sustain.
2025,
3
(4), 10017; 
Open Access

Article

31 October 2025

Performance Evaluation of Machine Learning Algorithms for Predicting Organic Photovoltaic Efficiency

This study forecasts the power conversion efficiency (PCE) of organic solar cells using data from experiments with donors and non-fullerene acceptor materials. We built a dataset that includes both numerical and categorical features by using standard scaling and one-hot encoding. We developed and compared several machine learning (ML) models, including multilayer perceptron, random forest, XGBoost, multiple linear regression, and partial least squares. The modified XGBoost model performed best, achieving a root mean squared error (RMSE) of 0.564, a mean absolute error (MAE) of 0.446, and a coefficient of determination (R2) of 0.980 on the test set. We also assessed the model’s ability to generalize and its reliability by examining learning curve trends, calibration curve analysis, and residual distribution. Plots of feature correlation and permutation importance showed that ionization potential and electron affinity were key predictors. The results demonstrate that with proper tuning, gradient boosting methods can provide highly accurate and easy-to-understand predictions of organic solar cell efficiency. This work establishes a repeatable machine learning process to quickly screen and thoughtfully design high-efficiency photovoltaic materials.

Mirza Sanita Haque
Simon Y. Foo*
Clean Energy Sustain.
2025,
3
(4), 10016; 
Open Access

Communication

24 October 2025

Investigating Potential PFAS Emissions from Initial Electrolyzer Operation

The fluoropolymers used in proton exchange membrane (PEM) water electrolysis are part of the broad OECD definition of per- and polyfluoroalkyl substances (PFAS), a family of substances subject to increasing regulation. Potential PFAS emissions during commercial operation have been investigated in PEM fuel cells, but have not been reported for PEM electrolyzers. Based on previous measurements of fluoride release rates in water, potential emissions of fluorinated substances are likely to be detectable during the onset of stack operation. This observation is extended to evaluating potential PFAS emissions by collecting and analyzing recirculated water samples from a multi-megawatt PEM electrolyser plant in the first ~2 weeks of operation. No PFAS substances were detected using U.S. EPA Method 1633, consistent with the lack of observed degradation based on cell voltage and fluoride measurements. Methodologies for selecting and handling water samples were established. Minimizing gas crossover and maintaining water quality during electrolyzer operation can mitigate potential chemical degradation via hydroxyl radical formation. Implementing dual uses of the reverse osmosis deionization system to provide water and wastewater treatment can increase closed-loop operation and minimize potential PFAS emissions from wastewater.

Parikhit Sinha*
Bibek Tripathi
Clean Energy Sustain.
2025,
3
(4), 10015; 
Open Access

Article

25 September 2025

Detection and Classification of Faults in a Photovoltaic System—A New Hybrid Algorithm

Four main types of faults can occur at the DC side of any Photovoltaic System (PVS). These faults are quite dangerous and can cause permanent damage to the photovoltaic modules if not addressed promptly. The faults include open circuit, short circuit, degradation, and partial shading. Short circuit faults are classified into line-to-line (L-L) and line-to-ground (L-G). Detecting these faults requires specialized algorithms. This paper tackles this complex issue through (1) fault-finding equations and the placement of current sensors, and (2) a new hybrid algorithm based on data from the fault-finding equations and current sensors. Numerous simulations using PSIM 2021 were conducted to verify this proposed solution. The hybrid algorithm presented here is original compared to previous studies. It is easy to understand, responds quickly, and can be implemented in systems with photovoltaic arrays of any size.

Muhammad Abdullah*
Muhammad Qasim Shah*
Kashif Habib
Fajar Kabeer
Muhammad Basit Shakir
Rida Zainab
Abdul Kader Sekh
Clean Energy Sustain.
2025,
3
(4), 10014; 
Open Access

Article

03 September 2025

From Fossil to Future: Trade, Technology and Clean Energy Transitions in High-Impact Developing Economies

This study examines the impact of economic growth, renewable energy equipment imports, and energy use on CO2 emissions in seven developing countries over the period 2000–2021, employing second-generation panel estimators (Augmented Mean Group AMG, The Common Correlated Effects Mean Group CCEMG) that account for cross-sectional dependence and slope heterogeneity. Results show that economic growth and energy use significantly increase emissions, while renewable energy equipment imports display no direct or robust mitigating effect. This limited impact likely reflects adoption and integration challenges and the absence of complementary policies, underscoring the need for strategies that link imports to technology transfer and domestic manufacturing capacity. Granger causality tests indicate that growth and renewable energy imports drive emissions, highlighting the necessity for integrated green industrial policies, carbon pricing mechanisms, and sustainable finance instruments. These findings suggest that, for developing economies, achieving low-carbon growth requires a coordinated policy mix that aligns environmental objectives with economic development goals.

Nil SIREL OZTURK*
Clean Energy Sustain.
2025,
3
(3), 10013; 
Open Access

Article

28 August 2025

The Thermal Impact of Various Pavement Materials on Outdoor Temperature in a Temperate Four-Season Climate: A Case Study of Arak City, Iran

Urban heat and oasis effects significantly alter urban microclimates due to anthropogenic heat emissions and the thermal properties of urban surfaces. This study aims to quantitatively assess the thermal effects of different pavement types on outdoor temperatures across seasonal extremes in a temperate four-season climate. Conducted in Arak city, Iran, on 22 July and 22 January 2023, this research investigates both warm and cold seasons to provide a comprehensive understanding of pavement influence on urban microclimates throughout the year. Using the ENVI-met 5.0.3 modeling software, an environmental meteorology tool for simulating urban microclimates, the thermal performance of commonly used asphalt pavement was compared with alternative materials such as basalt and light-colored concrete on Dr. Hesabi Street. Simulation results reveal that basalt and light-colored concrete pavements reduce summer cooling loads by up to 3.49 degrees Celsius (°C), enhancing pedestrian thermal comfort, but simultaneously increase winter heating demands by 1.04 °C. This balance presents an optimal scenario to minimize adverse climate effects across seasons. The findings offer valuable insights for sustainable urban planning, promoting resilient city design strategies that mitigate heat and oasis effects in diverse climates. This study contributes actionable recommendations for urban planners seeking to balance thermal performance in temperate climates with seasonal variability.

Masoumeh Atifehpour*
Roozbeh Arabi
Clean Energy Sustain.
2025,
3
(3), 10012; 
Open Access

Case Report

11 August 2025

Transition to Hydrogen Aviation: A 2030–2050 Scenario Performance Analysis for an Airline

This study presents a realistic hypothetical scenario-based analysis of an airline’s transition from kerosene to hydrogen propulsion between 2030 and 2050, under a Techno-Economic Environmental Risk Assessment (TERA) framework. Two scenarios are modelled: a baseline fleet scenario using only conventional CMRT and CLRT aircraft, and a hydrogen transition scenario that introduces hydrogen-powered Airbus ZEROe and HVLMR aircraft starting in 2035. Using detailed aircraft (Orion from Cranfield) and jet engine (TURBOMATCH from Cranfield) performance simulations across 85 global routes, fuel consumption, energy demand, emissions, and operating costs are assessed. Strategic hydrogen hubs at London Heathrow and Neom Bay enable network feasibility for aircraft with limited range. Key findings show that the hydrogen scenario reduces total fuel mass consumption by approximately 28%, due to hydrogen’s high specific energy, and cuts CO2 emissions by 49%, assuming green hydrogen usage. However, it also results in a 9.6% increase in energy demand and ~15–20% higher cumulative operating costs, driven by greater depreciation, maintenance, and fuel price premiums. While the hydrogen transition introduces higher upfront and operational costs, it offers long-term environmental benefits and compliance with net-zero aviation goals. The study concludes that hydrogen aviation holds strategic promise but faces significant technical challenges, particularly due to the immaturity of hydrogen storage and propulsion systems. Realising this potential will require coordinated investment in infrastructure, policy support, and adaptive route planning.

Tareq Ahmed Alothaim*
Buthaynah Mohammed Alrubayan
Evangelia Pontika
Pericles Pilidis
Clean Energy Sustain.
2025,
3
(3), 10011; 
Open Access

Review

21 July 2025

Fuel Oil Combustion Pollution and Hydrogen-Water Blending Technologies for Emission Mitigation: Current Advancements and Future Challenges

In recent years, researchers have focused on exploring alternative fuel technologies that enhance engine performance and combustion efficiency while reducing nitrogen oxide (NOx) and particulate matter (PM) emissions. Water-diesel emulsified fuel, which requires no engine modifications, has emerged as a critical pathway for cleaner diesel engine applications. This review systematically examines the combustion characteristics, emission performance, and energy efficiency of emulsified fuels in compression ignition (CI) engines. Studies indicate that compared to conventional pure diesel, emulsified fuels significantly optimize combustion processes through micro-explosion phenomena, shorten ignition delays, and improve combustion efficiency. Notably, NOx and PM emissions are simultaneously reduced, effectively resolving the traditional trade-off dilemma between pollutant reduction targets. Emulsified fuel exhibits comparable power output and fuel consumption rates to those of pure diesel, while delivering enhanced environmental benefits. Additionally, innovative technologies such as hydrogen nanobubbles further enhance combustion dynamics by improving fuel atomization and radical generation, though challenges persist in stabilizing non-aqueous nanobubbles and scaling up production. Despite ongoing advancements in policy incentives (e.g., green hydrogen subsidies) and combustion mechanism research, industrial adoption of emulsified fuels still faces technical hurdles, including equipment corrosion and issues with long-term storage stability issues. In conclusion, water-based emulsified fuels and hydrogen-water blending technologies provide efficient and low-cost transitional solutions for reducing diesel engine emissions, with their multi-component synergistic optimization mechanisms laying a theoretical and practical foundation for future clean fuel development.

Hao Li
Chengcheng Tian
Xiao Xu*
Clean Energy Sustain.
2025,
3
(3), 10010; 
Open Access

Article

21 July 2025

Mechanism Obstacles and Path Breakthroughs for International Low-Carbon Technology Sharing

The deepening of global climate governance urgently needs to solve the institutional predicament between the monopoly and sharing of low-carbon technologies. In analyzing the institutional obstacles to the sharing of low-carbon technology, the study found significant asymmetric conflicts between developed and developing countries in technology supply, institutional rules, and market dynamics. The current international rule system (such as the Agreement on Trade-Related Aspects of Intellectual Property Rights and Bilateral Investment Agreement) has solidified the “central-periphery” pattern of technology distribution through tools such as “prohibition provisions on compliance requirements” and “green patent barriers”, resulting in developing countries facing dual pressures of “compliance costs” and “technology dependence”. In contrast, developed countries have fallen into the predicament of “innovation involution” due to the mismatch of technological application scenarios. Based on the theory of the technology life cycle and the perspective of subject complementarity, there is a structural mutual benefit space in the supply and demand of low-carbon technologies among different countries: developing countries can shorten the industrial decarbonization cycle through technology sharing, while developed countries rely on technology diffusion to digest excess capacity and consolidate their dominance in rules. By deconstructing the practical effectiveness of the low-carbon patent sharing platform and the defensive patent licensing model, it is highly feasible to reconstruct the technology sharing incentive framework with the “open-source mechanism”. Constructing a multi-level incentive mechanism to promote corporate participation, introducing dynamic defensive patent commitments, strengthening institutional capacity building, establishing a coordinated regulatory mechanism, and enhancing stakeholder compliance mechanisms are institutional optimization pathways. These provide a legal basis for harmonizing the exclusivity of intellectual property rights with the public nature of climate governance, and also offer strategic references for China’s participation in the formulation of global low-carbon technology regulations.

Xiaomei Wang *
Clean Energy Sustain.
2025,
3
(3), 10009; 
Open Access

Article

15 July 2025

Hydrogen Farms Baseline Economic Model

This paper presents a comprehensive economic assessment of hydrogen farms based on two distinct production technologies. The first technology involves the use of alkaline electrolysers, evaluated under two scenarios: integration with 600 MW and 900 MW combined-cycle gas turbine (CCGT) packages. The second technology focuses on proton exchange membrane (PEM) electrolysers, also analysed under the same two CCGT capacity scenarios. Across all four scenarios, the analysis incorporates the inclusion of hydrogen storage systems and a range of critical safety equipment, such as hydrogen detectors and sensors, gas detection control panels, pressure-relief valves (PRVs), flame detectors, fire suppression systems, high-pressure rupture discs, blast-proof walls, and alarm and warning systems. Alkaline electrolysers constitute most of the capital investment in alkaline hydrogen farms. In the case of a farm utilising 600 MW of combined-cycle gas turbines (CCGTs), electrolysers account for approximately 90.48% of the total capital cost of USD 0.8156 trillion, with CCGTs contributing 4.09% and hydrogen storage and safety equipment comprising the remaining 5.43%. For a similar farm equipped with 900 MW CCGTs, the total capital cost is slightly lower at USD 0.8137 trillion, where alkaline electrolysers represent 90.70%, CCGTs 3.86%, and hydrogen storage and safety systems 5.44% of the overall investment. Proton exchange membrane (PEM) electrolysers represent the largest portion of capital investment in PEM-based hydrogen farms. For a configuration incorporating 600 MW combined-cycle gas turbines (CCGTs), PEM electrolysers account for approximately 91.92% of the total capital cost of USD 1.007 trillion, with CCGTs contributing 3.31% and hydrogen storage and safety equipment comprising 4.77%. In comparison, the capital cost for a similar farm with 900 MW CCGTs is slightly lower at USD 1.005 trillion, where PEM electrolysers make up 92.10%, CCGTs account for 3.13%, and hydrogen storage and safety systems remain at 4.77% of the total investment. This study provides a foundational examination for strategic decision-makers during the transition of an economy from oil-based to non-carbon energy exports, alongside achieving zero carbon emissions. The central premise revolves around the provision of environmental performance while simultaneously avoiding economic downturns. It situates the study within Libya’s broader decarbonisation strategy and explicitly includes an additional 470 MW CCGT configuration, expanding the range of system scales assessed. The study adopts a 25-year operational lifespan, applying a cumulative cost approach that integrates both capital expenditure and long-term O&M. It presents lifetime cost figures, USD 1.2166 trillion for the alkaline 600 MW setup and USD 1.3585 trillion for the PEM counterpart, highlighting the scale of investment required. The study also explains the higher operation and maintenance (O&M) burden of PEM systems due to their sensitive components and maintenance demands, while emphasising the cost advantages of alkaline systems and stronger economies of scale when upsized. The study highlights clear differences between PEM and alkaline electrolysis technologies, especially in terms of costs and scalability. Although PEM systems are more expensive upfront—mainly due to their complex materials and shorter operational lifespan—they make better use of space and have a more compact design. On the other hand, alkaline electrolysers, which take up more land, prove to be more affordable both initially and over the system’s lifetime. Notably, scaling alkaline systems from 600 MW to 900 MW shows modest but valuable cost savings, underscoring the impact of economies of scale. These insights are particularly relevant for regions like Libya, where land is not a limiting factor and cost-efficiency is essential for project feasibility.

Esmaeil Alssalehin*
Paul Holborn*
Pericles Pilidis*
Clean Energy Sustain.
2025,
3
(3), 10008; 
Open Access

Article

24 June 2025

Modelling of Thermodynamic and Transport Properties of R452B Refrigerant with Low GWP

Accurate and reliable estimation of the thermodynamic and transport properties of refrigerants is of paramount importance for the effective design and optimization of refrigeration cycles. In the context of growing environmental concerns, there is a pressing need to transition towards more environmentally benign refrigeration systems and applications. This imperative has driven the search for alternative refrigerants with reduced environmental impact. The refrigerant R452B has emerged as a promising candidate, particularly as a suitable replacement for R410A, due to its favorable thermodynamic characteristics and significantly lower Global Warming Potential (GWP). This research addresses the critical need for precise property data by developing mathematical models for key thermodynamic and transport properties of the R452B refrigerant. Specifically, the study focuses on modelling enthalpy, entropy, specific volume, thermal conductivity, viscosity, and thermal diffusivity. These properties are fundamental to understanding the behavior of the refrigerant within refrigeration systems and are essential for accurate system design and performance prediction. To achieve this modelling objective, the genetic expression programming (GEP) methodology, a powerful evolutionary algorithm capable of automatically generating complex mathematical expressions, was employed. GEP was selected for its ability to discover intricate relationships between variables and to produce explicit equations that can be readily implemented. The accuracy and reliability of the developed GEP models were rigorously evaluated. The coefficient of determination (R2) for the predicted thermodynamic and transport properties across a range of temperatures was found to be between 97% and 99%. This high degree of accuracy demonstrates the robustness and predictive power of the generated equations. The strong correlation between the model predictions and the actual property values indicates that these equations are sufficiently sensitive and accurate to be used with confidence in engineering calculations and simulations. The newly developed mathematical models offer a valuable tool for engineers and researchers working with R452B. These models provide a means to accurately estimate the thermodynamic and transport properties of this refrigerant without the need for complex and time-consuming experimental measurements or computationally intensive simulations. By providing dependable equations, this study facilitates more efficient and accurate design, analysis, and optimization of refrigeration systems utilizing the R452B refrigerant.

Tuğba Kovacı
Arzu Şencan Şahin*
Clean Energy Sustain.
2025,
3
(2), 10007; 
Open Access

Article

23 June 2025

A Systematic Review of Clean Cooking and to Whom Does the Clean Cooking Agenda Belong? Empirical Evidence from East African Community

Today, about three billion people, including those in Tanzania, still cook using traditional methods and solid fuels. This practice, which primarily affects women and children who cook in many developing nations, contributes to serious health risks and forest degradation. Every year, household air pollution is responsible for over 34.4 million preventable deaths worldwide, with about 346,600 of those deaths occurring in East African Community and the Nile Basin. Even though switching to clean cooking technologies is a global health priority, adoption is still low in the East African community, and little is known about the factors influencing this change. To determine the factors driving East Africa’s energy transition to clean cooking, this study conducts a systematic review and looks at the history of the research agenda. A total of 308 articles were found using the Scopus database; 62 of these were chosen for analysis based on important search terms such as solar, biogas, firewood, charcoal, LPG, and electric stoves. Even though traditional fuels continue to be the most commonly used in the regions, the empirical analysis showed a focus on clean cooking technologies like electricity, improved cookstoves, and LPG. The clean cooking agenda appears to be primarily externally driven by European and USA researchers, which may have an impact on local adoption and relevance. It is noteworthy that authors from outside the region constituted 63.6 percent of publications on clean cooking in the East African Community.

Yusuph J. Kulindwa*
Clean Energy Sustain.
2025,
3
(2), 10006; 
Open Access

Review

12 June 2025

Research Progress and Key Technical Barriers in CaO/Ca(OH)2 Based Energy Storage: A Systematic Review

The CaO/Ca(OH)2 thermochemical energy storage system has garnered significant attention due to its cost-effectiveness, abundant raw material availability, optimal decomposition thermodynamics, high energy density, and recyclability as a promising candidate for large-scale renewable energy integration. Significant progress has been made in the research field of the CaO/Ca(OH)2 energy storage system, while there are still key issues that require further investigation. This comprehensive review summarizes recent advancements in CaO/Ca(OH)2 thermochemical energy storage systems, focusing on reaction mechanism and optimization through material engineering strategies, thermal-fluid dynamics in reactor configurations, cyclic degradation mechanisms under operational stresses, and scalability constraints in system integration. Persistent technical bottlenecks requiring resolution are discussed, particularly sintering-induced capacity decay and suboptimal heat transfer efficiency. The reactor design and optimization with advanced material modification techniques targeting enhanced stability are introduced as well. These discussions and derived suggestions provide a potential opportunity to bridge fundamental material science discoveries with engineering implementation for enabling deployment in stable utilization of renewable energy.

Jingxiao Wang
Yishi Gu
Dingxuan Yuan
Zhongjie Shen*
Feng Lv
Dayang Wan
Yongchuan Gao
Yuezhang Duan
Qifeng Liang
Zhenghua Dai
Haifeng Liu
Clean Energy Sustain.
2025,
3
(2), 10005; 
Open Access

Article

26 May 2025

Towards Circular Sustainable Cities: Thoughts and Recommendations for Qatar

Despite the ambitious national visions, Qatar is facing many challenges regarding the notion of sustainability. In this context, a considerable emphasis has been placed on the notion of Circular Economy (CE) to address suitability issues. Despite such an emphasis, the actual implementation of CE notions is still facing several obstacles present in, but not limited to, the Qatari context, such as heavy reliance on landfilling, water scarcity, and a heavy reliance on the oil and gas sectors. Our contention is that CE is an important factor in the sustainability equation and works towards meeting Qatar’s vision of becoming an environmentally sustainable country. by using a qualitative approach, predominantly adopting case study, document and content analysis, this paper explores the notion of CE and its implementation in light of the Qatar National Vision 2030. the challenges facing CE implementation, such as resources, qualified personnel, access to technology, and coordination between different areas of the economy, should be of prime importance for policymakers in Qatar. in order to ensure a sustainable circular city model in Qatar, the challenges related to CE implementation must be addressed accordingly. To this end, the paper suggests several policy recommendations, including the provision of adequate resources and personnel, the use of clean technology to improve the environmental quality of economic activities, in addition to the provision of adequate support and funding for the development of sustainable economic practices. These solutions will help to ensure sustainable economic development based on the concept of CE.

Ahmed Badran*
Sara Badran
Clean Energy Sustain.
2025,
3
(2), 10004; 
Open Access

Article

26 May 2025

Electric Vehicles, Artificial Intelligence, and Climate Policy

This article explores the environmental implications of electrification and artificial intelligence (AI) infrastructure, emphasizing the importance of aligning technological development with climate goals. There is a lack of academic literature that explains and analyses such issues. Section 1 assesses the climate efficacy of promoting electric vehicles (EVs) and electric heating in regions where electricity is primarily coal-based. While electrification offers substantial climate benefits when powered by clean energy, lifecycle analyses reveal that EVs in coal-reliant grids may emit more greenhouse gases than internal combustion engine vehicles. Similarly, the climate performance of electric heat pumps depends on the carbon intensity of electricity sources. The section advocates for integrated policies that simultaneously promote electrification and grid decarbonization, enhancing emissions reductions and public health while mitigating the negative impacts of increased demand on polluting power plants. Section 2 uses Saudi Arabia as a case study and examines the environmental impact of AI data centers in the context of Saudi Arabia’s energy and climate policies. It highlights AI infrastructure’s energy and water intensity and its potential to strain environmental resources. To align AI development with national sustainability goals, the article recommends policies such as siting data centers near renewable energy sources, enforcing environmental efficiency standards, fostering R&D partnerships, mandating sustainability reporting, and expanding power purchase agreements and demand response participation. These measures aim to ensure responsible AI growth within climate-aligned frameworks. The implications of this study are that electrification and AI infrastructure can significantly reduce emissions and improve efficiency if powered by clean energy, but they also risk increasing environmental strain unless technological growth is carefully aligned with climate and sustainability goals.

Moaz Alshehri
Naif Alothman
Rafael Leal-Arcas*
Clean Energy Sustain.
2025,
3
(2), 10003; 
Open Access

Editorial

12 March 2025
Maurizio Acciarri*
Clean Energy Sustain.
2025,
3
(1), 10002; 
Open Access

Article

07 March 2025

Constructing an Urban Spatial Resilience Assessment Framework Based on Public Service Facilities: A Case Study of Beijing

This paper takes Beijing as a research object to develop a framework for assessing urban public service facilities’ resilience, incorporating both macro and micro perspectives. Initially, the study utilizes spatial matching theory and coupling coordination models at the district and sub-district levels to analyze the spatial coupling between public service facility layouts and population distribution, thereby identifying regions exhibiting discrepancies in service supply and demand. Building on this foundation, the research further investigates at the neighborhood level the alignment between different types of public service facilities and residents’ daily activity patterns through the living circle theory and accessibility analysis models. From a macro perspective, research findings indicate that the layout of Beijing’s public service facilities exhibits a radial structure of centralized clustering and polycentric dispersion and that the resilience of these facilities diminishes from the city center outward. Microanalysis in three outlier sub-districts of Chaoyang District reveals that the accessibility to cultural and social welfare facilities in Daitou Sub-district is below the regional average and exceeds the typical 15-min walking distance accessible to the average person. Based on these findings, the paper proposes specific policy recommendations, including prioritizing the establishment of multifunctional public service facilities in densely populated and underserved peripheral areas and reserving adequate land for facilities in newly developing areas to ensure the sustainability of urban growth. Additionally, it is recommended that urban planners utilize dynamic data updating mechanisms to adjust the distribution of public service facilities, thereby better accommodating changes in population structure. This study not only highlights the dual role of public service facilities in enhancing urban resilience and living quality but also provides theoretical support and empirical evidence for creating a human-centered urban resilience spatial structure.

Mengmeng Han
Su Xu
Zhechen Zhou
Jun Wang *
Clean Energy Sustain.
2025,
3
(1), 10001; 
Open Access

Article

28 November 2024

Correlations of System Degradation, Losses and Significant Parameters for 49 MW Large Scale Solar Plant with Real Site Data Validations

A smooth transition towards a clean and sustainable environment will heavily rely on the continuous increase of renewable energy (RE) integration. Malaysian authorities have set targets to increase the RE capacity to 31% by the end of 2025 and achieve 40% by 2035, specifically through the power generation plan. Solar PV systems have been widely used, from industries to residential homes, because Malaysia receives a high irradiation potential of up to 5000 Wh/year. The increase in the potential of solar PV usage has allowed solar companies to provide this system regardless of its complexity and system size. However, a drop in efficiency due to system parameters within the photovoltaic (PV) system is evident over time. This study aims to analyze the relationship between solar PV system parameters and their energy performance, particularly in a tropical climate region, for a large-scale solar (LSS) plant. This project was undertaken with two objectives: First, it is to develop an optimum solar PV system by adhering to and implementing GCPV standards in Malaysia. Stage 1 will primarily focus on managing and manipulating various PV system parameters to ensure the optimum energy yield received from the plant. The system parameters analyzed are tilt angle, module technology and its effect on different temperatures, the effect of the optimizer, sizing and thermal loss. Stage 2 will then incorporate the industry data of the LSS plant by creating a Pearson’s Correlation model on how energy yield is correlated against real time system parameter values obtained. An optimum tilt angle of 10°, monocrystalline module and inclusion of optimizer increases the overall energy production from 88,986 MWh/year to 89,782 MWh/year and performance ratio (PR) from 78.9% to 79.8%. The outcome of this study demonstrates the significant parameters of the PV system to maximize the energy output to the grid. This will further support the government’s plan to reduce GHG emissions by 45% through the use of renewable energy, with the aim of producing up to 2.5 GW from LSS systems by 2030.

Lohan Sundaram
Yun Ii Go*
Clean Energy Sustain.
2025,
3
(1), 10022; 
Open Access

Article

28 November 2024

A Review of the Energy Policy in Greece in the Last 50 Years and Its Implications for Prosperity

This paper elucidates the development of electricity production and distribution in Greece from the 1950s to date, in correlation with national and European energy policy. During this period, Greece experienced a multifaceted energy transition, including both the transition of ownership of energy generation companies from public to private and a transition from an energy mix in which coal (lignite) served as a major and inexpensive resource to a mix in which wind power, solar power and natural gas gained a primary role, but with high costs for energy generation. The correlation between electrical energy consumption and economic growth is explored in this context, revealing an increase in consumption before the 2009 recession and a decline thereafter. The study investigates the correlation between escalating electricity prices and legislative dependencies that mandated the purchase of wind- and solar-generated electricity at exorbitant rates, the closure of cost-effective lignite units, and the reliance on natural gasa commodity susceptible to geopolitical shifts. It also shows that, given the structure of the Greek energy mix, the increase in the share of wind and solar energy in the mix is directly related to the increase in the price of electricity. Highlighting the importance of energy costs for prosperity, this paper underscores, through the detailed review of the Greek energy “landscape”, that the major determinants of electricity prices are both the accessibility to natural resources but also their proper and judicious management.

G.-Fivos Sargentis*
Romanos Ioannidis
Nikos Mamassis
Vassilios Zoukos
Demetris Koutsoyiannis
Clean Energy Sustain.
2025,
3
(1), 10021; 
Open Access

Article

21 November 2024

The Impact of Renewable Energy Consumption, Economic Growth, Globalization, and Financial Development on Carbon Dioxide Emissions: Evidence from Selected G7 Economies

The aggregate upsurge in carbon dioxide emissions (CO2) witnessed through environmental degradation and global climate change is a call for great concern. This, therefore, calls for the enactment, utilization and implementation of provisions and policies geared towards curbing this global economic bad without impeding global economic growth rates. This study ascertains the extent to which renewable energy consumption (REC), economic growth (GDP), population growth (POP), globalization (GLO), and financial development (FD) affect carbon dioxide emissions (CO2) in selected G7 economies (France, Germany, Canada, Italy, and the United Kingdom) from 19902020. The Dynamic Fixed Effect Autoregressive Distributive Lag (DFE-ARDL) and the Pooled Mean Group ARDL (PMG-ARDL) methods were employed for analysis. The empirical findings for DFE-ARDL showed that REC, GDP, and POP have an adverse association with CO2 in the long-term. However, in the short-term, REC and FD improve the environment, while GDP and POP drive CO2. It is observed that the result for REC in the short and long-run is consistent. The PMG-ARDL results revealed that REC and GLO negatively affect CO2 in the long-run, and in the short-run, GDP spurs CO2, while FD reduces it. The result summary of both methods employed demonstrates that REC, GLO, and FD benefit the environment. At the same time, GDP and POP harm the environment in the short-run but reduce CO2 in the long-run. Conclusively, the research recommends increasing the utilization of renewable energy and policies that enable economic growth and CO2 to move in the opposite direction.

Agbortoko Agbortoko Egbe
Oluwatoyin Abidemi Somoye*
Huseyin Ozdeser
Clean Energy Sustain.
2024,
2
(4), 10020; 
Open Access

Article

01 November 2024

Energy Consumption and Economic Growth: Evidence from Electricity and Petroleum in Eastern Africa Region

This study investigates the distinct impacts of electricity and petroleum consumption on economic growth in Eastern Africa. Using a Panel Autoregressive Distributed Lag Model and data for a period spanning 2000 to 2021, the study examines both the short-run and long-run effects of these energy sources on Gross Domestic Product. The findings reveal that petroleum consumption has a statistically significant and positive impact on GDP in both the short run and long run. In contrast, while electricity consumption shows a positive but statistically insignificant effect on GDP in the short run, it exhibits a negative and statistically significant impact in the long run. These results suggest that policymakers in Eastern Africa should prioritize sustainable petroleum management to maximize its economic benefits while mitigating potential environmental risks. While the negative coefficient of electricity implies a corrective response of the variables to long-run equilibrium in the face of short-term shocks. As a result, it is recommended that economic shocks caused by energy consumption be considered in terms of their relationship to economic growth, whether positive or negative in the long or short term, as decision makers need to address their impact and limit such shocks on economic growth.

Nanzia F. Mmbaga*
Yusuph J. Kulindwa
Clean Energy Sustain.
2024,
2
(4), 10019; 
Open Access

Article

25 October 2024

Supply Chain of Grey-Blue Hydrogen from Natural Gas: A Study on Energy Efficiency and Emissions of Processes

Hydrogen energy offers a significant potential for reducing carbon emissions and integrating clean energy across sectors such as heavy-duty vehicles, energy-intensive industries, and building heating. This study analyzes the energy efficiency and emissions of grey and blue hydrogen supply chains, identifying key issues such as high energy consumption and losses in transportation, steam methane reforming, and liquid hydrogen storage. Truck transportation emerges as the highest emitter, with emissions ranging from 0.140 to 0.150 kg CO2e per kg of hydrogen. Using a bi-objective Dijkstra Algorithm, the study identifies the most energy-emissions-efficient pathways and reveals a trade-off between energy efficiency and greenhouse gas emissions. Grey hydrogen shows higher energy efficiency (38.0%) but higher emissions (0.1689 kg CO2e per kg of hydrogen). In contrast, with 60% and 90% carbon capture and storage, blue hydrogen has slightly lower energy efficiencies (37.5% and 36.9%) but reduced emissions (0.1564 and 0.1514 kg CO2e per kg of hydrogen). Liquefied natural gas and hydrogen offer high energy efficiency but increase emissions, while compressed natural gas and hydrogen slightly reduce efficiency but nearly halve emissions. Hence, compressed options are preferable for an energy-emissions-efficient shortest path.

Hamza El Hafdaoui*
Mohamed Abbas Hattati
Ahmed Khallaayoun
Clean Energy Sustain.
2024,
2
(4), 10018; 
Open Access

Editorial

25 October 2024
Efstathios E. Michaelides*
Clean Energy Sustain.
2024,
2
(4), 10017; 
Open Access

Review

09 October 2024

A Review of Multi-Domain Urban Energy Modelling Data

Urban energy models (UEMs) simulate energy use at the urban scale and are used to inform urban planning, policy development, infrastructure development, and digital twin monitoring and forecasting. Recent technological improvements have spurred interest in large, multi-domain UEMs, which analyse multiple interconnected parts of these energy systems, such as geography, transport, and buildings. Reviews have focussed on single domains or aspects of UEM data. However, multi-domain UEMs require detailed multi-domain data inputs to provide accurate results. This paper provides a comprehensive review of data requirements and a repository of data-specific information for researchers, including data formats, sources, acquisition methods, bridging methods, and challenges. The review was conducted using academic search engines and the authors’ direct research experience. Domains are characterised by Climate, Geographic, Building, Transportation, Demographics, Energy Networks and Consumption, and Distributed Energy Resources. Additionally, challenges common to multiple sectors are identified, and methods for addressing these are proposed. The paper concludes with a series of recommendations drawing from the general and sector-specific challenges. Overall, a large amount of data exists, but their use by urban energy modellers is limited due to lack of coordination and standardisation, and concerns over privacy and commercial interests. Coordinated public effort is required to overcome these limitations and improve the results of UEMs in the future.

Daniel Bishop
Patricio Gallardo
Baxter L. M. Williams*
Clean Energy Sustain.
2024,
2
(4), 10016; 
Open Access

Communication

22 August 2024

Mixed Matrix Membranes Produced from a Fluorinated MOF and Pebax for CO2/H2 Separation

Hydrogen (H2) emerges as a promising clean energy source, but its efficient purification from various sources needs advanced separation technologies. This study explores the use of CO2-selective membranes, especially mixed matrix membranes (MMM) incorporating KAUST-7 metal-organic framework (MOF), for hydrogen purification. The MMM was fabricated with various KAUST-7 content in a polymer matrix (Pebax 1657) and characterized via Fourier transform infrared spectroscopy (FTIR), scanning electron microscopy (SEM), thermogravimetric analysis (TGA), X-ray diffraction (XRD), and gas permeation tests. The XRD analysis confirms the incorporation of KAUST-7 into the MMM, while SEM reveals a homogeneous particle distribution at low content (below 10%) but agglomeration at higher ones (above 10%). FTIR confirms good interfacial interactions between the MOF and polymer matrix. TGA results show that the MMM thermal stability slightly decreases with increasing MOF content. Gas permeation results reveal improved CO2 permeability (79%) and CO2/H2 selectivity (19%) for MMM compared to neat Pebax membranes, with an optimal performance observed at 10 wt.% KAUST-7. Beyond this threshold, the performance deteriorates, possibly due to polymer rigidity and MOF agglomeration. Overall, the study highlights the potential of KAUST-7/Pebax MMM for enhanced hydrogen purification.

Xiao-Yuan Chen
Denis Rodrigue*
Clean Energy Sustain.
2024,
2
(3), 10015; 
Open Access

Article

15 August 2024

Hazardous Gas Monitoring with IoT Enabled Drone in Underground Tunnels and Cavities

Considering the healthiness of the atmosphere in mining activities (e.g., tunnelling), two of the most important parameters to be monitored are the concentration of oxygen and the presence of harmful gases such as CO2. Traditional methods for their measurement are fixed platforms and portable gas detectors carried by miners; they are incapable of recognizing sudden or short-term pollution events or correctly accounting for the spatial scarcity of gases. A UAV (Unmanned Aerial Vehicle) device capable of guaranteeing the measurement and continuous monitoring of concentrations has been designed. By using innovative technologies, it promotes digitization in the mining sector. This approach replaces current methods that, while effective at detecting and measuring environmental parameters, are slow, routine, and heavily reliant on human input. It saves productive expenses in the sector since it reduces costs compared to hiring a field technician for activities such as analysis of environmental conditions. This saving is about 110 euros daily, representing a 32% saving per working day for each mining technical responsible for environmental control. It also obtains a 3D spatial distribution of contaminants, a high sample resolution and a high sample resolution.. It reduces inspection time in mining works and the data collection time by more than 50%. The ECODRONE project constitutes a contribution to the MINE THE GAP challenge is a project financed with European funds whose line of desire aims to combine the innovation and development of SMEs or business groups from different regions of the mining, raw materials and materials sector. This program is aimed at strengthening the existing value chains and developing new industrial ones while designing new procedures, automated technologies, information and communication flows, which increase efficiency in the consumption of resources. All of the above implies integration with a circular economy and respect for European and global efficiency policies aimed at sustainability, industrial modernization, human health and the environment.

Johnatan González García*
Michael Striligás *
Antonis Gotsis *
Clean Energy Sustain.
2024,
2
(3), 10014; 
Open Access

Article

06 August 2024

Evaluation of a Present-Day Thermal Activity on the Constitutive Minerals of a Granite and of Its Impact on the Whole-Rock Sealing Potentials

Mineralogical and chemical analyses of the major constitutive minerals from granite des Crêtes collected near the thermal site of Plombières-les-Bains (Vosges Mountains, eastern France) clearly show that recently circulating thermal waters up to 90 °C do not impact them. Even the constitutive minerals smaller than 2 microns are not affected. As a result, all minerals reflect the entire complex tectonic-thermal history of the granitic massif rather than just the recent thermal impact. Only the open faults and natural drains contain calcite from recent thermal waters. This is confirmed by similar calcite deposits with the same elemental contents sampled in the pipes of thermal installations. As a complementary conclusion, storage of containers of nuclear waste that diffuse an overall temperature up to 100 °C will not alter the potential sealing properties of a plutonic host massif, of course, without any recent thermal drainage that could potentially spread radioactive waste. This conclusion was already obtained on a moderately faulted sedimentary environment after a one-year in-situ heating experiment at about 100 °C. Calcium is a key indicator of low thermal impact. After an initial decrease, its levels rose significantly in the most "altered" granite samples, inducing calcite precipitation, even in the water pipes at the thermal site. The negligible impact of a hydro-thermal activity at a maximum of about 100 °C in a granitic material represents, indeed, a piece of useful information, as deep sites for nuclear waste in plutonic host rocks appear to act, also, as potential isolated host systems.

Norbert Clauer*
Clean Energy Sustain.
2024,
2
(3), 10013; 
Open Access

Article

26 July 2024

Current and Future Costs of Storage for Electricity in a Decarbonized Electricity System

As power systems globally are transitioning from fossil fuels to renewable sources, integrating energy storage becomes imperative to balance variable renewable electricity generation. The core objective of this paper is to conduct a comprehensive cost assessment of selected energy storage technologies from 2023 to 2050, focusing on the Austrian electricity market. Our method combines techno-economic assessment with the technological learning method to integrate various storage technologies into a renewable electricity system, using scenarios that account for decarbonization goals. Results indicate that pumped storage hydro exhibits none or negative learning effects, while lithium-ion batteries demonstrate significant investment cost decreases. Despite investment cost reductions, underground hydrogen storage continues to incur high total costs per kWh discharged due to low roundtrip efficiency, suggesting its future outlook depends on seasonal storage needs in fossil-free power systems. An important finding of this analysis underscores the importance of optimizing the ratio of electricity demand, renewable generation expansion and storage deployment for cost-effectiveness. Excessive storage deployment leads to lower utilization and higher costs, emphasizing the necessity of at least 1500 full-load hours for profitable operation across all storage systems. Strategic planning for optimal storage deployment is emphasized to optimize utilization and minimize costs.

Marlene Sayer*
Amela Ajanovic
Reinhard Haas
Clean Energy Sustain.
2024,
2
(3), 10012; 
Open Access

Perspective

24 June 2024

High Entropy Oxides: Next-Generation Air Electrodes for Reversible Protonic Solid Oxide Cells

Reversible protonic solid oxide cell (P-SOC) operating at intermediate-temperature exhibits excellent potential as a power generation and green hydrogen production device in fuel cell and electrolysis cell modes because of the high conversion efficiency. However, the lack of efficient air electrodes is the main challenge to obtain P-SOC with remarkable performance. Typically, air electrodes should possess high proton, oxygen ion and electron conductivity, outstanding catalytic ability for oxygen reduction reaction and H2O splitting, and also long-term durability. Recently, high entropy oxides (HEO) have become popular due to their various potential applications in terms of outstanding properties, including catalysis ability, conductivity, thermal stability, etc. HEO air electrodes have been confirmed to show good electrochemical performance in P-SOC, but the complex compositions and structure make it difficult to study HEO by traditional experimental methods. Machine learning (ML) has been regarded as a powerful tool in materials research and can solve the drawbacks in the discovery of HEO in a traditional way. In this perspective, we not only discuss the current utilization of HEO in P-SOC but also provide a possible process to use ML to guide the development of HEO.

Chunmei Tang
Xiaohan Zhang
Fangyuan Zheng
Qingwen Su
Ning Wang*
Siyu Ye*
Clean Energy Sustain.
2024,
2
(3), 10011; 
Open Access

Article

13 June 2024

Optimizing Performance and Design Simulation of a 100 KW Single Rotor Horizontal Axis Wind Turbine

As wind energy becomes increasingly vital in global energy strategies, optimizing wind turbine design is essential. This research focuses on the development of a 100 kW single rotor horizontal axis wind turbine (HAWT) tailored to meet the energy needs of Jamshoro, Pakistan. The turbine design leverages SolidWorks for structural modeling and is validated through comprehensive simulations using ANSYS and Q-Blade. Operating at an optimal wind speed of 6.9 m/s, the turbine achieves maximum efficiency, as indicated by the highest power factor. This efficiency translates to an estimated power output of approximately 100 kW, suitable for common household consumption. The study integrates regional climatic data and wind conditions to enhance turbine performance and durability. The findings offer a sustainable energy solution for Jamshoro, contributing to Pakistan’s renewable energy infrastructure and addressing local energy demands effectively. The focus of this study will be Jamshoro, a region in Pakistan as a case study. The software simulations will consider a variety of elements, including as wind speeds, variable loads, and environmental factors unique to the chosen region (Jamshoro). This research proposes a sustainable solution for addressing the energy demands in Jamshoro by integrating accurate data based on software analysis with real-world concerns, adding to the larger goal of developing sustainable sources of energy in Pakistan.

Saqlain Abbas*
Muhammad Faisal
Zulkanain Abbas
Furqan Ahmad
Muhammad Umar
Clean Energy Sustain.
2024,
2
(2), 10010; 
Open Access

Article

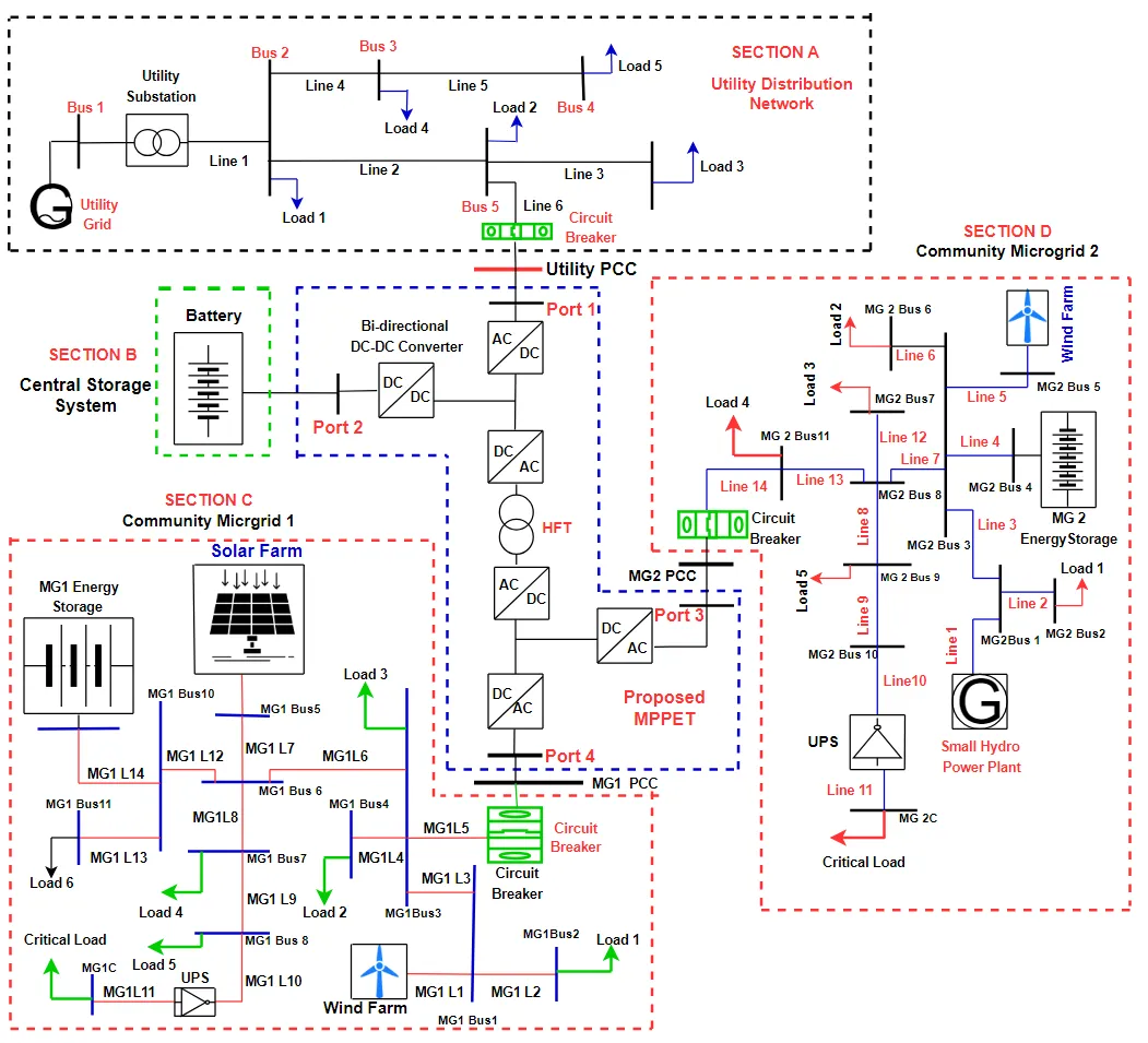
04 June 2024

Investigating and Analyzing the Impact of a Bidirectional Multiport Power Electronic Transformer Interface on the Power Quality and Stability of Interconnected Microgrids

This paper investigates the potential benefits of a bidirectional multi-port power electronic transformer (MPPET) to interface multiple microgrids with utility distribution networks in terms of power quality and stability. The main concept is based on the interaction between the utility grid, the connected microgrids, and the MPPET in controlling the disturbances that lead to grid instability and power quality issues. The proposed MPPET does not require any serious communication infrastructure for operation. In addition, the MPPET can respond to reverse power flow caused by excess power generation on the grid. Due to the intermittent nature of the renewable energy sources and the different stages involved in the design of the proposed MPPET, the system is liable to internal DC voltage fluctuation, causing grid instability; thus, an energy storage system (ESS) is incorporated to avert the challenges. The networks under investigation and the proposed MPPET are designed and simulated using MATLAB and Simulink software. The electrical isolation capability of the proposed bidirectional MPPET is verified through simulation. Several case studies have been carried out to evaluate the behavior of the system under different operating conditions and to check the feasibility of MPPET for power quality improvements. It was observed that the MPPET is proficient in regulating power quality issues, thus enhancing grid stability. It is also varied that the proposed MPPET prevents the escalation of the impact of faults or disturbances all over the grid. At the same time, it is verified that the proposed bidirectional energy storage systems enhance energy transfer between the utility grid and microgrids, which improves the system’s stability.

Ereola Johnson Aladesanmi*
Kingsley A Ogudo*
Clean Energy Sustain.
2024,
2
(2), 10009; 
Open Access

Article

23 May 2024

Numerical Study on Pyrolysis Characteristics of Oil-Based Drilling Cuttings in a Two-Layer Screw-Driving Spiral Heat Exchanger

Oil-based drilling cuttings is a pollutive nearly-solid waste produced in oil exploitation that has to be treated for meeting clean production requirement of oil and gas exploration. A two-layer screw-driving spiral heat exchanger was thus proposed for this purpose. To investigate its effectiveness and performance, a 10-component n-decane one-step product proportional distribution chemical model was used to describe oil-based drilling cuttings pyrolysis process, and numerical simulations were carried out of forced convection inside the heat exchanger with a full consideration of pyrolysis and evaporation effects. The influences of rotation speed, screw pitch and cross-sectional shape of spiral tube on pyrolysis, flow, and heat mass transfer characteristics were studied. The results show that the heat absorbed needed for evaporation is much less than that for pyrolysis, and the heat transfer coefficient with consideration of evaporation and pyrolysis is almost two times greater than that without. The pyrolysis rate increases first, and then decreases once the temperature is higher than 838 K due to the coupled effects of temperature and reactant concentration change. The velocity, heat transfer coefficient and conversion ratio of oil-based drilling cuttings all increase with rotation speed, but the conversion ratio increase becomes slower and slower once the rotation speed exceeds 0.2 rad·s−1. The average vorticity and flow resistance of oil-based drilling cuttings both decrease with screw pitch monotonously, while heat transfer coefficient increases first and then decreases because of the opposite effects of centrifugal force and thermal entrance length. Reducing screw pitch can increase conversion ratio, but once screw pitch is smaller than 800 mm, the conversion ratio approaches to a constant. Cross-sectional shape of spiral tube also affects pyrolysis performance, and circular cross-sectional spiral tube seems to be the best.

Fei Zhao
Yanxia Li*
Zhongliang Liu*
Clean Energy Sustain.
2024,
2
(2), 10008; 
Open Access

Commentary

25 April 2024

Monitoring Complexity in Clean Energy Systems Applications

Clean energy applications often involve systems with technological process monitoring. This supervision aims to optimize operation, in particular efficiency, performance and compatibility with dedicated criteria. Most of these energy systems involve complex procedures. A complex procedure is an arrangement of compound processes interacting in interdependent behaviors. The supervision of these complex procedures focuses on the interaction of compound processes, their digital coupling and the handling of uncertainties in their detection and digital tools. Real-virtual pairs, such as digital twins, could carry out such surveillance. This commentary aims to analyze and illustrate such supervision in clean electromagnetic energy systems based on a review of the literature. The notion of complexity and the interactions of the compound processes involved are first addressed and detailed. The modeling of these interactions is presented through the mathematical coupling of the electromagnetic equations with other equations of the phenomena involved. These phenomena are linked to the functional or environmental behaviors of the systems. Compound process monitoring in complex procedures is then analyzed taking into account threats, unsolicited external events and uncertainties related to the sensing and digital tools involved. This contribution illustrated several points relating to, the relationship between the complexities of a real energy procedure and its coupled virtual model, the dependence of the model reduction strategy on each specific application and the reduction of uncertainties through the matching of real-virtual pairs. The different analyses are supported by literature references permitting more information when necessary.

Adel Razek*
Clean Energy Sustain.
2024,
2
(2), 10007; 
Open Access

Article

13 March 2024

The Potential of Salinity Gradient Energy Using Reverse Electrodialysis to Generate Electricity for Seawater Desalination Plants, an Example from Western Australia

Seawater desalination plays a vital role in addressing the increasing global demand for freshwater. However, the energy-intensive nature of desalination processes and the generation of brine by-products pose environmental challenges. In Western Australia (WA), approximately 48% of freshwater is supplied by two seawater desalination plants employing the energy-intensive seawater reverse osmosis (SWRO) method. These plants are powered by a combination of renewable and conventional energy sources. Typically, the most efficient approach for desalination plants involves a blend of renewable energy sources. Salinity gradient energy (SGE) harnessed through the reverse electrodialysis (RED) system, which derives energy from mixing waters with varying salinities, has emerged as a potential solution. RED utilizes ion-exchange membranes to convert the chemical potential difference between two solutions into electric power. The net specific energy of SGE, calculated based on the Gibbs free energy associated with mixing seawater and wastewater, is estimated at approximately 0.14 kWh per cubic metre of brine for SWRO desalination plants. The combined SGE potential of WA’s two desalination facilities theoretically amounts to approximately 87.4 MWh of energy. However, due to the inherent limitations of the RED system’s current energy efficiency, only about 2.5% of the desalination plant’s energy requirements can be met through this technique. This paper addresses a significant gap in the literature by analyzing the technical and economic constraints of utilizing salinity gradient energy (SGE) through the reverse electrodialysis (RED) system for seawater desalination plants. This marks the first examination of its kind, shedding light on both the technical feasibility and economic challenges of SGE-RED application in this context. The scientific contribution lies in its innovative approach, integrating technical and economic perspectives to provide an understanding of SGE-RED technology’s potential drawbacks and opportunities. By identifying and tackling these challenges, this paper aims to pave the way for optimizing SGE-RED systems for practical implementation in seawater desalination plants.

Reza Rezaee*
Clean Energy Sustain.
2024,
2
(2), 10006; 
Open Access

Case Report

26 February 2024

‘Greening’ an Oil Exporting Country: A Hydrogen and Helium Closed-cycle Gas Turbines Case Study

Holistic decarbonisation requires collaborative efforts and substantial investments across diverse economic sectors. This study introduces an innovative national approach, blending technological insights and philosophical considerations to shape decarbonization policies and practices. Libya is the case study. The proposed framework involves submersible power stations with continuous-duty helium closed-cycle gas turbines to supply electricity demand and hydrogen. Extensive national data is analysed, incorporating factors such as sectoral consumption, sea temperature, and port locations. An analytical model is developed, providing a valuable foundation for realistic decarbonization scenarios. The model aims to maintain the benefits of current energy consumption, assuming a 2% growth rate, while assessing changes in a fully green economy. The results offer qualitative and quantitative insights on hydrogen use and an expected rise in electricity demand. Two scenarios are examined: self-sufficiency and replacing oil exports with hydrogen exports. This study provides a quantitative perspective on decarbonization, focusing on a submersible helium closed cycle gas turbine concept resistant to natural disasters and proliferation. Findings underscore the substantial changes and investments needed for this transition, identifying primary needs of 27 GW or 129 GW for self-sufficiency and exports, respectively. This foundational analysis marks the start of research, investment, and political agendas toward decarbonization.

Abdulwahab Rawesat*
Pericles Pilidis*
Clean Energy Sustain.
2024,
2
(2), 10005; 
Open Access

Article

20 February 2024

Wind Influence on the Electrical Energy Production of Solar Plants

Solar energy, as a clean source of energy, plays a relevant role in this much desired (r)evolution. When talking about photovoltaics, despite the multiple studies on parameters that affect the panels operation, concrete knowledge on this matter is still in an incipient stage and precise data remains dispersed, given the mutability of outer factors beyond technology-related properties, hence the difficulties associated with exploration. Wind is one of them. Wind loads can affect the temperature of photovoltaics, whose efficiency is reduced when higher temperatures are reached. The viability of wind as natural cooling mechanism for solar plants and its influence on their electrical energy production is studied in this research work. Some appropriate results were achieved: depending on the module temperature prediction model used and on the photovoltaic technology in question, solar panels are foreseen to be up to approximately 3% more productive for average wind speeds and up to almost 7% more productive for higher speeds. Taking into consideration that wind speed values were collected in the close vicinity of the modules, these results can be proven to be even higher. That being said, this article contributes with accurate insights about wind influence on electrical energy production of solar plants.

Carlos Bernardo
Ricardo A. Marques Lameirinhas*
Catarina P. Correia V. Bernardo
João Paulo N. Torres
Clean Energy Sustain.
2024,
2
(1), 10004; 
Open Access

Article

29 January 2024

A Novel High Step-up DC-DC Converter Using State Space Modelling Technique for Battery Storage Applications

This paper focuses a novel non-isolated coupled inductor based DC-DC converter with excessive VG (voltage gain) is analyzed with a state-space modeling technique. It builds up of using three diodes, three capacitors, an inductor and CI (coupled inductor). The main switch S is turn on due to body diode and voltage stress is reduced at the switch S by using diode D1 and Capacitor C1. This paper focuses on design modelling, mathematical calculations and operation principle of DC-DC converter is discussed with state-space modelling technique. The performance has been presented for two different voltages for EV applications, i.e., 12 V, 48 V as input voltages with a high step-up outputs of 66 V and 831.7 V respectively. The converter stability is studied and determined the bode plot along with simulation performance results which are carried out using MATLAB R2022B.

Rajanand Patnaik Narasipuram*
Clean Energy Sustain.
2024,
2
(1), 10003; 
Open Access

Article

29 January 2024

The “Global Change Data Base” GCDB Facilitates a Transition to Clean Energy and Sustainability

This article presents the opportunities for constructing a global data base picturing underlying trends that drive global climate change. Energy-related CO2 emissions currently represent the key impact on climate change and thus become here the object of deep, long-term and historiographic analysis. In order to embrace all involved domains of technology, energy economy, fuel shares, economic efficacity, economic structure and population, a “Global Change Data Base” (GCDB) is suggested, based on earlier worldwide accepted data repositories. Such a GCDB works through regressions and statistical analysis of time series of data (on extensive magnitudes such as energy demand, population or Gross Domestic Product, GDP) as well as generation of derived data such as quotients of the former, yielding intensive magnitudes that describe systems and their structural properties. Moreover, the GCDB sets out to compute the first and second time derivatives of said magnitudes (and their percentual shares) which indicate new long-term developments already at very early phases. The invitation to participate in this foresight endeavour is extended to all readers. First preliminary GCDB results quantitatively portray the evolutionary structural global dynamics of economic growth, sectoral economic shifts, the shifts within energy carriers in various economic sectors, the ongoing improvements of energy intensity and energy efficiency in many economic sectors, and the structural changes within agricultural production and consumption systems.

Gilbert Ahamer*
Clean Energy Sustain.
2024,
2
(1), 10002; 
Open Access

Article

16 January 2024

The Interplay between Experimental Data and Uncertainty Analysis in Quantifying CO2 Trapping during Geological Carbon Storage

Numerical simulation is a widely used tool for studying CO2 storage in porous media. It enables the representation of trapping mechanisms and CO2 retention capacity. The complexity of the involved physicochemical phenomena necessitates multiphase flow, accurate fluid and rock property representation, and their interactions. These include CO2 solubility, diffusion, relative permeabilities, capillary pressure hysteresis, and mineralization, all crucial in CO2 trapping during carbon storage simulations. Experimental data is essential to ensure accurate quantification. However, due to the extensive data required, modeling under uncertainty is often needed to assess parameter impacts on CO2 trapping and its interaction with geological properties like porosity and permeability. This work proposes a framework combining laboratory data and stochastic parameter distribution to map uncertainty in CO2 retention over time. Published data representing solubility, residual trapping, and mineral trapping are used to calibrate prediction models. Geological property variations, like porosity and permeability, are coupled to quantify uncertainty. Results from a saline sandstone aquifer model demonstrate significant variation in CO2 trapping, ranging from 17% (P10 estimate) to 56% (P90), emphasizing the importance of considering uncertainty in CO2 storage projects. Quadratic response surfaces and Monte Carlo simulations accurately capture this uncertainty, resulting in calibrated models with an R-squared coefficient above 80%. In summary, this work provides a practical and comprehensive framework for studying CO2 retention in porous media, addressing uncertainty through stochastic parameter distributions, and highlighting its importance in CO2 storage projects. 

Marcos Vitor Barbosa Machado*
Mojdeh Delshad
Kamy Sepehrnoori
Clean Energy Sustain.
2024,
2
(1), 10001; 
Open Access

Review

14 November 2023

Microgrids Overview and Performance Evaluation on Low-voltage Distribution Network

Besides the increase in global energy demand, access to clean energy, reduction in greenhouse gas emissions caused by conventional power generation techniques, energy security, and availability of electricity in remote villages in emerging nations are some of the factors that foster the use of renewable energy sources (RESs) in generating electricity. One of the aims of initiating microgrids (MGs) is to maximize the benefits of RES while alleviating grid-connect issues. Microgrids are interconnected RESs and electrical loads within clearly delineated electrical limits that operate as individual controllable units on the electrical network. It can operate independently and be grid-connected. The paper presents a review and performance assessment of renewable energy-based microgrids under various operating scenarios in stand-alone, grid-connected, and transitioning modes of operation. Fault occurrences, an increase in micro-source generation, a load increase, and the sudden disconnection of a micro-source are some of the simulated scenarios. Microgrid network components’ performance, such as the bidirectional DC-DC converter and energy storage system (ESS), was evaluated. The simulated microgrid architecture includes a small hydroelectric plant, wind farm, and ESS. The work provides valuable information to energy stakeholders on the performance of microgrids in low-voltage distribution networks. The microgrid is coupled to a low-voltage distribution network (0.415 kV) via a PCC. The system under investigation is modeled and simulated using MATLAB/Simulink. From the simulation analysis, the fault effect was felt on the utility and did not escalate to the microgrid side during stand-alone operation. Power quality issues, such as voltage rise, are some of the challenges identified during the transition from one mode of operation to another. However, the energy storage system responds to disturbances and maintains system stability. The originality of this paper is based on evaluating different modes of operation of microgrids and comparing system performances under various operating conditions.

Ereola Johnson Aladesanmi*
Kingsley A. Ogudo
Clean Energy Sustain.
2024,
2
(1), 10008; 
Open Access

Article

07 October 2023

Comprehensive Evaluation of Sustainable Treatment Technology of Oily Sludge Based on AHP-FCE

Oil is an unsustainable energy since it is non-renewable. However, oil may not be completely replaced in a short time, so the environmental problems caused by the oil development still require our attention. The oily sludge is a kind of hazardous waste produced during the oil development. To reduce the environmental impact caused by oily sludge, low-carbon and sustainable treatment technologies need to be selected. The incineration, chemical extraction and thermal desorption are common technologies for treatment of oily sludge. We calculated the carbon emissions of these technologies. Then the index evaluation system of oily sludge treatment technology was established with the environmental, economic, social, and technical factors. And the weight of evaluation index was determined by the analytic hierarchy process (AHP). Through the investigation of industry experts, we evaluated the treatment technologies by the fuzzy comprehensive evaluation method (FCE). The results showed that the carbon emissions of incineration are 42.70 t CO2-eq/t which is the highest. Meanwhile, it is 4.80 t CO2-eq/t and 0.10 t CO2-eq/t for chemical extraction and thermal desorption, respectively. The comprehensive scores of incineration, chemical extraction and thermal desorption were 4.59, 5.16 and 4.95, respectively. Therefore, the chemical extraction technology is an optimal treatment technology for oily sludge with the relatively low carbon emission and the highest comprehensive technical score. At the same time, the thermal desorption technology has strong application potential with the lowest carbon emissions. This result provides a reference for achieving clean and sustainable energy development processes.

Jiwei Wu
Shifan Zhang
Jian Li
Jiankun Liu
Haocheng Sun
Zixian Jia
Ye Xia
Jie Liu
Dongliang Pan
Jianqiang Sun
Xianzhong Yi
Liang Ma *
Clean Energy Sustain.
2023,
1
(1), 10007; 
Open Access

Article

19 September 2023

Advancing Green Hydrogen Production in Saudi Arabia: Harnessing Solar Energy and Seawater Electrolysis

The transition to clean and sustainable energy sources is crucial for combating the challenges posed by climate change. Green hydrogen, produced through renewable energy-driven electrolysis, holds significant promise as a viable clean energy carrier. The study introduces a system that leverages abundant solar energy and utilizes seawater as the feedstock for electrolysis, potentially offering a cost-effective solution. A comprehensive mathematical model, implemented in MATLAB, is employed to simulate the design and operational efficiency of the proposed green hydrogen production system. The system’s core components include solar panels as a clean energy source, an advanced MPPT charge controller ensuring optimal power delivery to the electrolyzer, and a seawater tank serving as the electrolyte source. The model combines these elements, allowing for continuous operation and efficient hydrogen production, addressing concerns about energy losses and cost-effectiveness. Results demonstrate the influence of solar irradiance on the system’s performance, revealing the need to account for seasonal variations when designing green hydrogen production facilities. Theoretical experiments are conducted to evaluate the behavior of a lithium battery, essential for stabilizing the system’s output and ensuring continuous operation during periods of low solar radiation. 

Hossam S. AbdelMeguid *
Hossam F. Al-johani
Zakariya F. Saleh
Abdulmalk A. Almalki
Abdulaziz M. Almalki
Clean Energy Sustain.
2023,
1
(1), 10006; 
Open Access

Perspective

13 September 2023

Estimate of Economic Impact of EVs Li-ion Batteries Recovery

Nowadays, increasing attention is directed towards the sustainable use of raw materials. For a circular economy, recovery from spent devices represents a fundamental practice. With the transition to electric mobility, an increasing number of devices powered by lithium batteries are produced. Indeed, this is the fastest growing sector producing spent batteries, which are an important secondary source of critical raw materials, such as lithium, cobalt, graphite, and nickel. Therefore, this work aims to quantify the economic impact of recovering raw materials from lithium batteries used in the electric vehicles sector. Based on the chemical composition of the various lithium batteries and their market diffusion, the intrinsic economic value of this waste has been estimated to be around 6500 €/ton. Starting from the literature data on the global energy demand from lithium batteries and deriving the trend of their specific energy over time, the mass of material introduced into the market annually is estimated to reach 60 Mton/year by 2040. The annual amount of end-of-life lithium batteries was calculated by applying the Weibull distribution to describe the probability of failure, yielding 10 Mton/year by 2040. Finally, based on these results, the economic impact of the recovery market was assessed for two different scenarios.

Vittorio Ricci
Pietro Romano*
Nicola Stampone
Clean Energy Sustain.
2023,
1
(1), 10005; 
Open Access

Article

15 August 2023

Thermal and Economic Evaluations of a Drain Water Heat Recovery Device under Transient Conditions

This study explores the transient characteristics of a drain water heat recovery (DWHR) device employed for heat recovery from warm grey water in buildings. Experimental measurements were conducted to investigate the response time of the DWHR device under various flow conditions. The thermal performance of the system was assessed using both transient and steady-state effectiveness analyses. The findings reveal that the response time is influenced by the water volume within the system, with an increase observed, and by the water flow rate, which leads to a decrease in response time. Additionally, a decrease in effectiveness is noted when hot water is used in short and frequent intervals. Furthermore, an economic analysis demonstrates that considering the transient behavior of the device results in a significant overall decrease of 37% in annual savings. Specifically, the usage of sinks exhibits a reduction in annual savings by 56%, while showers show a decrease of 13% in annual savings.

Ezra Ovadia
Mostafa H. Sharqawy*
Clean Energy Sustain.
2023,
1
(1), 10004; 
Open Access

Article

13 March 2023

Reduced Climate Impacts of Dairy Sludge Management by Introducing Hydrothermal Carbonization

Dairies which produce cheese and milk products can, however, produce large volumes of wastewater that require treatment, usually via activated sludge treatment. Disposal of the resulting activated sludge to land is viewed favorably as the sludge is rich in phosphorus (P) and nitrogen (N) and enables nutrient recycling. Nonetheless, sludge management can significantly influence the greenhouse gas (GHG) emissions to the atmosphere. This manuscript has modelled the GHG emissions arising from two sludge management strategies currently adopted by Danish dairies whereby: (i) sludge is stored and later applied to fields; or (ii) sludge is treated by anaerobic digestion (AD), stored, and the digestate will later be applied to fields. This is compared to (iii) an alternative sludge management strategy with treatment by Hydrothermal Carbonization (HTC). HTC is a technologically simple sludge treatment that could lower the cost for dewatering dairy sludge, forming a biochar-like material known as hydrochar. The produced hydrochar can be applied to the land for the purpose of carbon sequestration, P and N recycling. Our calculations indicate that GHG balances of HTC sludge management can result in a net carbon sequestration of 63 kg CO2eq per ton sludge, as opposed to net emissions of 420 and 156 kg CO2eq per ton sludge for strategies (i) and (ii), therefore offering significant reductions GHG emissions for the dairy sector.

Aidan M. Smith*
Sven G. Sommer
Arezoo Taghizadeh-Toosi
Clean Energy Sustain.
2023,
1
(1), 10003; 
Open Access

Perspective

29 January 2023

Carbon Neutrality and Life Cycle Thinking

Climate change is one of the most critical sustainability challenges facing the humanity. International communities have joined forces to mitigate climate change impact and aim to achieve carbon neutrality in the coming decades. To achieve this ambitious goal, life cycle thinking can play critical roles. Specifically, life cycle thinking helps evaluate the true climate impacts to avoid shifting emissions across processes in a product life cycle. It can also help inform consumers with carbon footprint information to make climate-conscious choices. Finally, it can help identify key processes dominating the carbon footprint of a product so that future improvement can set priorities. High quality data is required for accurate and timely carbon footprint accounting and critical challenges exist to obtain and share such data.

Ruoxi Xiong
Ming Xu*
Clean Energy Sustain.
2023,
1
(1), 10002; 
Open Access

Editorial

15 June 2022
Chengcheng Tian*
Andrea G. Capodaglio
Chengcheng Tian*
Andrea G. Capodaglio
Clean Energy Sustain.
2023,
1
(1), 10001; 
TOP