SCIEPublish

Correlations of System Degradation, Losses and Significant Parameters for 49 MW Large Scale Solar Plant with Real Site Data Validations

Article Open Access

Correlations of System Degradation, Losses and Significant Parameters for 49 MW Large Scale Solar Plant with Real Site Data Validations

Author Information
School of Engineering and Physical Sciences, Heriot-Watt University Malaysia, 1, Jalan Venna P5/2, Precinct 5, Putrajaya 62200, Wilayah Persekutuan Putrajaya, Malaysia
*
Authors to whom correspondence should be addressed.

Received: 18 October 2024 Revised: 04 November 2024 Accepted: 20 November 2024 Published: 28 November 2024

Creative Commons

© 2024 The authors. This is an open access article under the Creative Commons Attribution 4.0 International License (https://creativecommons.org/licenses/by/4.0/).

Views:10409
Downloads:696
Clean Energy Sustain. 2025, 3(1), 10022; DOI: 10.70322/ces.2024.10022
ABSTRACT: A smooth transition towards a clean and sustainable environment will heavily rely on the continuous increase of renewable energy (RE) integration. Malaysian authorities have set targets to increase the RE capacity to 31% by the end of 2025 and achieve 40% by 2035, specifically through the power generation plan. Solar PV systems have been widely used, from industries to residential homes, because Malaysia receives a high irradiation potential of up to 5000 Wh/year. The increase in the potential of solar PV usage has allowed solar companies to provide this system regardless of its complexity and system size. However, a drop in efficiency due to system parameters within the photovoltaic (PV) system is evident over time. This study aims to analyze the relationship between solar PV system parameters and their energy performance, particularly in a tropical climate region, for a large-scale solar (LSS) plant. This project was undertaken with two objectives: First, it is to develop an optimum solar PV system by adhering to and implementing GCPV standards in Malaysia. Stage 1 will primarily focus on managing and manipulating various PV system parameters to ensure the optimum energy yield received from the plant. The system parameters analyzed are tilt angle, module technology and its effect on different temperatures, the effect of the optimizer, sizing and thermal loss. Stage 2 will then incorporate the industry data of the LSS plant by creating a Pearson’s Correlation model on how energy yield is correlated against real time system parameter values obtained. An optimum tilt angle of 10°, monocrystalline module and inclusion of optimizer increases the overall energy production from 88,986 MWh/year to 89,782 MWh/year and performance ratio (PR) from 78.9% to 79.8%. The outcome of this study demonstrates the significant parameters of the PV system to maximize the energy output to the grid. This will further support the government’s plan to reduce GHG emissions by 45% through the use of renewable energy, with the aim of producing up to 2.5 GW from LSS systems by 2030.
Keywords: Performance ratio; Correlation; Optimizer; Pearson; Temperature

1. Introduction

The International Renewable Energy Agency (IRENA) indicates that the global installed capacity of solar PV was 480.3 GW in 2018 and is expected to reach approximately 969 GW by 2025. Malaysia, one of the countries with a high population has become a beacon of energy usage regardless of the social or industrial activities as electricity is vital in an ever-increasing development country. At this very moment, energy use via fossil fuels has been the primary source of electricity, including coal, natural gas, and oil [1]. Research and studies have shown that electricity consumption has increased nearly threefold, and by 2050, it is expected to reach 73,000 TWh [2]. However, fossil fuel conversion into electricity tends to release significant greenhouse gas (GHG) emissions, affecting the planet’s ecosystem. Renewable energy sources such as wind, hydro, solar, and biomass are setting a benchmark for providing clean and sustainable energy for the future, which will, in turn, reduce the impact on the environment [3]. Solar energy can be viewed as one of the renewable sources heavily utilized due to unlimited sources and is available for free. In terms of the business point of view, the development of solar panels that have improved cell efficiency induced lower production costs for PV panels, making them accessible from usage in power plants up to residential areas. The International Renewable Energy Agency (IRENA) states that the global installed capacity of solar PV was 480.3 GW in 2018 and is expected to reach approximately 969 GW by 2025 [4]. Malaysia has been one of the leading countries implementing the usage of solar PV capacity drastically. This is one of the main and most important renewable sources that is fast growing as this country receives high irradiation rates ranging from 4.21 kWh/m2 to 5.56 kWh/m2 [5]. Solar PV system is designed to capture solar irradiation and convert it into electricity for various types of usage. PV systems can be vital compared to integration with the power grid and massive technological developments [6]. Solar to electricity generation from PV systems will generate up to 30% efficiency. Design of the PV system should be in an optimum condition to avoid an undesired drop in efficiency, which can affect the lifetime of the system. Throughout the lifetime of a PV system, efficiency will tend to drop primarily due to either environmental parameters affecting the system or the system design fault within. System parameters play a crucial role in energy losses, and identifying and correcting these components can increase the system’s maximum energy output [7]. Figure 1 illustrates the total RE capacity of Malaysia in the past 10 years.
Figure 1. Total Renewable Energy Capacity for the past 10 years in Malaysia. Author’s own drawing adapted from [8,9].
The main challenge often associated with this issue is the evident loss of environmental parameters, which can be mitigated and reduced through an efficient cleaning method proposal. However, the loss within the system parameters possesses a larger problem as losses take place from the edge of the PV modules up to electricity being injected into the grid. Examples of losses are thermal losses, ohmic wiring losses, auxiliaries’ losses, light induced degradation (LID) losses, and panel aging losses. The National Renewable Energy Laboratory released a report in 2017 claiming that a thermal failure rate of about 5 out of 100,000 modules annually indicates higher degradation rates due to issues such as internal delamination and circuit discoloration [10]. Primary parameters often associated with system losses are PV modules, inverter configuration, DC/AC cabling units with power system and module orientation. Large scale solar (LSS) is a centralized PV array system specifically for grid integration that consists of a power system network organized by various electronic equipment. LSS will have an installed capacity of more than 1 MW, directly connected to the grid for electricity sales. LSS are predominantly used for two key purposes: one as a utility-scale solution and the other to provide electricity via the grid to nearby residential or industrial areas. LSS are always meant to be designed as bifacial as the PV module efficiency will be at its highest because of its irradiation absorption rate across the panels. Such a design is made to maximize energy input and return on investment. Due to advancements in technology related to LSS, Malaysia has increased its efforts to build more LSS by providing financial incentives through the sale of generated electricity to the TNB grid for 21 years. Sustainable Energy Development Authority Malaysia (SEDA), which is the energy commission in Malaysia, provides schemes such as Self-Consumption (SELCO), Net-Energy Metering (NEM) and the Green Income Tax Exemption (GITE) to increase the use of energy sustainability around the country [11]. This project was achieved via the LSSPV Bidding Cycle 1 in 2017. The government aims to reduce GHG emissions by 45% by 2030 by employing renewable energy sources, particularly solar energy, with a target of producing 2.5 GW from LSS alone [12]. Table 1 shows the estimated LSS PV capacity in each state of Malaysia.
Table 1. Estimated LSS PV capacity (MW) in each state [13].
Two solar plants with installed capacities of 25 MW and 12 MW are under construction in Manjung, Perak, while another 13 MW plant will be built in Kuala Selangor, Selangor [14]. The fourth cycle of LSS stage is being conducted and constructed in Malaysia after 30 finalized bid winners were announced, with export capacity expected to range from 10 MW to 50 MW.

2. Literature Review

2.1. Malaysian Standards of GCPV Operations of Grid-Connected Photovoltaic Systems (GCPV) will require technical assistance regardless of whether the construction is as large as LSS or for a single residential house. So, Suruhanjaya Tenaga Energy Commission Malaysia came up with standards to adhere to before beginning the GCPV commissioning to ensure that companies or vendors involved will adhere to the following protocols. The key objectives of these guidelines include explaining the procedures needed for the development of LSS and guidance required for the developers seeking connection to TNB electricity grid. MS 1837 [15], as presented in Table 2, is a document standardized for the installation of grid-connected photovoltaic (PV) system that has been revised to provide readers and developers to adhere to the standards and protocols that are needed to achieve the technical requirements in an LSS successfully. These requirements include a circuit diagram of single and multiple MPPT inverters, protection requirements since heavy electricity is flowing, cable selection, wiring identification and earthing. LSS developers will have to initially acquire the land on which the project will be constructed and acquire the direct permits related to the project. The developers will also have to manage the internal connection from PV modules to the TNB grid for network reinforcement. The primary connection includes an initial connection from the plant to TNB substation A or to the existing transmission line between substations A and B.
Table 2. Comprehensive review of MS 1837 [15].
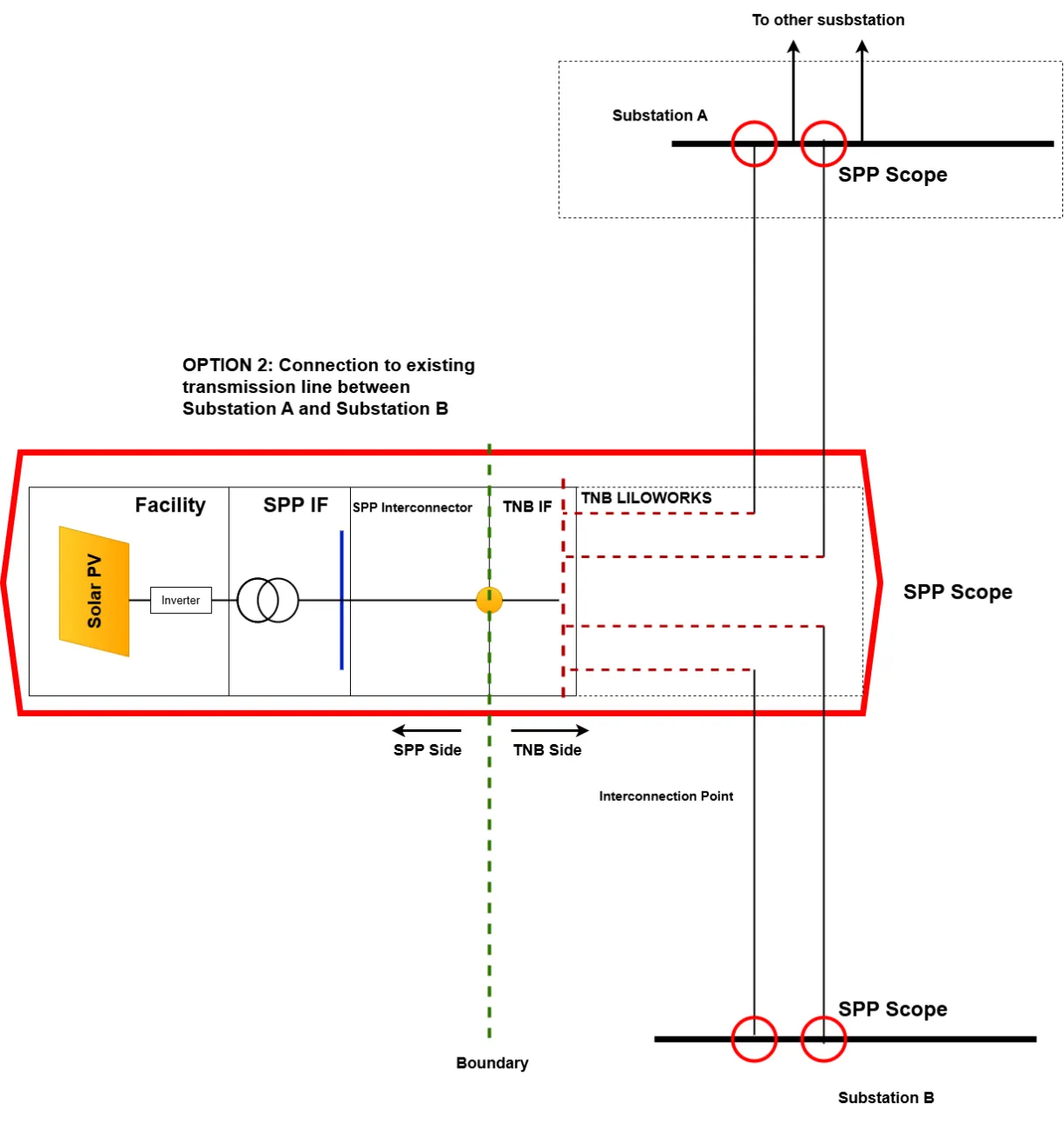
2.2. Connection to the Grid System Network infrastructure is important to ensure that the TNB grid system will have the adequate capacity to accept power output from LSS. The government aims to reduce GHG emissions by 45% by 2030 through the use of renewable energy sources, particularly solar energy, with a target of generating 2.5 GW from LSS alone. This will reduce the percentage of losses with the equipment located within the system. Normally, the power from LSS will be consumed locally, regardless of whether it is for industry or residential areas. The voltage level selected for this type of project must be 132 kV, ensuring that the security of this bulk power is not compromised [16]. 2.2.1. Connection 1: Connection to Existing Substation Fixed connections to the grid are usually made via overhead transmission lines or underground cables.This connection scheme will have the ability to disconnect from TNB if the security of the grid is compromised. The grid owner will then decide on the appropriate voltage level and type of connection for the LSS. This connection is beneficial if the busbar extension for the new full bays has adequate space for construction, including room for the control relay panel in the substation building. LSS developers will have to follow TNB in accordance to construct it. 2.2.2. Connection 2: Connection to Nearest Existing Transmission Lines A switching station will be required for the LSS developer to build if the connection is required to run by the nearby transmission lines. The connection lines of the new switching station will be loop-in-loop-out with overhead transmission lines to facilitate a new connection with the TNB as shown in Figure 2 and Figure 3. All developments would have to follow the accordance of TNB regulations.
Figure 2. Connection to Existing TNB Substation. Author’s own drawing adapted from [16].
Figure 3. Connection to Existing Transmission Lines between Substations. Author’s own drawing adapted from [16].
2.3. System Parameters Affecting Solar PV Performance PV energy output generally depends on the amount of irradiation absorbed by the cells on the modules. Up towards the energy moving towards the grid, losses, regardless of environmental or system, can be found affecting the efficiency of energy output. An average system loss of about 20% is typically observed in a solar PV system annually. When solar irradiation hits the solar cells, the material absorbs the radiation and, through the photovoltaic effect, generates electricity. The inverter is used to convert DC to AC and supply it to the grid. Key components involved in a GCPV system are PV modules, bidirectional inverter, direct current (DC) bus system, alternating current (AC) bus, and DC and AC cabling connection, which can cause energy losses throughout the system’s lifetime. 2.3.1. Inverter An inverter is an essential device in any GCPV system, regardless of size and capacity. Inverter receives direct current (DC) from the PV array and changes to alternating current (AC), primarily used in building electrical loads. Inverter is the key to PV performance. If power conversion performance is affected within the GCPV, PV array power transmission to AC utility system will not be effective as losses will be apparent [17]. These losses are due to energy and heat losses associated with the electronics, magnetic and copper losses and self-consumption of inverters. An Increase in temperature due to the inverter working more power loads will cause energy levels of incident to peak around 400–700 W/m2 causing inverter efficiency to drop at certain times and increasing the risk of component failures [18]. However, based on real-life conditions, when power conversion from DC to AC happens, an efficiency value is around 90% will be present. Studies have shown that PV inverters are often affected by failure due to components being exposed to electrical stress and high temperatures. Due to high thermal exposure, power electronic switches will cause failure to the capacitors dependent on incoming DC voltage, ripple current and ambient conditions [11]. Module-integrated inverters can be seen as the optimal ones as losses are only up to 3% and provide a higher efficiency of working power [19]. 2.3.2. PV Modules PV modules are made up of photovoltaic cells mounted in a group framework that absorbs irradiation rate and converts to direct current (DC). PV structure and material are important in managing and minimizing loss from modules. The PV atomic structure and band gap energy determine the panel efficiency. The range of PV materials includes mono-crystalline, silicon, indium phosphide and many more. The efficiency of specific PV modules, such as mono-crystalline based modules, tend to have a higher energy efficiency of about 16–22% when directly compared with poly-crystalline modules with only 14–18% [17]. However, degradation of PV modules will occur gradually within the 25-year period that manufacturers guarantee. This degradation of modules will cause energy loss as energy output towards AC will decrease gradually. Fixed mono-crystalline modules will have a 0.5% degradation rate annually. These could be due to thermal, mechanical, or electrical bases. Examples of degradation issues that lead to energy losses include potential induced degradation (PID) and mismatch losses. Potential Induced Degradation (PID) occurs when stray currents leak due to a large potential difference between the PV module frame and the module circuit, leading to degradation of the PV system. This could normally lead to power losses of up to 30% for the duration of the system. In a PV string of 30 modules and more, certain PV cells that undergo potential difference will induce electrons to leak from the cells and proceed to discharge through the modules’ frame to the ground known as stray currents. This process will induce PV module’s shunt resistance to drop and will cause a reduction in open circuit voltage and fill factor (FF). Mismatch losses in an array occur when various model interconnections on an array have various voltage characteristics, causing the loss of discrepancies with modules connected in parallel or series based on stated voltage and current readings [20]. For PV systems with higher rated power, the percentage of these losses increases, typically ranging from 0.01% to 3% [21]. 2.3.3. DC/AC Cabling DC and AC cables are the primary components of a solar energy system, providing a connection from PV module cell up to TNB grid. AC and DC cables are single and double insulated, respectively. Copper wire in DC is a tinned copper wire that protect the wire from rusting and environmental hazards. Cables used in GCPV, especially plants with large capacity would have to be carefully selected as from analysis, power can be identified to be leaking from the connections regardless of PV panels, inverters, and other components [17]. Equation (1) was proposed that it is used to calculate power losses in cables depending on the location of leakage, internal wiring, array temperature or array voltage connections. The difference in size in parallel strings and cable length/dimension will induce voltage differences. The size of the conductor is important as this is determined by the capacity of the conductor carrying the current and the voltage drop.
```latexP_{loss}=\frac{2\rho lp^2}{V_oS\times cos\varphi^2}```
where: $$P_{loss}$$ = Power loss in the cable $$\rho$$ = Specific resistance of conductor material l = Distance between source and load p = Power consumption of load $$V_o$$ = Source voltage S = Conductor cross-section $$cos\varphi$$ = Power factor of load. 2.3.4. PV Array Inclination Module orientation plays a vital role in maximizing energy output performance and minimizing losses. Orientation of the PV module absorbs the highest irradiation level when the module surface is perpendicular to the sun and must be adjusted to obtain minimal shading for maximum performance. Performance ratio (PR) can achieve energy input of up to 85% regardless of the system size and complexity with optimum angle selection. Losses in this matter can be resolved using dual axis trackers in which the performance will be optimized based on the Sun’s variations. Standard rule of thumb for optimum tilt angle states that tilt angle should be like the latitude of the location on where the modules are installed [17]. However, this method is rendered useless for latitudes that are more than 45 degrees [22]. Issues such as this will cause the loss of energy due to irregularity of the irradiation received by the PV modules and thus losing energy in the process. 2.4. Pearson Correlation Model Multiple system parameters that affect the performance of PV modules must be examined to identify the most significant factors causing the losses. A correlation between two sets of variables must be conducted to determine how a change in one variable affects the other in the opposite direction. This correlation is done to use the data of a single variable to predict the outcome of the second variable. The pearson correlation coefficient model, as shown in Equation (2), evaluates the linear relationship between two variables, commonly used in linear regression [23]. The pearson correlation formula will analyze the correlation between maximum energy output and system parameters data. The value of the Pearson correlation (r) ranges from −1 to 1, where 1 indicates a strong positive relationship between the two variables. −1, however, indicates a strong negative relationship stating that the two variables used do not correlate with each other or provide an adverse effect on the performance parameter [24].
```latexr=\frac{\sum(x_i-\bar{x})(y_i-\bar{y})}{\sqrt{\sum(x_i-\bar{x})^2\sum(y_i-\bar{y})^2}}```
where: r = correlation coefficient $$x_{i}$$= values of the x-variable in a sample $$\bar{x}$$ = mean of the values of the x-variable $$y_i$$ = values of the y-variable in a sample $$\bar{y}$$ = mean of the values of the y-variable. 2.5. Problem Statement and Research Gap The rapid increase of solar energy usage in this country for the past decade has increased more than 1000 MW leading to the expected capacity plan by 2035 [25]. Past literature has been reviewed, and its findings, design parameters, and performance indicators are summarized in the Table 3. Selected literature were also analyzed to obtain the limitations and research gap in this paper. This work investigates system parameters and losses at different stages of solar system functional blocks. These factors include PV panels, inverters, PV materials, and the orientation of PV panels, all of which influence the I–V characteristics associated with energy losses in the system [14]. Detail system analysis can determine the absolute parameter contributing to the highest energy loss. Next, identify the correlation between the parameters involved and PV energy performance. The correlation model must be calculated accurately to ensure that the parameters have a positive or negative relationship with the energy performance, to be analyzed over the long term. This project aims to provide an optimum solar system design and identify system parameters that are susceptible to causing a reduction in the efficiency of solar PV panels. Stage 1 focuses on developing an optimum solar photovoltaic (PV) system by implementing the GCPV standards in Malaysia. Stage 2 investigates the system’s most significant and least significant parameters that affect solar panel energy degradation. Stage 3 identifies the study of the correlation coefficient model to compute the relationship between system parameters and PV energy performance. Lastly, a comparative study will be conducted to compare the historical energy data from the large-scale solar site to system modelling results in the validation stage. The outcome of this project is the identification of key energy losses among various system parameters, along with improved solar system energy performance and plant efficiency. This work can serve as a reference model for tropical climate countries and contribute to the renewable energy mix and installed solar capacity, helping meet national energy targets by 2035. Table 4 presents the research gap that has been identified from the literature that has been reviewed across the entire project timeline. Most system performance modelling is only considered on the parameters calculation and does not include analysis on the most and least significant parameter study. It also does not investigate the significance of the parameters, regardless of positive or negative, in which the Pearson correlation is introduced in this study.
Table 3. Findings, design parameter and performance indicators of related research.
Table 4. Research gap identified from the literature reviewed.

3. Methodology

There are a total of 186,240 units of poly-crystalline modules used in this project with 1189 units of SUN2000 string inverter. The methodology of this study will first begin to develop a more optimum solar photovoltaic (PV) system using the basis of the 49 MW LSS plant. Various system parameters of the solar system will be analyzed and reconstructed for the system to provide a higher energy yield. The design constraints analyzed here are changes in tilt angle, the effect of different module technology, module efficiency in relation to temperature, the effect of optimizer and changes in sizing. Original sizing of the plant will be initially used, changes in parameters will be conducted and the parameter that is contributing to the highest energy yield is analyzed and discussed. Results achieved will be in terms of optimal energy yield or performance ratio (PR). The performance ratio is a measure of the quality of a solar PV plant. This PR will often be interpreted in percentage and states the relationship between the theoretical and actual energy yield values from the PV plant. Figure 4 illustrates the stages of the methodology used in designing the system parameters and their variations. The steps taken in simulating the optimum PV system are as follows:
Figure 4. The key methodological stages.
Step 1: Meteorological Data at Project Location The primary data required for this project includes the energy yield of the PV panels, as well as the reduction in efficiency due to certain parameters. Site data is processed and compared with the modelled energy system data to investigate the effect of system parameters on performance degradation. LSS location and the global horizontal irradiance (GHI) will be determined. Monthly meteorological data will be collected using the Meteonorm software in which the GHI data monthly and yearly will be tabulated. This data will be the basis for creating and simulating an optimum photovoltaic system. Step 2: Angle Orientation All the key parameters mentioned in this project will be analyzed using PVsyst and the real-time data obtained. These parameters are also used to compute the correlation coefficient model to analyze the parameters affecting energy degradation. Orientation angles such as tilt and azimuth are analyzed to ensure module orientation is angled so that high irradiance input can be achieved. For this study, angles of 5°, 7°, 9°, 10°, 11° and 15° were used to identify the optimal tilt angle that provides the highest energy yield or performance ratio (PR) across 12 months. Step 3: PV Module Technology Selection PV modules are selected based on their efficiency, which usually ranges from 17% to 24% as an optimum efficiency range used worldwide. To support the demand from the modules, module nominal power is vital as this has to be considered to ensure smooth power transition among all the panels installed in this LSS plant. PV Module specifications are normally fixed depending on the brands and manufacturers. The standard test conditions (STC) are an important benchmark and need to be analyzed for maximum voltage, maximum power, and maximum current. STC ratings are standard across all PV module industries with a fixed cell temperature of 25 °C, GHI of 1000 W/m2 and air mass of 1.5. Each module will contain internal specifications and as panels are arranged in an array, it is vital to obtain and simulate several specifications, such as open-circuit voltage ($$V_{OC}$$), short circuit current ($$I_{SC}$$), temperature coefficient for short-circuit current (μISC), temperature coefficient for maximum power (μPmax), temperature coefficient for open circuit voltage (μVoc), temperature coefficient at maximum voltage (μVmp), and finally maximum allowable system voltage of the PV arrays. A similar PV module brand with different technology configurations will be used and compared to analyze the higher PR rate of the entire LSS plant across a year. Step 4: Inverter Selection Electrical components must be configured as the PV modules are laid out on the ground, as expected power and received voltage are the key components needed in choosing the optimum inverter sizing. An optimum inverter should always have an AC/DC ratio within the 1.12 to 1.25 range, and it should be directly related to energy input based on irradiance level. LSS has incorporated the usage of string inverters as there are different elevation angles and is also equipped with a maximum power point tracker (MPPT). MPPT is vital in this situation as this could reduce mismatch losses of the PV array. The specifications that must be analyzed to select an optimum inverter are the available nominal PV power, nominal MPP voltage, maximum and minimum MPP voltages and maximum input voltage of inverter. To ensure that the output voltage of the PV module array does not exceed the allowable input voltage range of the inverter, the input voltage limit of the inverter’s MPPT is crucial. The project is conducted in two stages. Firstly, the energy system will be developed to estimate the energy yield obtained by PV module arrays. PV modules, along with the array, will be configured with a suitable inverter and an appropriate orientation angle. Once initial energy estimation is conducted, system parameters will be investigated, such as tilt angle, module technology, DC optimizer, efficiency of module temperature, and degradation losses, to identify the suitable system parameter that will provide optimum energy yield. The second stage will be using inverter data such as smart logger data, to analyze the relationship between the power meter, energy yield and performance ratio (PR) by creating a regression model. This model will further quantify whether the relationship between these two parameters is positive or negative because that is occurring on the performance ratio of the LSS plant. Step 5: Detailed Losses in LSS Plant PV System Losses in any solar photovoltaic (PV) system are important to be addressed as this plays a very important role in analyzing the energy losses that occur throughout the life of the PV system. For this LSS plant, the detailed losses are set as and are stated in detail in the Table 5.
Table 5. Types of losses in LSS energy system modelling [44].
Step 6: Economical and Environmental Analysis Levelized Cost of Energy (LCOE) is the key information that can be calculated using the initial capital expenditure (CAPEX) of installation costs alongside operating costs (OPEX). Key inputs required include initial costing, feed-in tariff (FiT), financial parameters, investment, and charges such as study analysis, land costs, and external components. Main economic inputs that are vital are Net Present Value (NPV), Return on Investment (ROI), and payback period can be obtained in this investigation. Technical specifications and system designs are presented in Table 6 and Table 7.
```latex\mathrm{NPV}=\sum_{t=1}^n\frac{R_t}{(1+i)^t}```
$$R_t$$ = Net balance for year t. i = Discount rate for specific system n = System lifetime. Return on Investment (ROI) is the ratio of net profit from CAPEX to the total investment in the project. ROI is deemed to be successful if it provides positive value.
```latex\mathrm{ROI}=\frac{Net\,profit\,at\,the\,end\,of\,project\,life\,cycle}{Total\,Investment}```
Table 6. Five different module technologies used in this study.
Table 7. System design specifications before optimization.
Step 7: Correlation Coefficient Model and System Optimization Correlation model will be used to compute the relationship between two variables. For this project, one of the system parameters versus energy efficiency yield will be measured to identify which is heavily affecting efficiency. Next is the optimization of the solar PV system. Development of solar PV system using real site information, compare and validate using system modelling results.

4. Results and Discussions

4.1. Effect of Tilt Angle on Energy Yield and Performance Ratio (PR) The first design parameter to be investigated is the tilt angle which served as one of the significant parameters affecting the energy performance of the PV modules. Angles of 5°, 7°, 9°, 10°, 11° and 15° were used to identify the optimum tilt angle for this project. Based on Figure 5, a tilt angle of 10° is observed to provide the highest performance ratio (PR) of 79.2% for the plant. Measured tilt angles provided a performance ratio (PR) ranging from 70% to 80%. The range of tilt angles initially selected aims to maximize energy production and provide an easy cleaning method for the PV panels. Although the performance ratio is slightly lower than the original specifications, the energy produced was higher. Table 8 shows the PR value for each tilt angle calculated. Consideration of the tilt angle will not only depend on the PR value, but also on factors such as cleaning methods, energy yield, and installation challenges in uneven terrain.
Figure 5. Sun path diagram at the location of the plant.
Table 8. Various tilt angles with performance ratio and energy production.
4.2. Effect of PV Module Technology on Energy Yield and Performance Ratio (PR) PV module technology is important in aiding module performance, thus providing a higher energy yield. Different technologies will have a range of panel efficiency and designed nominal power to provide expected power output. Three different module technologies with five different configurations were used, along with their nominal power, efficiency, performance ratio, and total energy system production, as listed in Table 9. All the modules were repeated, and a selection of efficient modules was chosen for this study. As shown in Figure 6, Figure 7 and Figure 8 , PV monocrystalline modules exhibit a higher efficiency rate compared to the other two technologies tested. Monocrystalline modules have higher efficiency because they contain lower light induced degradation (LID) effect by about 2% annually. LID is caused by a high potential difference between the crystalline cells (semiconductor material) and external parts of the module, such as the module frame, which can be made of aluminum or glass. The stated difference will cause negative and positive ions to migrate out of crystalline cells known as leakage of current. Monocrystalline modules are also efficient in warm weather even though the efficiency rate drops and ambient temperature increases. Figure 9 indicates the comparison of the performance ratio between the 3-module technology.
Table 9. Summary of PV module technology used.
Figure 6. Performance ratio of plant with varying tilt angles.
Figure 7. Performance ratio and energy yield of monocrystalline module.
Figure 8. Performance ratio and energy yield of polycrystalline module.
Figure 9. Performance ratio and energy yield of EFG module.
4.3. Effect of Optimizer on Energy Yield and Performance Ratio (PR) Optimizer is purely used to increase PV system design and production and helps in supporting monitoring and optimizing overall PV system. Installed optimizer receives direct current (DC) energy from solar irradiance, regulates module output and subsequently sends energy to inverter for direct current (DC) to alternating current (AC). PV array’s overall energy output will increase by using an optimizer as this will track the maximum power point tracking (MPPT) value of individual modules of the PV system. With this tracking system, the modules can increase DC power efficiency from the solar cells to the inverter system. In terms of monitoring, optimizers will allow performance-monitoring for individual modules for quick maintenance. These optimizers can mitigate degradation rate, mismatch losses and partial shading. Using the previously optimized tilt angle of 10° and monocrystalline module technology, further work was conducted by adding an optimizer to the system. The P401 WorldWide optimizer was used with an expected power output of 400 W. As a result, annual energy production increased from 88,986 MWh/year to 89,782 MWh/year, and the performance ratio (PR) improved from 78.9% to 79.8%. Figure 10 below shows the effect of with and without an optimizer on the plant’s performance ratio (PR).
Figure 10. Performance ratio and energy yield comparison of mono, poly and EFG modules.
4.4. Effect of Module Efficiency in Respect to Irradiance and Ambient Temperature Each module, regardless of its brand and specifications, has efficiency levels depending solely on irradiance levels and ambient temperature that affects the cell temperature subsequently. Two PV modules with different technologies are used to understand and identify which efficiency rate works for the modules up to a specific irradiance level. Figure 11 and Figure 12 indicate monocrystalline modules tend to have a higher efficiency rate than the polycrystalline modules as the former tends to work efficiently in higher temperatures than the latter. However, for both modules, it can be noticed that the efficiency curve tends to take a dip as soon as it passes the irradiance level of 1000 W/m2 which indicates that regardless of cell temperature, modules can only accept energy input up to a certain level to maintain an efficiency rate high for maximum energy capture to be injected into grid. Therefore, maintenance and cooling systems are often retrofitted onto array modules to keep the module cells cool for maximum efficiency.
Figure 11. Performance ratio comparison with and without optimizer.
Figure 12. Efficiency against GHI for polycrystalline modules [44].
4.5. Economic and Environmental Analysis An economic standpoint is vital in any project to ensure it runs smoothly and remains sustainable throughout the entire project timeline as shown in Table 10. It has a total estimated cost of RM 306.25 million. Levelized Cost of Energy (LCOE) is the cost of power produced by solar energy over the entire lifetime of the PV system. LCOE is vital to estimate renewable energy feasibility, which is compared to other sources of electricity and is now very competitive when compared with other energy sources such as wind, coal and gas. LCOE for this project was found to be 0.174 MYR/kWh with a payback period of 6.4 years, as it is calculated with a feed-in-tariff (FiT) of 0.470 MYR/kWh. The return on investment (ROI) was calculated to be 220.1%. Environmental concerns in this project were also addressed with the carbon balance of PV system calculated based on the Environmental Impact Assessment (EIA) of Malaysia and lifecycle emissions calculated. Total carbon dioxide emissions saved over the expected 30-year project lifecycle are 1,244,342.34 tons, based on the usage of the solar PV plant system.
Table 10. Economic project data for the LSS plant.
4.6. Pearson Correlation Coefficient on System Parameter against Energy Performance The correlation model was conducted to analyze the relationship between data retrieved from external systems, such as the smart logger and the energy yield production of the large-scale solar plant. From the industry data retrieved, the LSS plant is split into 24 individual zones, each with its own smart logger and the data for each zone was recovered. Zones 1, 5, 10, 15, and 20 were selected as they were located far apart, which will enable us to obtain measurements from different sections of the plant. Figure 13, Figure 14, Figure 15, Figure 16 and Figure 17 shows the correlation model and the relationship between smart logger data and energy yield production. Zone 20 contains the highest positive relationship between smart logger data and total grid energy data as it contains efficient system parameters inducing in positive relationship.
Figure 13. Efficiency against GHI for monocrystalline modules [44].
Figure 14. Total grid energy against zone 1 energy input.
Figure 15. Total grid energy against zone 5 energy input.
Figure 16. Total grid energy versus selected zone’s energy input.
Figure 17. Total grid energy against zone 15 energy input.
4.6.1. Validation: Pearson Correlation Model and Indexes The system performance is validated using the Pearson correlation model as shown in Table 11. It is observed that Zone A to E exhibit similar correlation coefficient values ranging from 0.878 to 0.915. The values of A range from 2995.9 to 4194.1, whereas B ranges from 11.363 to 15.256. Zone E shows the highest correlation coefficient value. Zone A to E represents Zones 1, 5, 10, 15, and 20 that are geographically apart. This is to ensure the data selected truly reflects the system conditions. Zone E (Zone 20) demonstrated the highest positive relationship between smart logger data and total grid energy data. It is consistent with the correlation coefficient on system parameters against energy performance from the data retrieved from the external system, such as the smart logger and the energy yield production of the large-scale solar plant.
Table 11. Correlation relationship between zones and total energy in 5 individual zones.
4.6.2. Validation: Site Data and Modelled Energy System Output for Selected Key Parameters Once system parameters are adjusted to provide an optimum and efficient energy yield performance, these values are compared with the original real-time data received from the industry. Table 12 shows the changes in data comparison that were carried out to indicate the difference in the increase in energy yield production and performance ratio (PR). It shows the differences and similarities in both design specifications. In terms of performance data, it is different as meteorological data plays a role as both designs took place in different timelines. Different modules and tilt angles were used in the latest modelling, contributing to the difference in energy yield production. Figure 18, Figure 19 and Figure 20 indicate the difference that can be achieved when industry and study data are compared against each other. The industry data has been extracted via MMF and Smart Logger sensors attached to 20 individual zones within the plant, providing real-time data with a 1-min time step. Validation can be further concluded by providing a better system parameter to maximize energy production annually.
Table 12. Validation and comparative studies between site data and output of the modelled energy system.
Figure 18. Total grid energy against zone 20 energy input.
Figure 19. Comparison between final two tilt angles.
Figure 20. Comparison between final 2 modules.

5. Conclusions

The Malaysian government plans to increase its renewable energy (RE) capacity to 31% by the end of 2025 and aims to achieve 40% by 2035 through energy generation planning [45]. This will align exactly with the government initiative of reducing GHG emissions by 45% by the year 2030 by increasing the use of renewable energy sources with a primary target to produce up to 2.5 GW of solar energy via LSS specifically to boost sustainable development goals. Solar PV systems have been widely used, from industries to residential homes, because Malaysia receives a high irradiation potential of up to 5000 Wh/year. The drop in efficiency of the solar PV system became evident over time due to the degradation rate within system parameters, which induced more losses than the environmental factors affecting the system. The work identified the significant system parameters affecting the performance and losses. It also investigated possible optimization to enhance the energy yield. Based on a study conducted for the photovoltaic system, tilt angle, effect of module technology, inclusion of optimizer and effect of module efficiency on different temperatures are the parameters investigated for optimum system performance. An optimum tilt angle of 10°, monocrystalline module and inclusion of optimizer increases the overall energy production from 88,986 MWh/year to 89,782 MWh/year and PR from 78.9% to 79.8%. Economic and environmental evaluations were also conducted to assess the cost of energy required for the system to operate annually. The Levelized Cost of Energy (LCOE) was found to be 0.178 MYR/kWh, with carbon emissions savings of 1,244,342.34 tons. Based on these findings, validation was conducted, and a comparison was made using real-time industry data and system data studied. Adjusting several system parameters would improve energy production and performance ratio (PR), extending the system’s lifespan and increasing renewable energy (RE) capacity over a longer period, further supporting the government’s initiative to increase RE capacity and reduce GHG emissions. More detailed system parameters must be analyzed to reduce internal losses such as thermal, ohmic, auxiliary, and aging losses. Advancements in technology will provide a pathway to minimize these losses and improve panel efficiency over a longer lifespan.

Author Contributions

Writing–Original Draft Preparation, L.S.; Writing–Review & Editing, Y.I.G.; Methodology, L.S.; Software, L.S.; Formal Analysis, L.S.; Supervision, Y.I.G.; Project Administration, Y.I.G.

Ethics Statement

Not applicable.

Informed Consent Statement

Not applicable.

Funding

This research received no external funding.

Declaration of Competing Interest

The authors declare that they have no known competing financial interests or personal relationships that could have appeared to influence the work reported in this paper.

List of Nomenclature

References

  1. 1.
    Saleheen M, Salema A, Mominul Islam S, Sarimuthu C, Hasan M.  A target-oriented performance assessment and model development of a grid-connected solar PV (GCPV) system for a commercial building in Malaysia.  Renew. Energy 2021, 171, 371–382. [Google Scholar]
  2. 2.
    Liu Z. Global Energy Interconnection; Academic Press: Cambridge, MA, USA, 2015.
  3. 3.
    Ugwuoke P, Agwunobi U, Aliyu A, Renewable energy as a climate change mitigation strategy in Nigeria.  Int. J. Environ. Sci. 2012, 3, 11. [Google Scholar]
  4. 4.
    Global Data. 2019. Available online: https://www.power-technology.com/ (accessed on 23 May 2022).
  5. 5.
    Azhari AW, Sopian K, Zaharim A, Al Ghoul M. A new approach for predicting solar radiation in tropical environment using satellite images-case study of Malaysia.  WSEAS Trans. Environ. Dev. 2008, 4, 373–378. [Google Scholar]
  6. 6.
    Akeyo M, Rallabandi V, Ionel DM. Multi-MW solar PV pumping system with capacity modulation and battery voltage support. In Proceedings of the 2017 IEEE 6th International Conference on Renewable Energy Research and Applications (ICRERA), San Diego, CA, USA, 58 November 2017. doi: 10.1109/ICRERA.2017.8191097.
  7. 7.
    Narasimhan A. Qualitative Assessment of PV System Cable Loss and Practical Cost Optimization. In Proceedings of the 2020 IEEE International Conference on Electronics, Computing and Communication Technologies (CONECCT), Bangalore, India, 2–4 July 2020; pp. 1–6.
  8. 8.
    IRENA. Renewable Capacity Statistics 2021; International Renewable Energy Agency (IRENA): Abu Dhabi, United Arab Emirates, 2021.
  9. 9.
    IRENA. Malaysia Energy Transition Outlook; International Renewable Energy Agency: Abu Dhabi, United Arab Emirates, 2023.
  10. 10.
    Lillo-Bravo I, González-Martínez P, Larrañeta M, Guasumba-Codena J. Impact of Energy Losses Due to Failures on Photovoltaic Plant Energy Balance.  Energies 2018, 11, 363. [Google Scholar]
  11. 11.
    Progressture Solar. Large Scale Solar. Construction and Commissioning. 2022. Available online: https://www.progressturesolar.com/large-scale-solar (accessed on 3 April 2023).
  12. 12.
    Khan MAM, Go YI. Design, optimization and safety assessment of energy storage: A case study of large-scale solar in Malaysia.  Energy Storage 2021, 3, e221. doi:10.1002/est2.221.[Google Scholar]
  13. 13.
    St.gov.my. Energy CommissionCompetitive Bidding. 2021. Available online: https://www.st.gov.my/en/web/industry/details/2/17 (accessed on 3 April 2023).
  14. 14.
    Construction Plus Asia. Malaysia’s Large-Scale Solar (LSS) programme: Three PV parks to be installed in Perak and SelangorConstruction Plus Asia. 2021. Available online: https://www.constructionplusasia.com/my/malaysias-large-scale-solar-lss-programme-three-pv-parks-to-be-installed-in-perak-and-selangor/ (accessed on 7 April 2023).
  15. 15.
    Department of Standards Malaysia. MS 1837:2018. Installation of Grid-Connected Photovoltaic (PV) System (Second Revision); ICS: 27.160. 2018. Department of Standards Malaysia: Cyberjaya, Malaysia, 2018.
  16. 16.
    Suruhanjaya Tenaga Energy Commision. Guidelines On Large Scale Solar Photovoltaic Plant for Connection to Electricity Networks [Electricity Supply Act (Amendment) 2015 (Act A1501)]; Suruhanjaya Tenaga Energy Commision: Putrajaya, Malaysia, 2020.
  17. 17.
    Fouad M, Shihata L, Morgan E. An integrated review of factors influencing the perfomance of photovoltaic panels.  Renew. Sustain. Energy Rev. 2017, 80, 1499–1511. [Google Scholar]
  18. 18.
    Vignola F, Mavromatakis F, Krumsick J. Performance of PV inverters, In Proceedings of the 37th ASES Annual Conference, San Diego, CA, USA, 38 May 2008.
  19. 19.
    Ζώγου O. Experimental and Computational Investigation of the Thermal and Electrical Performance of a New Building Integrated Photovoltaic Concept; University of Thessaly: Volos, Greece, 2011.
  20. 20.
    Rida Tur M, Colak I, Bayindir R. Effect of Faults in Solar Panels on Production Rate and Efficiency. In Proceedings of the IEEE International Conference on Smart Grid, Nagasaki, Japan, 46 December 2018.
  21. 21.
    Gong A. Understanding PV System Losses, Part 1: Nameplate, Mismatch, and LID Losses—Aurora Solar. Aurora Solar. 2022. Available online: https://www.aurorasolar.com/blog/understanding-pv-system-losses-part-1/ (accessed on 1 April 2023).
  22. 22.
    Viitanen J. Energy Efficient Lighting Systems in Buildings with Integrated Photovoltaics. Doctoral Thesis, Aalto University, Espoo, Finland, 2015.
  23. 23.
    Kim G, Choi J, Park S, Bhang B, Nam W, Cha H, et al.  Prediction Model for PV Performance with Correlation Analysis of Environmental Variables.  IEEE J. Photovolt. 2019, 9, 832–841. [Google Scholar]
  24. 24.
    Glen S. Correlation Coefficient: Simple Definition, Formula, Easy Steps. Statistics How To. 2022. Available online: https://www.statisticshowto.com/probability-and-statistics/correlation-coefficient-formula/ (accessed on 7 April 2023).
  25. 25.
    Sustainable Energy Development Authority (SEDA) Malaysia. Renewables in Malaysia. In Malaysia Renewable Energy Roadmap, The Pathway towards Low Carbon Energy System; SEDA Malaysia: Putrajaya, Malaysia, 2021.
  26. 26.
    Kumar N, Gupta R, Mathew M, Jayakumar A, Singh N. Performance, energy loss, and degradation prediction of roof-integrated crystalline solar PV system installed in Northern India.  Case Stud. Therm. Eng. 2019, 13, 100409. [Google Scholar]
  27. 27.
    Li W, Kan J, Zhao W, Wang J, Zhang X, Zhao J. Performance study of a new photovoltaic thermoelectric utilization system based on spectral beam splitting device.  Energy Convers.Manag. 2024, 321, 119096. [Google Scholar]
  28. 28.
    Vidyanandan K. An Overview of Factors Affecting the Performance of Solar PV Systems.  Energy Scan 2017, 27, 216. [Google Scholar]
  29. 29.
    Verma A, Singhal S. Solar PV Performance Parameter and Recommendation for Optimization of Performance in Large Scale Grid Connected Solar PV PlantCase Study.  J. Energy Power Source 2015, 2, 40–53. [Google Scholar]
  30. 30.
    Cordero R, Damiani A, Laroze D, MacDonell S, Jorquera J, Sepúlveda E, et al. Effects of soiling on photovoltaic (PV) modules in the Atacama Desert.  Sci. Rep. 2018, 8, 13943. [Google Scholar]
  31. 31.
    Sahana L, Kumaar N, Waldl H, Das P, Ramanathan K, Balaraman K, et al.  Impact of Soiling on Energy Yield of Solar PV Power Plant and Developing Soiling Correction Factor for Solar PV Power Forecasting.  Eur. J. Energy Res. 2021, 1, 21–29. [Google Scholar]
  32. 32.
    Gopi A, Sudhakar K, Ngui W, Kirpichnikova I, Cuce E.  Energy analysis of utility-scale PV plant in the rain-dominated tropical monsoon climates.  Case Stud. Therm. Eng. 2021, 26, 101123. [Google Scholar]
  33. 33.
    Thadani H, Go Y. Integration of solar energy into low-cost housing for sustainable development: Case study in developing countries.  Heliyon 2021, 7, e08513. [Google Scholar]
  34. 34.
    Ekici S, Ali Kopru M. Investigation of PV System Cable Losses.  Int. J. Renew. Energy Res. 2017, 7, 807–815. [Google Scholar]
  35. 35.
    Laajimi M, Go YI. Energy storage system design for large-scale solar PV in Malaysia: Technical and environmental assessments.  J. Energy Storage 2019, 26, 100984. [Google Scholar]
  36. 36.
    Fernandez MI, Go YI. Power management scheme development for large-scale solar grid integration.  J. Electr. Syst. Inf. Technol. 2023, 10, 15. doi:10.1186/s43067-023-00080-7.[Google Scholar]
  37. 37.
    Boutasseta N, Bouakkaz MS, Fergani N, Attoui I, Bouraiou A, Neçaibia A. Solar energy conversion systems optimization using novel Jellyfish based maximum power tracking strategy.  Procedia Comput. Sci. 2021, 194, 80–88. doi:10.1016/j.procs.2021.10.061.[Google Scholar]
  38. 38.
    Stropnik R, Stritih U. Increasing the efficiency of PV panel with the use of PCM.  Renew. Energy 2016, 97, 671–679. [Google Scholar]
  39. 39.
    Alkaff SA, Shamdasania NH, Go YI, Venkiteswaran VK. A Study on Implementation of PV Tracking for Sites Proximate and Away from the Equator.  Process Integr. Optim. Sustain. 2019, 3, 375–382. doi:10.1007/s41660-019-00086-7.[Google Scholar]
  40. 40.
    Abakam M, Alkaff SA, Go YI, Venkiteswaran VK. Modelling and Performance Analysis of a New PVT System, with Two Semi-Transparent PV Panels.  Process Integr. Optim. Sustain. 2019, 3, 359–373. doi:10.1007/s41660-019-00084-9.[Google Scholar]
  41. 41.
    Baqir M, Channi HK. Analysis and design of solar PV system using Pvsyst software.  Mater. Today Proc. 2022, 48, 1332–1338, 2214–7853. doi:10.1016/j.matpr.2021.09.029.[Google Scholar]
  42. 42.
    Mohanan M, Go YI. Optimized Power System Management Scheme for LSS PV Grid Integration in Malaysia using Reactive Power Compensation Technique.  Glob. Chall. 2020, 4, 1900093 . doi:10.1002/gch2.201900093.[Google Scholar]
  43. 43.
    Teo YL, Go YI.  Techno-economic-environmental Analysis of Solar/hybrid/storage for Vertical Farming system: A Case study, Malaysia.  Renew. Energy Focus 2021, 37, 50–67. doi:10.1016/j.ref.2021.02.005.[Google Scholar]
  44. 44.
    PVSyst. PVSyst help file (Version 7.3). 2023. Available online: https://www.pvsyst.com/help (accessed on 20 April 2023).
  45. 45.
    Faruhaan A, Go YI. Energy Storage Sizing and Enhanced Dispatch Strategy with Temperature and Safety Considerations: A Techno-economic Analysis.  Energy Storage 2021, 3, e260. doi:10.1002/est2.260.[Google Scholar]
TOP