Review of Offshore Wind Power Grid Integration and Operation in New Energy Systems
Jizhong Zhu 1 Meiyun Gao 1 Pengfei Xiao 1,* Hanjiang Dong 2 Haohao Zhu 1 Kaixin Lin 1
Received: 26 November 2025 Revised: 24 December 2025 Accepted: 14 January 2026 Published: 03 February 2026
© 2026 The authors. This is an open access article under the Creative Commons Attribution 4.0 International License (https://creativecommons.org/licenses/by/4.0/).
1. Introduction
In recent years, driven by carbon neutrality targets and power system transformation, renewable energy deployment has accelerated worldwide, particularly in countries with ambitious energy transition strategies such as China. National energy strategies have consistently identified large-scale renewable energy deployment as a key pathway toward a low-carbon transition. As economically viable onshore wind resources become increasingly scarce, global wind farm development has shifted toward offshore expansion. Offshore wind power exploits high-quality offshore wind resources and transmits electricity to onshore load centers. Compared to onshore wind farms, offshore installations face less turbulence and offer more stable wind conditions, resulting in higher turbine efficiency. Offshore wind power is therefore regarded as a key resource in future low-carbon power systems. National energy strategies have consistently identified large-scale renewable energy deployment as a key pathway toward a low-carbon transition. As economically viable onshore wind resources become increasingly scarce, global wind farm development has shifted toward offshore expansion. Offshore wind power exploits high-quality offshore wind resources and transmits electricity to onshore load centers. Compared to onshore wind farms, offshore installations face less turbulence and offer more stable wind conditions, resulting in higher turbine efficiency. Offshore wind power is therefore regarded as a key resource in future low-carbon power systems.
Offshore wind power has become an important component of modern energy systems and is increasingly coupled with other offshore industrial activities, which place higher requirements on power transmission, system coordination, and grid integration. However, the large-scale and remote deployment of offshore wind farms introduces substantial challenges to power system operation, including long-distance transmission, high penetration of variable generation, and complex interactions between offshore and onshore grids.
Offshore wind grid integration involves multiple critical technical issues, including offshore power collection and transmission, stability and control under high penetration of stochastic generation, and coordination between offshore wind farms and onshore power systems. In addition, accurate wind power forecasting and coordinated dispatch strategies are essential to mitigate the impacts of wind variability and uncertainty. Despite extensive research efforts, significant challenges remain in these areas, particularly for large-scale offshore wind integration within new energy systems. Therefore, this paper reviews the grid integration and operational characteristics of offshore wind power, focusing on system architecture, key enabling technologies, and remaining technical challenges. The objective is to provide a structured overview of current research progress and to identify future research directions for offshore wind integration in modern power systems.
2. New Energy Systems Incorporating Large-Scale Offshore Wind Power
2.1. Operation of Large-Scale Offshore Wind Power Aggregation
2.1.1. Spatiotemporal Characteristics of Offshore Wind Aggregation
Large-scale offshore wind farms typically comprise dozens to hundreds of wind turbines distributed across offshore areas with varying water depths, forming offshore wind aggregation. Adjacent wind farms share similar meteorological conditions and geographic locations, resulting in temporal patterns of wind power output with strong correlation between neighboring turbines. These outputs exhibit similar trends but low complementarity. Addressing spatiotemporal uncertainty in offshore wind power involves three sequential steps: first, analyzing spatial correlations among multiple wind farms’ outputs; second, examining temporal correlations within individual wind farms’ outputs; and finally, constructing a spatiotemporal uncertainty model. This approach quantifies offshore wind uncertainty.
Considering the spatial correlation of wind power can make the day-ahead and intraday real-time dispatch planning model more realistic, thereby improving dispatch optimization and enhancing the economic efficiency and reliability of system operation [1]. Currently, the spatial correlation of wind farms is primarily analyzed using correlation coefficient matrix-based and Copula function-based correlation analysis methods, while the temporal autocorrelation characteristics are generally analyzed using probability density function methods, time series methods, and Markov chain models [2]. Since individual derivative functions cannot capture asymmetric tail correlations, it is challenging to characterize the diverse correlations among wind farms accurately. Therefore, a hybrid Copula function with different weightings will be constructed to describe the spatiotemporal correlations among multiple offshore wind farms. The overall output distribution characteristics and volatility of offshore multi-wind power systems are closely related to the wind speeds at individual wind farms. As the spatial distribution scale increases, the volatility of wind power generation gradually diminishes, and the relationship curve between its maximum value and installed capacity exhibits a certain moderating effect [3].
2.1.2. Internal Collection and Aggregation Configurations of Offshore Wind Farms
Offshore wind power collection methods primarily include AC (Alternating Current, AC) and DC (Direct Current, DC) systems. Collection systems mainly comprise submarine cables, switchgear, and offshore substations. Key research directions for achieving economic viability and reliability in large-scale offshore wind power collection systems include optimizing the geographic positioning of offshore step-up substations, obtaining wiring schemes that achieve the optimal balance of cost-effectiveness and reliability, and scientifically delineating adjacent turbine zones.
Common AC collection system topologies for offshore wind farms include radial, star, single-sided loop, double-sided loop, and composite loop configurations. In recent years, numerous scholars have conducted optimization studies on AC collection system topologies. Reference [4] employs a single-parent genetic algorithm to optimize the topology of collection systems to meet economic requirements under varying conditions. Reference [5] utilizes a fuzzy C-means clustering-based optimization method to design topologies and employs Monte Carlo simulation to establish a reliability evaluation framework for large-scale offshore wind farm collection systems. Reference [6] applies reliability assessment methods to design topologies and employs graph theory to derive reliability metrics for analysis. Reference [7] evaluated the economic and technical indicators of different topologies and compared multiple configurations. In summary, extensive research has been conducted on the internal network topology design for offshore AC wind farms. However, studies on the internal network topology design for offshore DC wind farms remain relatively scarce. Currently, the internal network topology configurations for offshore DC wind farms include parallel topology, series-parallel topology, parallel-series topology, and matrix topology. Comparisons based on internal losses, economic viability, and reliability indicate that series-parallel and parallel-series topologies currently hold advantages [8]. Reference [9] categorizes offshore wind DC topologies into series-boost and radial configurations and analyzes their control strategies through comparative evaluation. Research on offshore wind power collection system topologies has primarily focused on optimizing large-scale systems by prioritizing economic efficiency and reliability as key objectives.
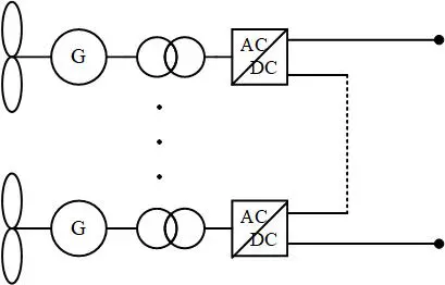
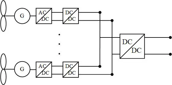
Offshore wind power aggregation collection systems reliably interconnect numerous offshore wind turbines while maximizing cost savings. Typically, these systems comprise multiple wind turbines, collection cables, switchgear, transformers, and other electrical equipment. Offshore wind power aggregation collection methods can be categorized into AC parallel, DC parallel, and DC series configurations. Figure 1 illustrates the AC parallel collection method, Figure 2 shows the DC parallel collection method, and Figure 3 depicts the DC series collection method [10].

Figure 1. AC parallel collection configuration for offshore wind farm aggregation. AC and DC denote alternating current and direct current, respectively, as defined previously. G denotes the generator. The same notation is used in the following figures.

Figure 3. DC series collection configuration for offshore wind farm aggregation. The dashed line indicates the series DC interconnection between adjacent converter units, representing the DC collection path rather than a physical cable layout.
2.1.3. Grid-Connection Schemes for Large-Scale Offshore Wind Power Aggregation
The integration of large-scale offshore wind power systems involves two processes: collection and grid connection. Similar to collection methods, grid connection also employs two approaches: High Voltage Alternating Current (HVAC) and High Voltage Direct Current (HVDC). Additionally, these include Voltage Source Converter-Based High Voltage Direct Current (VSC-HVDC) and Fractional Frequency Transmission System (FFTS).
HVAC systems feature simple structures, low transmission costs over short distances, mature technology, and extensive engineering experience. However, they incur high costs for long-distance transmission and present challenges such as overvoltage and reactive power control, as illustrated in Figure 4 [10].

Figure 4. HVAC-based grid-connection scheme for offshore wind farm aggregation. The dashed line indicates the boundary between offshore and onshore power equipment networks. The same notation is used in the following figures.
Traditional HVDC systems are suitable for long-distance, high-capacity applications requiring flexible operational adjustments and large-scale power transmission. However, converter equipment is costly, difficult to maintain, and complex, exacerbating harmonic pollution and increasing the risk of commutation failures that compromise the stability of wind power systems. Additionally, extensive installation of reactive power compensation devices is required, occupying significant space. Traditional HVDC is unsuitable for offshore wind power applications [10]. Consequently, international practices predominantly employ HVAC and VSC-HVDC grid integration methods, avoiding traditional HVDC grid connection. Relatively speaking, flexible DC transmission technology is more mature internationally. DC-based grid connection primarily replaces substations with AC/DC converter stations and DC/AC inverter stations. It encompasses high-voltage DC grid connection based on line-commutated converters and self-commutated converters, representing a currently reliable grid connection solution. Similar to high-voltage AC grid integration, this approach incorporates offshore wind turbine clusters, AC/DC rectifiers, DC/AC inverters, step-up transformers, and medium-voltage AC collection busbars. It additionally includes offshore AC/DC rectifier stations, DC transmission cables, and onshore DC/AC converter stations. The offshore wind power output from the medium-voltage AC collection bus is converted into DC power, transmitted via DC cables to the onshore inverter station, and then fed into the grid. Figure 5 shows a schematic diagram of offshore wind aggregation grid-connected via high-voltage DC using line-commutated converters, while Figure 6 illustrates a schematic diagram of offshore wind aggregation grid-connected via high-voltage DC using self-commutated converters [10].
Compared to conventional DC lines, VSC-HVDC eliminates capacitive charging current issues while offering compact system structures, minimal footprint, modularity, ease of construction, flexible control, and reduced environmental impact. It overcomes transmission distance limitations and significantly enhances the transmission capacity of existing power grids. Its rapid, independent control of active and reactive power is beneficial for improving wind power quality, making it the primary technology for grid integration of offshore wind farms [11]. However, it suffers from high power losses, limited transmission capacity, and relatively high costs. Basic research on VSC-HVDC in China remains limited, necessitating further study integrated with engineering experience. FFTS’s effective load capacity substantially extends power transmission distances, eliminating the need for offshore converter stations and significantly reducing construction and maintenance costs. While it offers advantages for offshore grid development, current research indicates that the technology remains immature and lacks practical engineering examples.
A comparison of transmission technologies for deep offshore wind power is presented in Table 1 [12]. In summary, based on economic viability and reliability, the current mainstream research and development trend globally is source-type flexible DC transmission. Engineering decisions should reasonably select between high-voltage AC, source-type flexible DC, or hybrid transmission based on factors such as offshore distance and transmission capacity.
Table 1. Comparison of transmission technologies for deep offshore wind power.
|
Item |
HVAC |
VSC-HVDC |
FFTS |
|---|---|---|---|
|
Typical transmission distance |
<70 km |
>70 km |
>70 km |
|
Offshore platform |
Reactive compensation platform (>70 km) |
Converter platform |
None |
|
Black-start capability |
Yes |
Yes |
Yes |
|
Independent control of active & reactive power |
No |
Yes |
Yes |
|
Investment cost |
Low |
High |
Low |
|
Technological maturity |
High |
High |
Low |
2.2. VSC-HVDC-Based Grid Integration Technologies for Large-Scale Offshore Wind Power
The new energy system is fundamentally driven by the imperative to achieve carbon peak and carbon neutrality goals, to implement new development concepts, to establish a new development paradigm, and to advance high-quality development. It prioritizes ensuring energy and power security as its foundational premise, with the primary objective of meeting electricity demands for socioeconomic development and the core mission of maximizing the integration of new energy sources. Centered on a robust smart grid as its pivotal platform, it is underpinned by the interaction between generation, grid, load, and storage, alongside multi-energy complementarity. This system embodies the essential characteristics of being clean and low-carbon, secure and controllable, flexible and efficient, and intelligent, user-friendly, and open-interactive. Developing large-scale offshore wind power is a crucial measure for China to build a new energy system centered on renewable sources and achieve carbon peak and carbon neutrality goals.
The new energy system incorporating large-scale offshore wind power integrates offshore wind as a vital component within the broader energy framework. It combines this with other power generation methods, energy storage technologies, and smart transmission and distribution facilities to form a novel energy and power system. Large-scale offshore wind farms, characterized by high capacity and long distances, typically employ VSC-HVDC technology for grid integration, introducing numerous new components such as voltage-source converters and DC transmission lines. Consequently, the physical architecture and power flow modeling of this new energy system differ significantly from conventional AC power systems.
VSC-HVDC, based on fully controllable power electronic devices and pulse width modulation technology, offers advantages such as rapid response, excellent controllability, flexible operation modes, the ability to supply power to passive networks, immunity to commutation failures, and ease of configuring multi-terminal DC systems [13]. A typical VSC-HVDC system comprises voltage-source converters, transformers, commutation reactors, circuit breakers, AC filters, DC cables, DC capacitors, and DC filters. The voltage-source converter serves as the most critical module, performing rectification and inversion functions to facilitate energy conversion between AC and DC systems. Given the physical characteristics of VSC-HVDC, investigating its topology, mathematical models, and control strategies is crucial for analyzing novel energy systems incorporating large-scale offshore wind power.
2.2.1. VSC-HVDC Topologies for Large-Scale Offshore Wind Power Integration
Regarding VSC-HVDC topologies, Reference [14] introduces three primary converter topologies suitable for VSC-HVDC systems and compares their advantages and disadvantages in terms of cost, DC capacitor capacity, commutation reactors, and footprint. Reference [15] proposes a high-power multi-module VSC-HVDC topology that reduces the number of directly series-connected power electronic devices and their switching frequencies, thereby simplifying the main circuit topology. Reference [16] designs an optimized VSC-HVDC solution for grid-connected transmission of large-scale offshore wind farms. Reference [17] presents fundamental methods for selecting optimal VSC-HVDC main circuit topologies and modulation strategies based on practical engineering applications. Reference [18] investigates a novel multi-terminal VSC-HVDC topology connecting two offshore wind farms to a single onshore substation for large-scale offshore wind farm aggregation. This topology halves the requirement for high-voltage DC circuit breakers and eliminates the need for additional offshore substations. PSCAD/EMTDC simulations validate its effectiveness as a multi-terminal VSC-HVDC transmission system topology. Reference [19] proposes a novel VSC-HVDC topology termed the Hybrid-Legs Bridge Converter (HLBC) as an alternative to Modular Multilevel Converters (MMC). This converter hybridizes a two-level converter with an MMC. Compared to MMCs and series MMCs, the series HLBC requires only one-third and one-half the number of submodules, respectively. Furthermore, the series HLBC eliminates the need for any arm inductors or DC-side filters. Compared to existing converter topologies, the HLBC offers advantages such as flexibility and compactness, potentially making it a superior solution for high-voltage direct current transmission applications. However, the HLBC remains in the research phase, with numerous challenges yet to be resolved. Currently, the technically mature and highly efficient MMC remains the preferred converter topology for VSC-HVDC transmission systems.
2.2.2. Mathematical Modeling of VSC-HVDC for Offshore Wind Power Integration
Modeling VSC-HVDC systems forms the foundation for designing their control strategies. Regarding VSC-HVDC mathematical models, Reference [20] proposes a power flow model based on the Newton-Raphson method. The VSC is not treated as an ideal voltage source but rather as a composite transformer device, with certain control characteristics of PWM-based inverters associated with it. This model also accounts for the design limits of VSC inductive and capacitive reactive power, switching losses, and resistive losses. Reference [21] developed a Newton-Raphson power flow model applicable to point-to-point and multi-terminal VSC-HVDC networks. Unlike existing models, the modulation index of the VSC converter can be represented as an unknown variable, and both the topology of the VSC-HVDC network and the number of converter stations can be arbitrarily selected. Based on the operating principles of VSC-HVDC, reference [22] employs an implicit trapezoidal integration method to establish an electromagnetic transient simulation model for VSC-HVDC, proposing an iterative numerical calculation method to solve implicit difference equations. Reference [23] summarizes and establishes a PSS/E-based electromechanical transient model for VSC-HVDC based on its fundamental frequency mathematical model in the d-q rotating coordinate system. The dynamic process exhibits excellent consistency compared to the precise electromagnetic transient model of VSC-HVDC in PSCAD/EMTDC. Reference [24] introduces a novel RMS model for VSC-HVDC. The VSC is modeled as an ideal phase-shifting transformer, with its primary and secondary windings corresponding to the AC and DC buses of the VSC. The magnitude and phase angle of the ideal phase-shifting transformer represent the amplitude modulation ratio and phase shift present in the PWM converter. This dynamic model enables efficient simulation of large-scale power systems. Reference [25] proposes a multiscale transient model for AC/DC power systems incorporating VSC-HVDC, based on methods such as frequency-shift analysis. The frequency-shift analysis employs the Hilbert transform to accurately describe the multiscale transient processes of VSC-HVDC. Reference [26] compares three primary MMC VSC-HVDC model generation techniques across typical simulation cases, evaluating both accuracy and simulation speed. Additionally, an improved model is proposed to enhance computational efficiency further. Finally, a set of modeling recommendations is presented to provide technical guidance for MMC modeling. Reference [27] comprehensively explains the fundamental concepts, methodologies, applicability, and computational efficiency of detailed MMC models, equivalent circuit models, mean-value models, and simplified mean-value models, pointing the way forward for MMC electromagnetic transient modeling. In summary, significant progress has been made in VSC-HVDC mathematical modeling. However, challenges remain in computational accuracy, computational efficiency, multi-terminal network modeling, and adaptability. Future research should focus on integration within new energy systems and exploring model adjustability and flexibility.
2.2.3. Control Strategies of VSC-HVDC for Large-Scale Offshore Wind Power
Regarding VSC-HVDC control strategies, the current approach generally employs current PI closed-loop control. This achieves decoupled control of active and reactive power within the d-q coordinate system, thereby enhancing the system’s steady-state control performance. To further improve the reliability of VSC-HVDC systems, researchers have explored novel control strategies. Reference [28] proposes a feedforward decoupled current control strategy using PARK transformation for stable control of the VSC in rotating coordinates, enabling independent control of active and reactive power in the VSC-HVDC system. This strategy features fast response and robust stability, maintaining system control even after an AC transient single-phase-to-ground fault. Reference [29] developed a simplified fundamental frequency steady-state model based on the fundamental frequency dynamic model of a back-to-back VSC system, providing a set of single-input single-output (SISO) control methods to replace the multi-input multi-output (MIMO) control of VSC systems. Reference [30] proposed a power control method based on the VSC power loop, fully utilizing the transmission capacity of the VSC-HVDC system to support system voltage during faults and enhance voltage stability. Reference [31] addresses the poor DC voltage quality associated with droop control strategies by introducing an improved adaptive droop control strategy incorporating a power influence factor. This achieves closed-loop control of the droop coefficient, enabling better adaptation to varying system operating conditions. Reference [32] proposes an enhanced voltage control strategy based on model predictive control. It regulates the VSC-HVDC voltage while considering the economic operation of offshore wind farms, thereby reducing system power losses. Reference [33] proposes a coordinated control scheme for frequency support provided by offshore wind farms and VSC-HVDC systems. Offshore wind turbines operate at reduced load to generate power reserves, while DC capacitors within the VSC-HVDC can alter DC bus voltage to participate in frequency control. Reference [34] proposes a coordinated damping control strategy utilizing the power regulation capabilities of doubly fed wind turbines and VSC-HVDC. This approach compensates for power at the grid connection point, maintains the grid connection point voltage, and enhances system transient power angle stability. Reference [35] addresses high-frequency stability issues in doubly-fed wind turbines and VSC-HVDC systems under phase-locked loop-free direct power control. It analyzes the influence of control delays on system high-frequency impedance, investigates the mechanism of high-frequency resonance occurrence, and proposes an impedance reshaping method for doubly-fed wind systems based on delay elimination, along with a high-frequency oscillation suppression strategy. Reference [36] addresses the deterioration of dynamic performance in HVDC systems caused by existing active high-frequency oscillation suppression strategies. It proposes a dynamic performance-friendly high-frequency self-stabilizing control strategy based on a voltage feedforward dead-zone controller and a current feedback resistance correction controller, capable of adapting to various grid operating conditions. In summary, research on VSC-HVDC control strategies continues to evolve, exploring multiple directions—from closed-loop control based on the d-p coordinate system to feedforward decoupled current control, power control, and impedance reshaping—to enhance system performance, reliability, and adaptability.
2.3. Source–Load Characteristics of New Energy Systems with Large-Scale Offshore Wind Integration
Offshore wind power generation exhibits characteristics of volatility, intermittency, and unpredictability. When combined with load uncertainty, this makes the power system more unstable. Traditional power systems rely on conventional energy reserves to address abnormal weather conditions and load fluctuations. With the large-scale integration of offshore wind power, thermal power units in traditional power systems will gradually be replaced by photovoltaic and wind turbines with power electronic interfaces. This leads to reduced system regulation capabilities, resulting in low inertia and significant voltage and frequency fluctuations. Traditional reserve energy sources struggle to bridge the gap in energy demand [37]. Therefore, against the backdrop of transitioning to a low-carbon, clean energy structure, analyzing and predicting source-load characteristics in new energy systems holds significant research value.
The energy supply side of new energy systems encompasses resources such as electricity, gas, heat, and cooling. The large-scale grid integration of offshore wind power introduces heightened uncertainty into both power and energy systems, necessitating a preliminary assessment of power system flexibility. Power system flexibility characterizes the system’s ability to balance electricity supply and demand. At the relevant timescale of active power balance, it reflects the system’s capacity to optimize the allocation of available resources—including generation, grid, and load—to accommodate random variations at a given cost. Reasonably assessing power system flexibility requirements and analyzing the impact of offshore wind power on power system flexibility are key research focuses. Reference [37] reviews the current state of domestic and international research on integrated energy system flexibility, defines a mathematical model for integrated energy systems, and constructs a research framework from three aspects: physical mechanisms, enhancement pathways, and modeling, quantification, and evaluation methods. Reference [38] analyzes factors influencing power system flexibility, proposes a multi-timescale assessment model, and identifies three categories of flexibility enhancement approaches based on resource and demand mechanisms. Power system flexibility plays a crucial role in measuring system reliability and security assurance, making its evaluation essential. However, further research is needed on assessment criteria and models.
On the generation side, one approach is to increase the installed capacity of conventional power units and raise the share of flexible power sources, such as pumped storage and gas-fired storage, to expand the reserve capacity of traditional peak-shaving units. Another approach involves deploying energy storage systems to assist in the dispatch of traditional energy sources such as thermal and hydroelectric power, leveraging the rapid bidirectional regulation capabilities of energy storage to fill demand gaps. Optimizing day-ahead scheduling for conventional units, such as thermal power plants, requires adapting unit combination models to frequent fluctuations in high-penetration renewable systems. Reference [39] optimized power plant planning and scheduling tools by forecasting 15-min average wind speed time series, evaluating the impact of large-scale wind power on system operation. Reference [40] summarizes the output characteristics of conventional power sources, such as thermal power, gas turbines, and pumped storage. It establishes fuel consumption cost models for thermal and gas turbine units, demonstrating complementary properties and synergistic effects achievable across different energy forms. Pumped storage power plants serve as energy storage with large-scale charging/discharging capabilities, enabling flexible resource dispatch across various time scales. Reference [41] addresses grid demand uncertainty and random failures by proposing a two-stage sequential optimization method for pumped storage plants. This method automatically schedules pumped storage based on designed control modules, effectively reducing output deviations between actual and forecasted renewable generation. Reference [42] establishes a hierarchical optimization dispatch model for pumped storage-thermal power combined peak regulation, significantly improving system peak regulation economics and thermal power peak regulation efficiency while reducing wind curtailment rates. While extensive research exists on dispatch planning for conventional units, studies addressing intraday dispatch planning at finer temporal scales remain scarce. For instance, adopting more granular time-scale divisions to track load demand represents a viable research direction.
Resources capable of flexible dispatch in power systems include dispatchable generating units, flexible loads, energy storage systems, electric vehicle fleets, virtual power plants, and smart buildings. Electric vehicles and air conditioners can serve as flexible energy storage sources. Aggregators bundle dispersed loads to participate in power system regulation, significantly increasing dispatch capacity and improving dispatch efficiency. Compared to conventional loads, electric vehicle charging loads exhibit strong time-shifting flexibility and spatiotemporal characteristics [43]. Reference [44] calculates load supply capacity using electric vehicle charging/discharging as flexible loads. Results indicate second-level regulation capability, meeting real-time flexibility dispatch demands. Thermal control loads, such as air conditioners, exhibit high dispatch potential and flexibility, with operating times and power levels adaptable to power system needs to fulfill dispatch tasks [43]. Reference [45] analyzed the regulation capability of variable-frequency air conditioners based on wind power fluctuation patterns, demonstrating that demand response from these loads can reduce system reserve capacity while optimizing wind power output. Reference [46] established a basic characteristic model for residential electricity loads and proposed an optimal method for coordinating flexible loads. Reference [47] integrates modeling and optimization of generating units, grid structures, and flexible loads to derive optimal grid coordination schemes and flexible load dispatch strategies, thereby reducing network operating costs and enhancing wind power integration. Hydrogen energy, characterized by high energy density, high conversion efficiency, and storability/transportability, is widely recognized as a key method for large-scale conversion of surplus renewable electricity [43]. Hydrogen energy can facilitate power system decarbonization, with current research primarily focused on renewable hydrogen production technologies and hydrogen storage/transportation. Reference [48] evaluated the cost of producing electrolytic hydrogen via grid-based hydrogen production systems, indicating that under future stringent CO2 emission standards, electrolytic hydrogen costs could gradually decrease. Reference [49] specifically examined underground hydrogen storage and natural gas hydrogen storage, demonstrating hydrogen’s potential to promote cross-seasonal integration of renewable energy. However, due to the high cost of hydrogen storage facilities, China has yet to establish a large-scale hydrogen storage pipeline network [50]. Blending hydrogen with natural gas to form hydrogen-natural gas mixtures and injecting them into the national natural gas pipeline network enables interprovincial transportation and utilization of hydrogen energy [43]. The flexible dispatch and rational utilization of these resources are crucial for ensuring stable power system operation, enhancing renewable energy integration levels, and advancing the system’s transition toward low-carbon development.
Forecasting wind power and electricity demand is vital for enhancing renewable energy integration. Current research on wind power forecasting primarily focuses on two aspects: optimizing prediction models and mining data characteristics related to wind power output. Reference [51] summarizes wind power forecasting techniques, exploring application scenarios and performance evaluation methods for different prediction models. Reference [52] incorporates multi-location NWP data and non-typical features for forecasting, but relying solely on NWP data for model prediction is constrained by its accuracy. Reference [43] utilizes actual measured power data from wind farms and employs a first-order Markov chain as the prediction model. However, since the autocorrelation of the sequence weakens over time, using only wind power data allows only for ultra-short-term forecasting. Most existing studies address wind power or load separately. Given the correlation between wind power generation and load demand, integrated forecasting processes are essential for better integrating renewable energy into power systems. Reference [53] introduced an artificial intelligence algorithm based on fuzzy neural networks to form a multi-timescale coordinated combination forecasting method for offshore wind power, enhancing the prediction accuracy of offshore wind power output across multiple timescales. These studies provide valuable insights and methods for improving the accuracy and reliability of wind power forecasting. However, further research is still needed, particularly when considering the complex correlation between wind power generation and load demand, to achieve more comprehensive and precise predictions.
Regarding the analysis of offshore wind power output prediction errors, first, one can begin by fitting the power characteristic curves of offshore wind farms. Using the traditional single-unit power characteristic format, this approach reflects how turbines within the wind farm respond to different wind speed ranges. It then analyzes the fitting error corresponding to each wind speed range—that is, the power prediction error caused solely by the power characteristic fitting error of the wind farm. Second, without considering power characteristic fitting errors, the impact of wind speed prediction errors on power prediction errors is investigated, illustrating the transmission effect of power characteristic curves on wind speed prediction errors. Finally, by combining power characteristic fitting errors and wind speed prediction errors, the joint conditional probability distribution of wind speed and power output is obtained for offshore wind power prediction. This provides a detailed characterization of power prediction errors at various wind speeds, as shown in Figure 7.
Specifically, historical output data from the wind farm and average wind speeds measured at multiple meteorological towers at corresponding times are first used as samples to fit the overall power characteristic curve of the wind farm. Since wind cut-off speeds are rarely encountered during actual wind farm operation, modeling for wind cut-off speeds is temporarily omitted. The power characteristic curve is fitted using the least squares method:
Using maximum likelihood estimation techniques, the power error distribution $$\epsilon \left(v\right)$$ within each wind speed range is obtained. Subsequently, based on historical wind speed measurements and forecast values within the offshore wind farm or its surrounding region, maximum likelihood estimation is employed to derive the wind speed forecast error distribution $$\xi \left(v\right)$$ for each wind speed range. Finally, Monte Carlo double-layer sampling was employed to simulate power forecasting errors across wind speed intervals, simultaneously accounting for both power characteristic fitting errors and wind speed prediction errors. Maximum likelihood estimation was then applied to analyze the maximum likelihood values corresponding to each candidate distribution for power prediction errors within each wind speed interval. The distribution yielding the maximum value was selected as the power prediction error distribution for that specific wind speed interval.
Beyond analyzing and forecasting the source-load characteristics of power systems, offshore wind power integration can also be approached from the perspective of gas and thermal systems. This involves leveraging multi-energy coupling devices and the inertial demand of gas/thermal networks. Classic electricity-integrated multi-energy coupling devices include heat pumps, electric boilers, fuel cells, combined heat and power (CHP) units, and electricity-to-gas conversion systems [54,55,56]. Reference [57] proposes a method to quantify the dispatch resources provided by gas pipelines to power systems, while [58] suggests achieving system supply-demand balance by adjusting the operating conditions of hydraulic and thermal components within heating networks. These approaches highlight the potential of multi-energy coupling devices and gas/heat networks to balance the fluctuations of offshore wind power within power systems. This integrated approach, which considers diverse energy sources and systems, enhances reliability and flexibility, thereby promoting broader renewable energy integration into power grids.
Offshore wind aggregation exhibits spatiotemporal coupling correlations both internally and between clusters. Against the backdrop of maximizing wind and solar resource utilization, both new energy generation and loads can be regarded as sources of power balance disturbances in the grid. By analyzing controllable units of different types within the system and optimizing the allocation of upward and downward flexibility resources, the system can adapt to random fluctuations [59]. Reference [60] analyzes various flexibility resources and demands within energy networks. Reference [61] conducts a source-load flexibility analysis for new power systems, proposing a day-ahead optimization scheduling strategy that incorporates time-of-day control. Finally, it optimizes the strategy and unit model of pumped storage power plants by considering cost allocation. In summary, through in-depth analysis of the internal and external spatiotemporal relationships within offshore wind power systems and utilizing optimized dispatch of different types of controllable units and flexibility resources, the system can effectively adapt to random fluctuations. This comprehensive research holds promise for enhancing the stability and reliability of power systems and for providing more effective solutions for the large-scale integration of new energy sources.
3. Future Trends in Large-Scale Offshore Wind Grid Connection and Operation
3.1. Future Development of Grid Integration Technologies for Large-Scale Offshore Wind Aggregation
The development of large-scale offshore wind power is a key pathway toward low-carbon power system transformation and the accommodation of high shares of renewable energy. With continuous advances in meteorological and marine observation technologies, higher-resolution wind field and ocean condition data are becoming increasingly available. In the near to medium term, improving the utilization of these data to better characterize the spatiotemporal correlation of offshore wind power at the aggregation level represents an important engineering priority, as it directly supports wind farm planning, system design, and operational decision-making.
Digitalization and intelligent technologies are expected to play an increasingly important role in offshore wind grid integration. In the near term, advances in sensing, communication, and data-processing technologies can enhance situational awareness and support more efficient power collection and coordinated operation of large-scale offshore wind aggregation. These developments primarily address practical engineering challenges related to operational efficiency and reliability under varying environmental and grid conditions.
From a longer-term perspective, the evolution of VSC-HVDC-based grid integration technologies will be a central research focus. Due to their large capacity and long transmission distances, offshore wind farms are typically connected to onshore power systems via VSC-HVDC, introducing extensive power electronic interfaces and DC transmission infrastructure. Future research is expected to explore more flexible system architectures, such as multi-terminal DC systems and meshed DC grids, better to accommodate the variability and uncertainty of offshore wind generation. In parallel, the development of more detailed and comprehensive mathematical models will be required to accurately capture the dynamic behavior, nonlinearities, and interaction effects of converter-dominated offshore wind systems. These modeling advances will form the foundation for next-generation optimization and data-driven control strategies aimed at enhancing long-term system stability, robustness, and fault resilience.
3.2. Operational Modeling and Coordination of Large-Scale Offshore Wind Aggregation
Offshore wind power is characterized by high energy density, relatively stable wind conditions, and large unit capacities. However, its inherent variability and uncertainty pose significant challenges to power system operation, particularly at high penetration levels. Future research on power systems incorporating large-scale offshore wind aggregation is expected to focus on dynamic optimal power flow, multi-timescale coordinated economic dispatch, and robust operation under extreme weather conditions, such as typhoons and severe marine environments.
Operational modeling of large-scale offshore wind aggregation should explicitly account for the geographical distribution of wind turbines and wind farms, as well as their electrical interconnections through offshore and onshore grids. Since an aggregation consists of multiple wind generation units, internal coordination optimization is required to regulate power outputs among turbines and wind farms. Such coordination aims to maximize the overall aggregation output while mitigating internal power imbalances, thereby reducing adverse impacts on grid stability and power quality.
For offshore wind aggregation with multiple grid connection points, more sophisticated stability analyses are necessary. These analyses should jointly consider voltage and frequency dynamics, as well as coordinated operation among different connection points. The integration of flexible resources, including energy storage systems and fast-response power electronic devices, is expected to play a critical role in enhancing grid-connection stability and operational flexibility.
In addition, the design and optimization of submarine cable networks remain a crucial aspect of large-scale offshore wind aggregation. Key issues include cable routing, length optimization, redundancy design, and the assessment of fault impacts on system operation. By modeling fault propagation, outage scope, and restoration processes, effective fault detection and rapid recovery strategies can be developed to reduce power losses and improve system resilience.
The spatiotemporal correlation between wind speed and power output is a fundamental factor influencing aggregation-level grid integration and power system dispatch. Advanced modeling techniques, such as Copula-based nonlinear correlation analysis, time-series methods, and machine learning approaches, can be used to quantify wind speed and power correlations among different offshore wind farms. These models provide essential support for economic dispatch, uncertainty-aware operation, and robust grid integration of large-scale offshore wind aggregation, particularly under extreme and rapidly changing environmental conditions.
4. Conclusions
Large-scale offshore wind aggregation exhibits complex and dynamic spatiotemporal characteristics, with its operation influenced by multiple natural environmental factors such as wind speed, tides, and waves. Current research on the spatiotemporal properties of offshore wind aggregation remains insufficient, necessitating enhanced understanding and prediction of the relationship between environmental factors and aggregation operation. Different power collection methods for offshore wind aggregation each possess advantages and disadvantages, requiring selection based on specific geographical, economic, and technical conditions. The selection of aggregation methods directly impacts power transmission efficiency and reliability, necessitating improved performance evaluations of different approaches. Grid-connection technology for offshore wind aggregation is a critical factor for their successful operation. VSC-HVDC technology offers unique advantages such as unrestricted transmission distances, flexible control, and modularity, making it the preferred choice for offshore wind grid integration. However, issues including high power losses, limited transmission capacity, and relatively high costs require further investigation.
In new energy systems incorporating large-scale offshore wind power, VSC-HVDC technology introduces numerous new power electronic components. Its physical architecture and power flow modeling differ significantly from conventional AC power systems. Research into the physical characteristics of VSC-HVDC, including its topology, mathematical models, and control strategies, is therefore crucial. VSC-HVDC systems feature multiple topological configurations, including single-level, two-level, and multi-level structures. Among these, multi-level structures better accommodate large-scale offshore wind integration, offering enhanced stability and flexibility. Mathematical models for VSC-HVDC systems primarily encompass circuit equations, control equations, and state equations. For novel energy systems incorporating extensive offshore wind power, more precise mathematical models are required to accurately describe system behavior and performance. Control strategies for VSC-HVDC systems primarily encompass power control, current control, and voltage control. Current implementation predominantly employs the current PI closed-loop control to achieve decoupled active and reactive power regulation. However, current PI closed-loop control has limitations, necessitating the development of more optimized control strategies tailored to actual system conditions to enhance stability and reliability.
The fluctuating and intermittent nature of offshore wind power output, combined with load uncertainty, exacerbates grid instability. Therefore, studying the source-load characteristics of renewable energy systems is crucial. Current energy systems primarily feature multi-energy coordination and the integration of distributed power sources. On the supply side, stability is maintained by increasing conventional generator capacity, enhancing the proportion of flexible power sources, and leveraging the rapid bidirectional regulation capabilities of energy storage systems. On the load side, integrating resources capable of flexible dispatch into power system regulation enhances dispatch efficiency. Current approaches to forecasting wind power and load demand primarily focus on optimizing forecasting models and mining wind power-related data. Additionally, research is needed on the spatiotemporal coupling correlations within offshore wind aggregation to fully optimize the allocation of flexible resources and address system volatility.
Acknowledgments
The authors would like to thank Shenglin Li and Qingju Luo for their helpful assistance during this study.
Author Contributions
Conceptualization and scope definition, J.Z. and P.X.; Literature survey and analysis, M.G. and P.X.; Manuscript structure and organization, M.G. and J.Z.; Writing—Original Draft Preparation, M.G.; Writing—Review & Editing, P.X., H.D., H.Z. and K.L.; Supervision and coordination, J.Z. and P.X. All authors have read and agreed to the published version of the manuscript.
Ethics Statement
Not applicable.
Informed Consent Statement
Not applicable.
Data Availability Statement
No new date created in this manuscript.
Funding
This research was funded by the Guangdong Basic and Applied Basic Research Foundation grant number (2022B1515250006).
Declaration of Competing Interest
The authors declare that they have no known competing financial interests or personal relationships that could have appeared to influence the work reported in this paper.
References
-
Talari S, Shafie-khah M, Chen Y, Wei W, Gaspar PD, Catalao JPS. Real-time scheduling of demand response options considering the volatility of wind power generation. IEEE Trans. Sustain. Energy 2019, 10, 1633–1643. DOI:10.1109/TSTE.2018.2868449 [Google Scholar]
-
Wu F, Yang M, Shi C. Short-term prediction of wind power considering the fusion of multiple spatial and temporal correlation features. Front. Energy Res. 2022, 10, 878160. DOI:10.3389/fenrg.2022.878160 [Google Scholar]
-
Wang L, He Y. M2STAN: Multi-modal multi-task spatiotemporal attention network for multi-location ultra-short-term wind power multi-step predictions. Appl. Energy 2022, 324, 119672. DOI:10.1016/j.apenergy.2022.119672 [Google Scholar]
-
El Mokhi C, Addaim A. Optimization of wind turbine interconnections in an offshore wind farm using metaheuristic algorithms. Sustainability 2020, 12, 5761. DOI:10.3390/su12145761 [Google Scholar]
-
Chen Y, Dong Z, Meng K, Luo F, Yao W, Qiu J. A novel technique for the optimal design of offshore wind farm electrical layout. J. Mod. Power Syst. Clean Energy 2013, 1, 254–259. DOI:10.1007/s40565-013-0035-x [Google Scholar]
-
Wang L, Wu J, Tang Z, Wang T. An integration optimization method for power collection systems of offshore wind farms. Energies 2019, 12, 3965. DOI:10.3390/en12203965 [Google Scholar]
-
Rodrigues S, Restrepo C, Katsouris G, Teixeira Pinto R, Soleimanzadeh M, Bosman P, et al. A multi-objective optimization framework for offshore wind farm layouts and electrical infrastructures. Energies 2016, 9, 216. DOI:10.3390/en9030216 [Google Scholar]
-
Kallinger MD, Rapha JI, Trubat Casal P, Domínguez-García JL. Offshore electrical grid layout optimization for floating wind—A review. Clean Technol. 2023, 5, 791–827. [Google Scholar]
-
Li H, Jiang K, Lu Z, Hou J, Xu S, Qi W, et al. Optimization of the offshore wind power grid-connected structure based on an improved genetic algorithm. Front. Energy Res. 2023, 11, 1140711. DOI:10.3389/fenrg.2023.1140711 [Google Scholar]
-
Chen Z, Koondhar MA, Kaloi GS, Yousaf MZ, Ali A, Alaas ZM, et al. Offshore wind farms interfacing using HVAC-HVDC schemes: A review. Comput. Electr. Eng. 2024, 120, 109797. DOI:10.1016/j.compeleceng.2024.109797 [Google Scholar]
-
Korompili A, Wu Q, Zhao H. Review of VSC HVDC Connection for Offshore Wind Power Integration. Renew. Sustain. Energy Rev. 2016, 59, 1405–1414. DOI:10.1016/j.rser.2016.01.064 [Google Scholar]
-
Yang B, Liu BQ, Zhou HY, Wang JB, Yao W, Wu S, et al. A critical survey of technologies of large offshore wind farm integration: summary, advances, and perspectives. Prot. Control. Mod. Power Syst. 2022, 7, 17. DOI:10.1186/s41601-022-00239-w [Google Scholar]
-
Cornelis Plet. VSC-HVDC technology: European use cases, maturity, experiences and future plans. In Proceedings of the ERCOT HVDC Workshop, Austin, TX, USA, 26 June 2023. [Google Scholar]
-
Andersen BR, Xu L, Horton PJ, Cartwright P. Topologies for vsc transmission. Power Eng. 2001, 16, 142–150. DOI:10.1049/cp:20010559 [Google Scholar]
-
Tian Y, Wickramasinghe HR, Li Z, Pou J, Konstantinou G. Review, classification and loss comparison of modular multilevel converter submodules for HVDC applications. Energies 2022, 15, 1985. DOI:10.3390/en15061985 [Google Scholar]
-
Zhou K, Fu X, Cheng M, Zhu X, Wang W, Wang T. Topologies and control of VSC-HVDC systems for grid connection of large-scale off-shore wind farms. In Proceedings of the 2008 International Conference on Electrical Machines and Systems, Wuhan, China, 17–20 October 2008. [Google Scholar]
-
Kumar D, Shireen W, Ram N. Grid integration of offshore wind energy: a review on fault ride through techniques for MMC-HVDC systems. Energies 2024, 17, 5308. DOI:10.3390/en17215308 [Google Scholar]
-
Raza A, Xu D, Su X, Li W, Williams BW. A novel multiterminal VSC-HVDC transmission topology for offshore wind farms. IEEE Trans. Ind. Appl. 2017, 53, 1316–1325. DOI:10.1109/TIA.2016.2628901 [Google Scholar]
-
Ghat MB, Patro SK, Shukla A. The hybrid-legs bridge converter: A flexible and compact VSC-HVDC topology. IEEE Trans. Power Electron. 2021, 36, 2808–2822. DOI:10.1109/TPEL.2020.3015788 [Google Scholar]
-
Acha E, Kazemtabrizi B, Castro LM. A new VSC-HVDC model for power flows using the newton-raphson method. IEEE Trans. Power Syst. 2013, 28, 2602–2612. DOI:10.1109/TPWRS.2012.2236109 [Google Scholar]
-
Khan S, Bhowmick S. A novel power-flow model of multi-terminal VSC-HVDC systems. Electr. Power Syst. Res. 2016, 133, 219–227. DOI:10.1016/j.epsr.2015.12.031 [Google Scholar]
-
Abedin T, Lipu MSH, Hannan MA, Ker PJ, Rahman SA, Yaw CT, et al. Dynamic Modeling of HVDC for Power System Stability Assessment: A Review, Issues, and Recommendations. Energies 2021, 14, 4829. DOI:10.3390/en14164829. [Google Scholar]
-
Muniappan M, Vittal KP. Design and Transient Studies on Multi-Terminal VSC-HVDC Systems Interconnecting Offshore Wind Farms. ECTI Trans. Electr. Eng. Electron. Commun. 2019, 17, 181–192. DOI:10.37936/ecti-eec.2019172.215486. [Google Scholar]
-
Castro LM, Acha E, Fuerte-Esquivel CR. A novel VSC-HVDC link model for dynamic power system simulations. Electr. Power Syst. Res. 2015, 126, 111–120. DOI:10.1016/j.epsr.2015.05.003 [Google Scholar]
-
Nami A, Liang J, Dijkhuizen F, Demetriades GD. Modular multilevel converters for HVDC applications: Review on converter cells and functionalities. IEEE Trans. Power Electron. 2015, 30,18–36. DOI:10.1109/TPEL.2014.2327641 [Google Scholar]
-
Beddard A, Barnes M, Preece R. Comparison of detailed modeling techniques for mmc employed on VSC-HVDC schemes. IEEE Trans. Power Deliv. 2015, 30, 579–589. DOI:10.1109/TPWRD.2014.2325065 [Google Scholar]
-
Zafari L, Liu Y, Ukil A, Nair N-C. Advances in HVDC Systems: Aspects, Principles, and a Comprehensive Review of Signal Processing Techniques for Fault Detection. Energies 2025, 18, 3106. DOI:10.3390/en18123106 [Google Scholar]
-
Song R, Zheng C, Li R, Zhou X. VSCs based HVDC and its control strategy. In Proceedings of the 2005 IEEE/PES Transmission & Distribution Conference & Exposition: Asia and Pacific, Dalian, China, 18 August 2005. [Google Scholar]
-
Nikkhajoei H, Iravani R. Dynamic model and control of AC–DC–AC voltage-sourced converter system for distributed resources. IEEE Trans. Power Deliv. 2007, 22, 1169–1178. DOI:10.1109/TPWRD.2007.893439 [Google Scholar]
-
Liu Y, Chen Z. Power control method on VSC-HVDC in a hybrid multi-infeed HVDC system. In Proceedings of the 2012 IEEE Power and Energy Society General Meeting, San Diego, CA, USA, 22–26 July 2012. [Google Scholar]
-
Liu Y, Zhang L, Liang H. DC voltage adaptive droop control strategy for a hybrid multi-terminal HVDC system. Energies 2019, 12, 380. DOI:10.3390/en12030380 [Google Scholar]
-
Guo Y, Gao H, Wu Q, Zhao H, Østergaard J, Shahidehpour M. Enhanced voltage control of VSC-HVDC-connected offshore wind farms based on model predictive control. IEEE Trans. Sustain. Energy 2017, 9, 474–487. DOI:10.1109/TSTE.2017.2743005 [Google Scholar]
-
Liu X, Xu Z. Coordinated frequency control scheme of offshore wind farm connected to VSC-HVDC. Electr. Power Compon. Syst. 2019, 47, 757–771. DOI:10.1080/15325008.2019.1627602 [Google Scholar]
-
Hui Q, Yang J, Yang X, Chen Z, Li Y, Teng Y. A robust control strategy to improve transient stability for AC-DC interconnected power system with wind farms. CSEE J. Power Energy Syst. 2019, 5, 259–265. DOI:10.17775/CSEEJPES.2019.00250 [Google Scholar]
-
Hu B, Nian H, Li M, Xu Y, Liao Y, Yang J. Impedance-based analysis and stability improvement of DFIG system within PLL bandwidth. IEEE Trans. Ind. Electron. 2021, 69, 5803–5814. DOI:10.1109/TIE.2021.3088369 [Google Scholar]
-
Yu H, Lyu J, Cai X. High-frequency self-stabilizing control for a grid-tied VSC. IEEE Trans. Power Electron. 2024, 39, 7980–7994. DOI:10.1109/TPEL.2024.3386371. [Google Scholar]
-
Berjawi AEH, Walker SL, Patsios C, Hosseini SHR. An evaluation framework for future integrated energy systems: A whole energy systems approach. Renew. Sustain. Energy Rev. 2021, 145, 111163. DOI:10.1016/j.rser.2021.111163 [Google Scholar]
-
Ulbig A, Borsche T, Andersson G. Impact of low rotational inertia on power system stability and operation. IFAC Proc. Vol. 2014, 47, 7290–7297. DOI:10.3182/20140824-6-ZA-1003.02615 [Google Scholar]
-
Ummels BC, Gibescu M, Pelgrum E, Kling WL, Brand AJ. Impacts of Wind Power on Thermal Generation Unit Commitment and Dispatch. IEEE Trans. Energy Convers. 2007, 22, 44–51. DOI:10.1109/TEC.2006.889616 [Google Scholar]
-
Jiang X, Li Z, Zhong Y. Economic Optimal Scheduling for Integrated Energy System with Offshore Wind Power. In Proceedings of the 2022 4th International Conference on Electrical Engineering and Control Technologies, Shanghai, China, 16–18 December 2022; pp. 847–851. DOI:10.1109/CEECT55960.2022.10030425 [Google Scholar]
-
Yahia Z, Pradhan A. Simultaneous and sequential stochastic optimization approaches for pumped storage plant scheduling with random breakdowns. Energy 2020, 204, 117896. DOI:10.1016/j.energy.2020.117896 [Google Scholar]
-
Jia J, Zhang G, Zhou X, Shi Z, Zhu M, Lv X. Research on joint dispatch of wind, solar, hydro, and thermal power based on pumped-storage power stations. Front. Energy Res. 2024, 12, 1373588. DOI:10.3389/fenrg.2024.1373588 [Google Scholar]
-
Ramakrishnan S, Delpisheh M, Convery C, Niblett D, Vinothkannan M, Mamlouk M. Offshore green hydrogen production from wind energy: A critical review and perspective. Renew. Sustain. Energy Rev. 2024, 195, 114320. DOI:10.1016/j.rser.2024.114320 [Google Scholar]
-
Homaee O, Essayeh C, Vahidinasab V, Tikka V, Mendes G, Fawcett J. Vehicle-to-Everything: Looking into the Future of Flexibility Services. arXiv 2024, arXiv:2407.15615. DOI:10.48550/arXiv.2407.15615 [Google Scholar]
-
Song M, Gao C, Yang J, Yan H. Energy storage modeling of inverter air conditioning for output optimizing of wind generation in the electricity market. CSEE J. Power Energy Syst. 2018, 4, 305–315. DOI:10.17775/CSEEJPES.2016.01480 [Google Scholar]
-
Zhao W, Liu D, Li Q, Nong J. A novel flexible load coordination control based on distributed generation consumption in the active distribution network. In Proceedings of the International Conference on Renewable Power Generation (RPG 2015), Beijing, China, 17–18 October 2015; pp. 1–5. DOI:10.1049/cp.2015.0566 [Google Scholar]
-
Nikoobakht A, Aghaei J, Fallahzadeh-Abarghouei H, Hemmati R. Flexible Co-Scheduling of integrated electrical and gas energy networks under continuous and discrete uncertainties. Energy 2019, 182, 201–210. DOI:10.1016/j.energy.2019.06.053 [Google Scholar]
-
Pan G, Gu W, Hu Q, Wang J, Teng F, Strbac G. Cost and low-carbon competitiveness of electrolytic hydrogen in China. Energy Environmantal Sci. 2021, 14, 4868–4881. DOI:10.1039/D1EE01840J [Google Scholar]
-
Tarkowski R. Underground hydrogen storge: Characteristics and prospects. Renew. Sustain. Energy Rev. 2019, 105, 86–94. DOI:10.1016/j.rser.2019.01.051 [Google Scholar]
-
Qin B, Wang H, Liao Y, Li H, Ding T, Wang Z, et al. Challenges and opportunities for long-distance renewable energy transmission in China. Sustain. Energy Technol. Assess. 2024, 69, 103925. DOI:10.1016/j.seta.2024.103925 [Google Scholar]
-
Zhang Y, Wang J, Wang X. Review on probabilistic forecasting of wind power generation. Renew. Sustain. Energy Rev. 2014, 32, 255–270. DOI:10.1016/j.rser.2014.01.033 [Google Scholar]
-
Bazionis IK, Georgilakis PS. Review of deterministic and probabilistic wind power forecasting: Models, methods, and future research. Electricity 2021, 2, 13–47. DOI:10.3390/electricity2010002 [Google Scholar]
-
Hong T, Xie J, Black J. Global energy forecasting competition 2017: Hierarchical probabilistic load forecasting. Int. J. Forecasting 2019, 35, 1389–1399. DOI:10.1016/j.ijforecast.2019.02.006 [Google Scholar]
-
Hu Y, Yang Y, Chen H, Gao J, Wei Z. Multi-Time-Scale Dispatching Method for Power System Source-Load Considering Wind Power Correlation. Renew. Energy Power Qual. J. 2025, 23, 90–103. DOI:10.52152/4173 [Google Scholar]
-
Hao H, Sanandaji BM, Poolla K, Vincent TL. Aggregate flexibility of thermostatically controlled loads. IEEE Trans. Power Syst. 2014, 30, 189–198. DOI:10.1109/TPWRS.2014.2328865 [Google Scholar]
-
Wang J, You S, Zong Y, Træholt C, Dong ZY, Zhou Y. Flexibility of combined heat and power plants: A review of technologies and operation strategies. Appl. Energy 2019, 252, 113445. DOI:10.1016/j.apenergy.2019.113445 [Google Scholar]
-
Clegg S, Mancarella P. Integrated Electrical and Gas Network Flexibility Assessment in Low-Carbon Multi-Energy Systems. IEEE Trans. Sustain. Energy 2016, 7, 718–731. DOI:10.1109/TSTE.2015.2497329 [Google Scholar]
-
Zhong W, Chen J, Zhou Y, Li Z, Lin X. Network flexibility study of urban centralized heating system: Concept, modeling and evaluation. Energy 2019, 177, 334–346. DOI:10.1016/j.energy.2019.04.081 [Google Scholar]
-
Lannoye E, Flynn D, O’Malley M. Power system flexibility assessment—State of the art. In Proceedings of the 2012 IEEE Power and Energy Society General Meeting, San Diego, CA, USA, 22–26 July 2012; pp. 1–6. DOI:10.1109/PESGM.2012.6345375 [Google Scholar]
-
Guo H, Rudion K, Styczynski ZA. Integration of large offshore wind farms into the power system. In Proceedings of the 2011 EPU-CRIS International Conference on Science and Technology, Hanoi, Vietnam, 16 November 2011; pp. 1–6. [Google Scholar]
- Lund H, Østergaard PA, Connolly D, Mathiesen BV. Smart energy and smart energy systems. Energy 2017, 137, 556–565. DOI:10.1016/j.energy.2017.05.123 [Google Scholar]



